GM Service Manual Online
For 1990-2009 cars only
Makes
🢒
Pontiac
🢒
2001
🢒
Sunfire
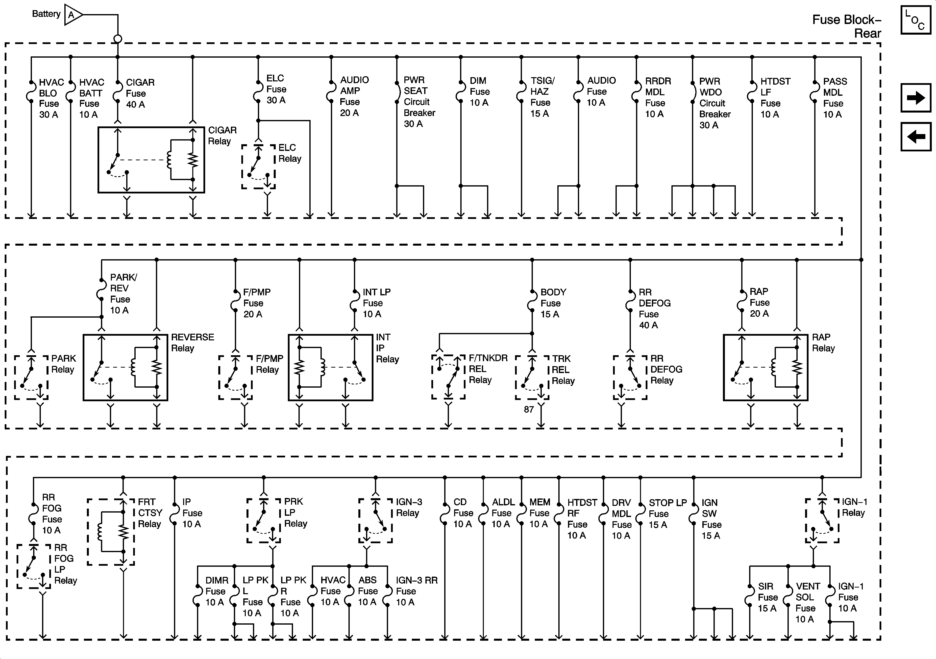
🢒 Battery Feed to the Fuse Block-Rear
Battery Feed to the Fuse Block-Rear
Battery Feed to the Fuse Block-Rear
Master Electrical Component List
LX5 IGN 1, OXY SEN, DIS Fuses and IGN 1 Relay (Fuse Block-Underhood)
Battery Feed to the Fuse Block-Underhood
Battery Feed to the Fuse Block-Underhood