GM Service Manual Online
For 1990-2009 cars only
Makes
🢒
Pontiac
🢒
2001
🢒
Sunfire
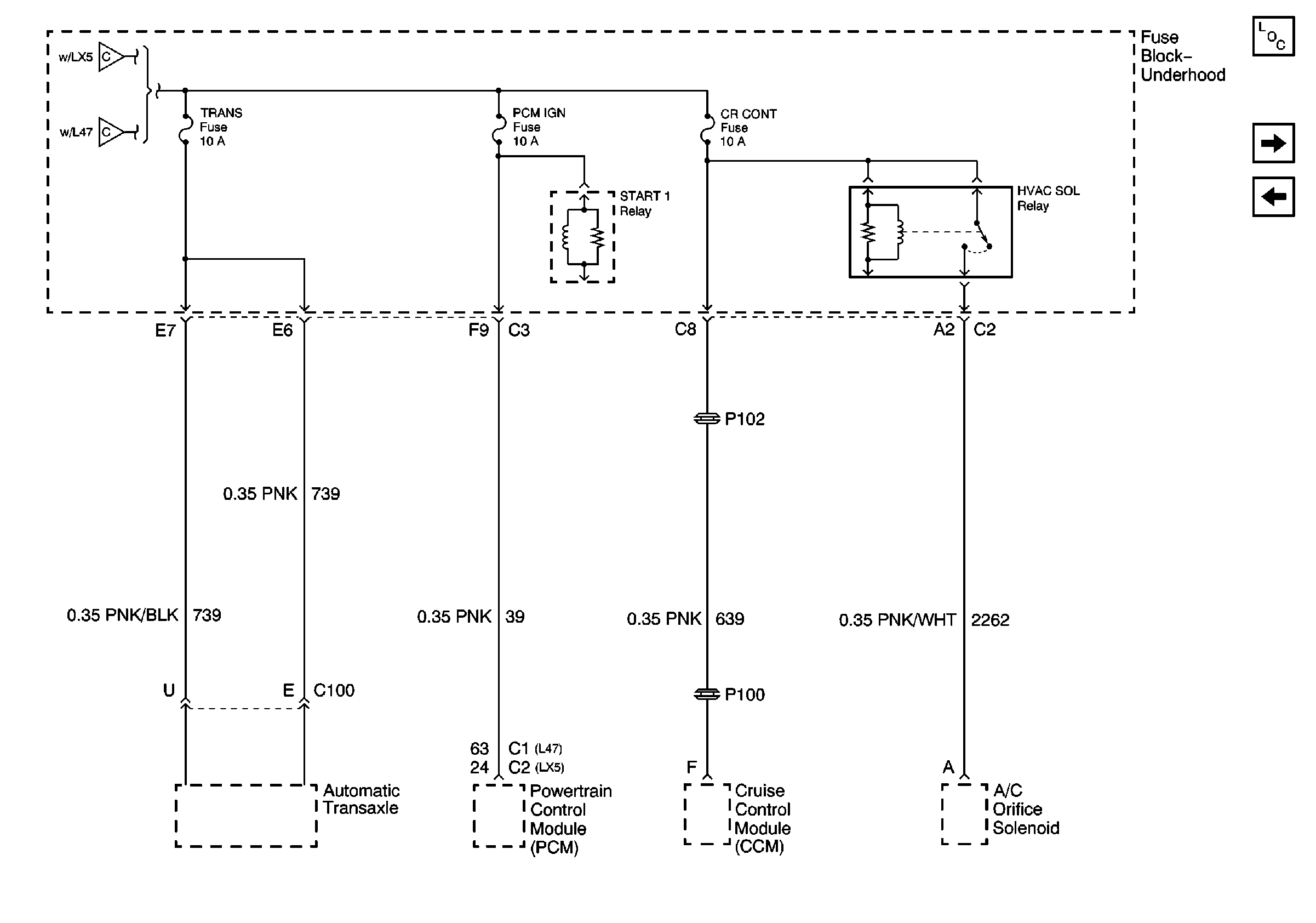
🢒 TRANS, PCM IGN, CR CONT Fuses and Start 1, HVAC SOL Relays (Fuse Block-Underhood)
TRANS, PCM IGN, CR CONT Fuses and Start 1, HVAC SOL Relays (Fuse Block-Underhood)
TRANS, PCM IGN, CR CONT Fuses and Start 1, HVAC SOL Relays (Fuse Block-Underhood)
Master Electrical Component List
ABS, AIR PUMP, PCM BATT, HDLP Fuses and HDLP Relays (Fuse Block-Underhood)
L47 INJR 1 and INJR 2 Fuses (Fuse Block-Underhood)
LX5 IGN 1, OXY SEN, DIS Fuses and IGN 1 Relay (Fuse Block-Underhood)