GM Service Manual Online
For 1990-2009 cars only
Makes
🢒
Pontiac
🢒
2001
🢒
Sunfire
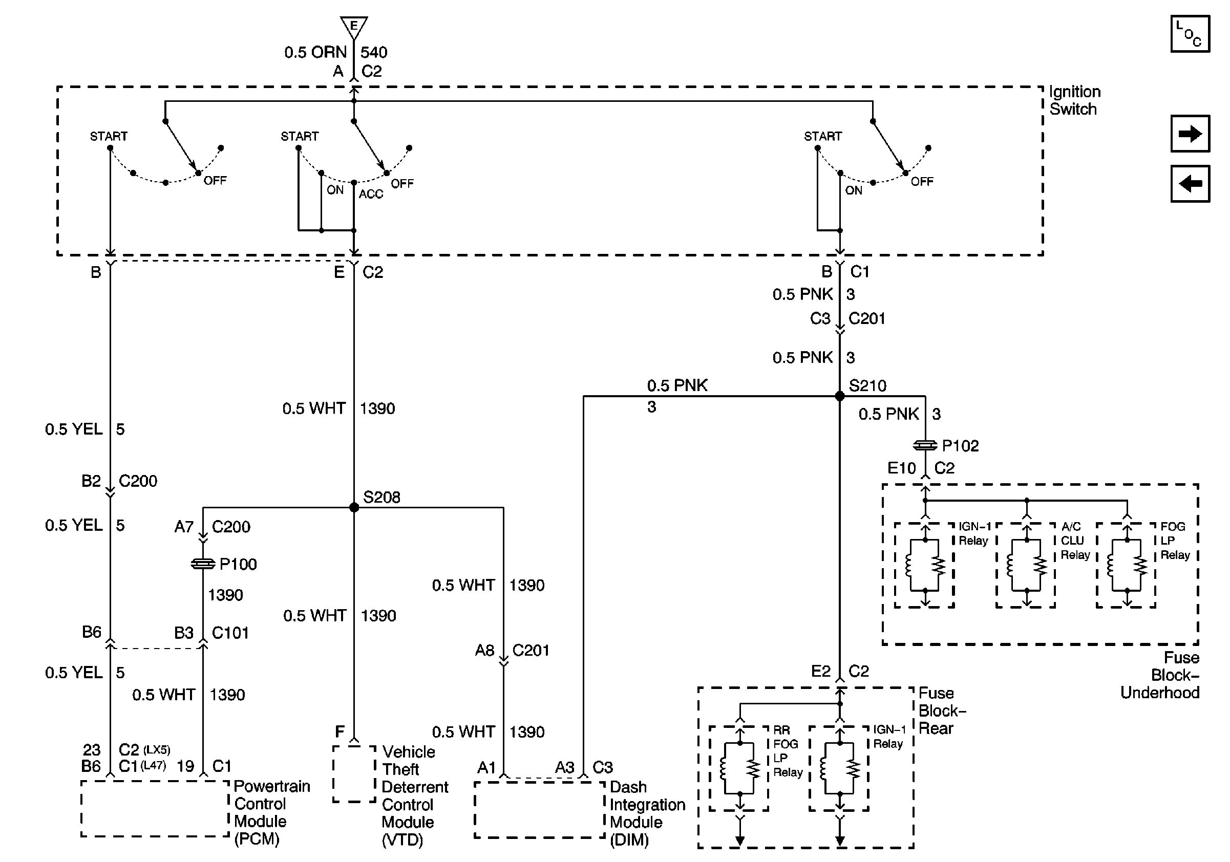
🢒 IGN SW (Fuse Block-Rear)
IGN SW (Fuse Block-Rear)
IGN SW (Fuse Block-Rear)
Master Electrical Component List
IGN-1, VENT SOL, SIR Fuses and IGN 1 Relay (Fuse Block-Rear)
IGN SW Fuse (Fuse Block-Rear)
IGN SW Fuse (Fuse Block-Rear)