GM Service Manual Online
For 1990-2009 cars only
Makes
🢒
Pontiac
🢒
2001
🢒
Sunfire
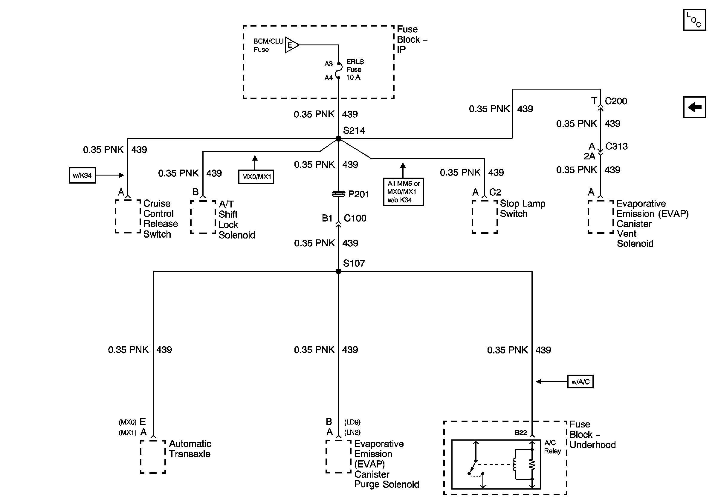
🢒 IP Fuse Block ERLS Fuse
IP Fuse Block ERLS Fuse
IP Fuse Block ERLS Fuse
Master Electrical Component List
IP Fuse Block TURN - B/U, IGN MDL, PCM, BCM /CLU Fuses
IP Fuse Block TURN - B/U, IGN MDL, PCM, BCM /CLU Fuses