GM Service Manual Online
For 1990-2009 cars only
Makes
🢒
Pontiac
🢒
2001
🢒
Sunfire
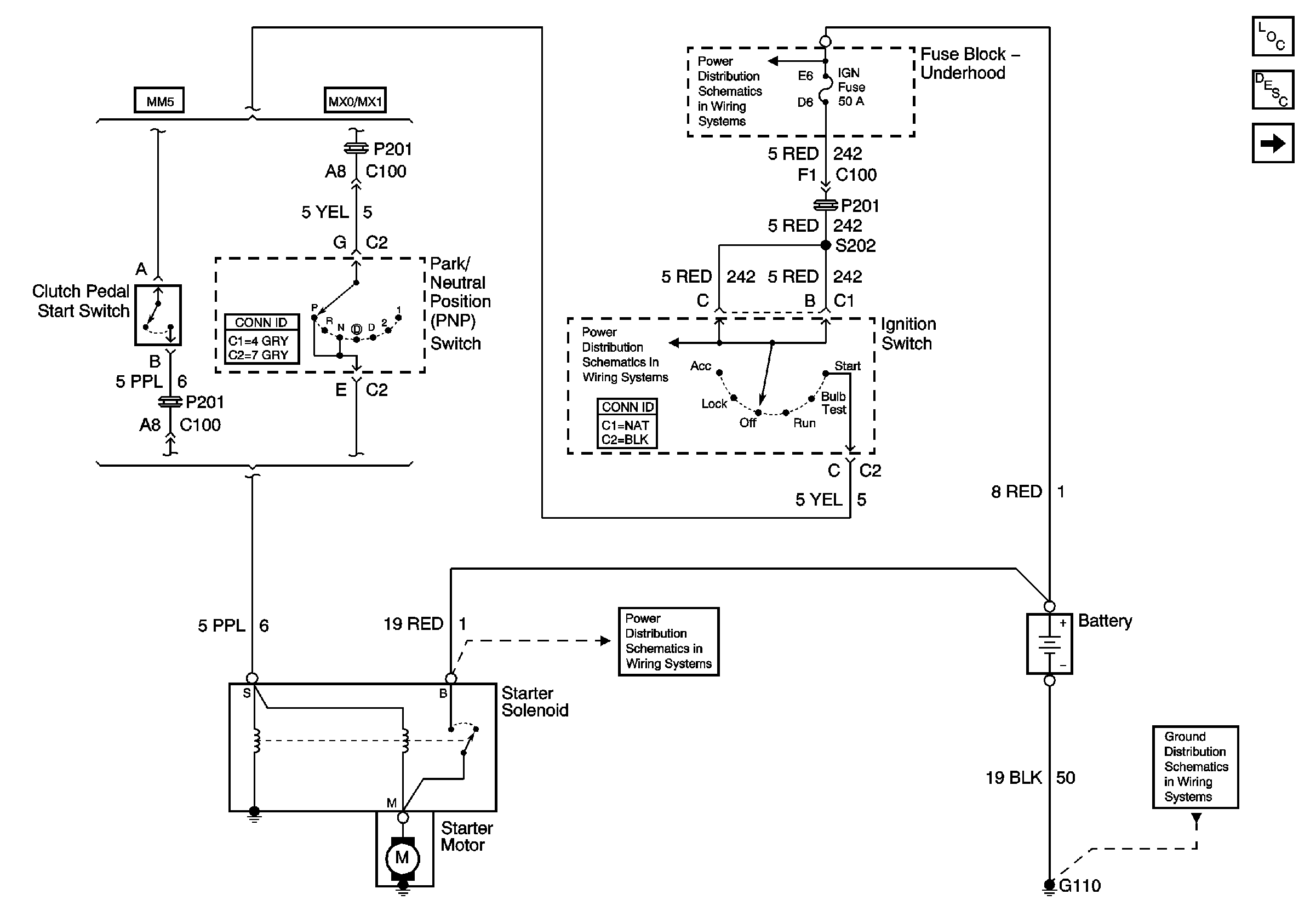
🢒 Starting System - Early Production
Starting System - Early Production
Starting System -- Early Production
Master Electrical Component List
Starting System - Late Production
G110
Underhood Fuse Block IGN, and ABS Fuses, IP Fuse Block ABS, F/P - INJ, AIR BG and CRUISE Fuses
Underhood Fuse Block IGN, and ABS Fuses, IP Fuse Block ABS, F/P - INJ, AIR BG and CRUISE Fuses
Generator and Battery