GM Service Manual Online
For 1990-2009 cars only
Makes
🢒
Pontiac
🢒
2001
🢒
Sunfire
🢒 Horns Schematics Figure
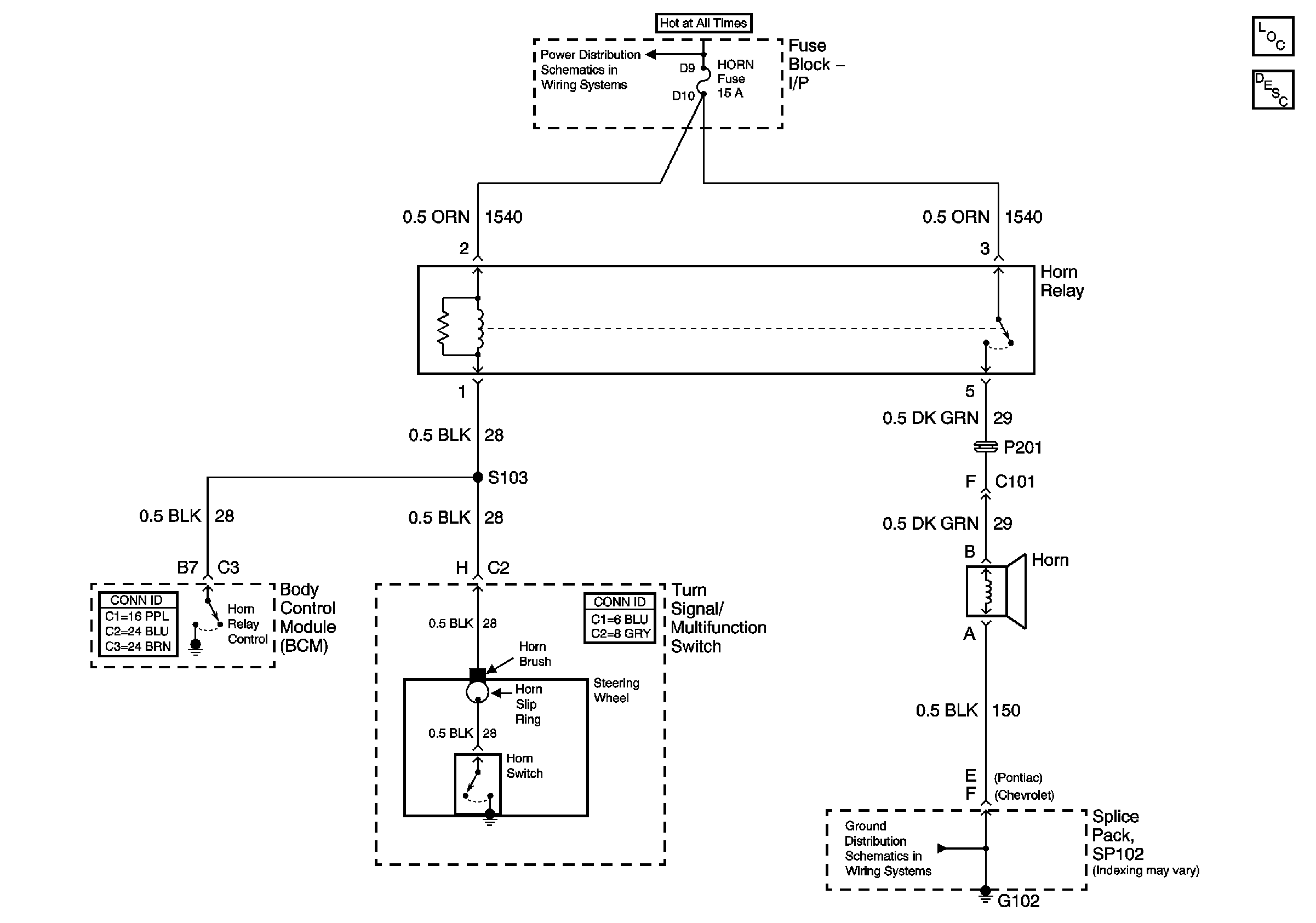
Horns Schematics Figure
Master Electrical Component List
G102 - 1 of 2
IP Fuse Block CIG, HORN, LT HDLP, CLSTR, EXT, LP, FOG Fuses, and HDLP Circuit Breaker