GM Service Manual Online
For 1990-2009 cars only
Makes
🢒
Pontiac
🢒
2001
🢒
Sunfire
🢒 Domestic and Indicators
Domestic and Indicators
Domestic and Indicators
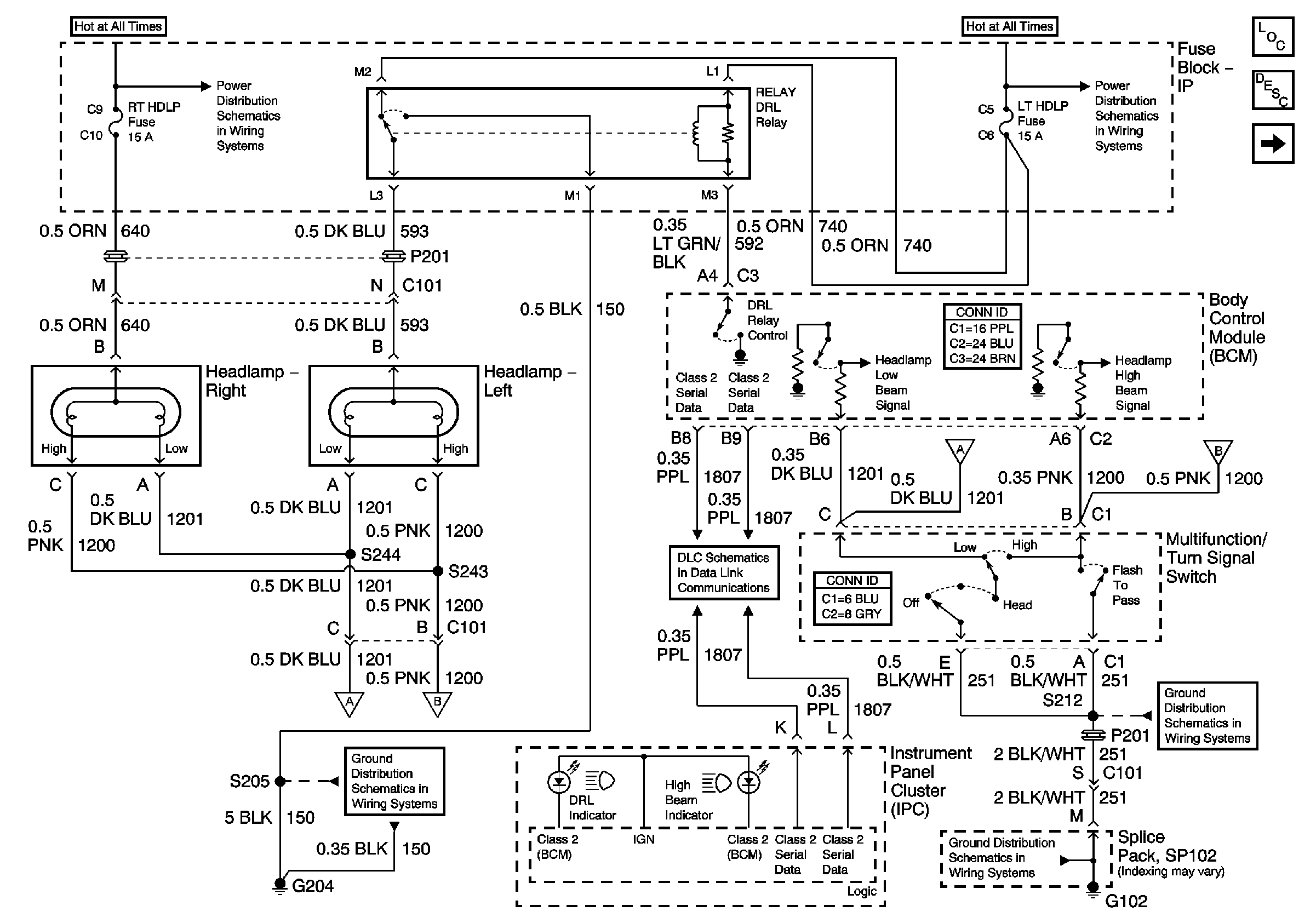
Master Electrical Component List
Underhood Fuse Block BATT 1 Fuse and IP Fuse Block MIRROR, RT HDLP, FLS/PASS, RDO/INTLP, RFA BATT, and AMPL Fuses
Export
G102 - 1 of 2
G102 - 1 of 2
G204 1 of 2
Underhood Fuse Block BATT 1 Fuse and IP Fuse Block MIRROR, RT HDLP, FLS/PASS, RDO/INTLP, RFA BATT, and AMPL Fuses