GM Service Manual Online
For 1990-2009 cars only
Makes
🢒
Pontiac
🢒
2001
🢒
Sunfire
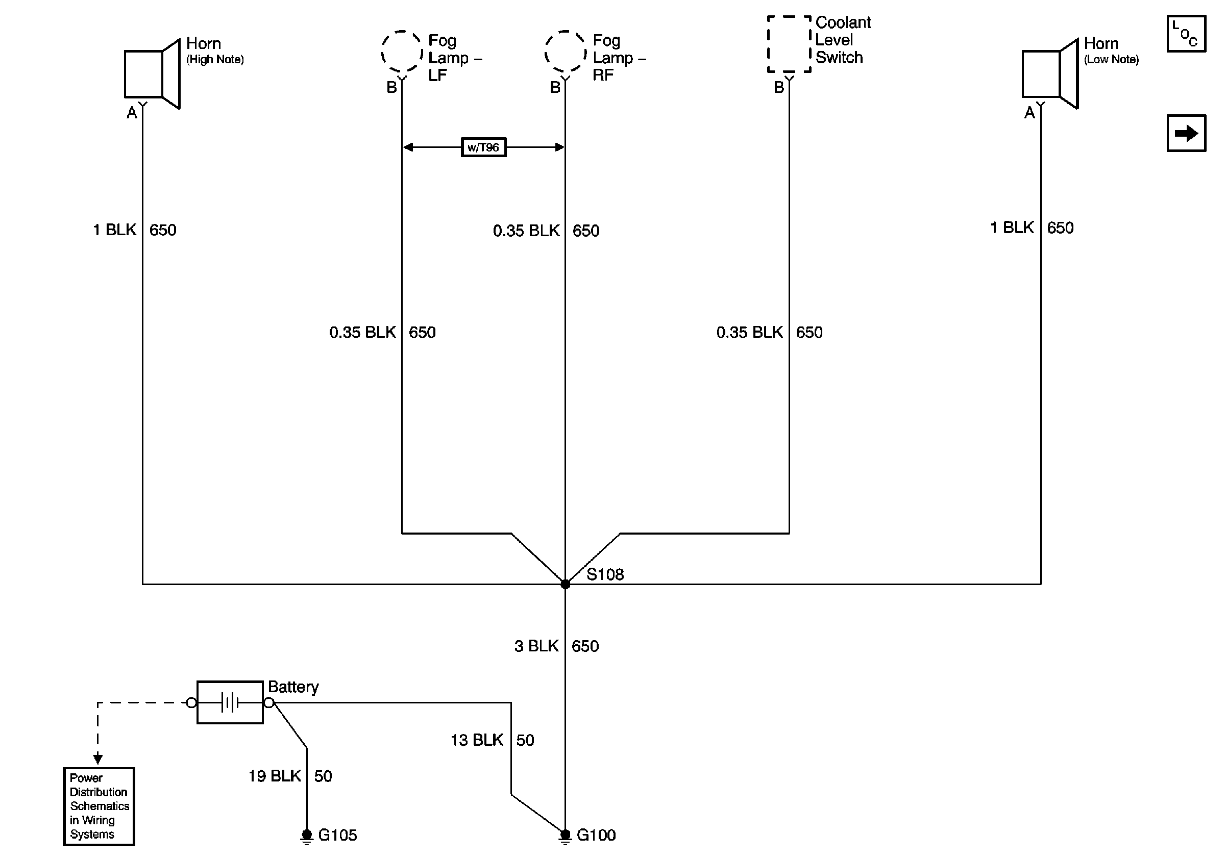
🢒 G100 and G105
G100 and G105
G100 and G105
Master Electrical Component List
G101