GM Service Manual Online
For 1990-2009 cars only
Makes
🢒
Pontiac
🢒
2001
🢒
Sunfire
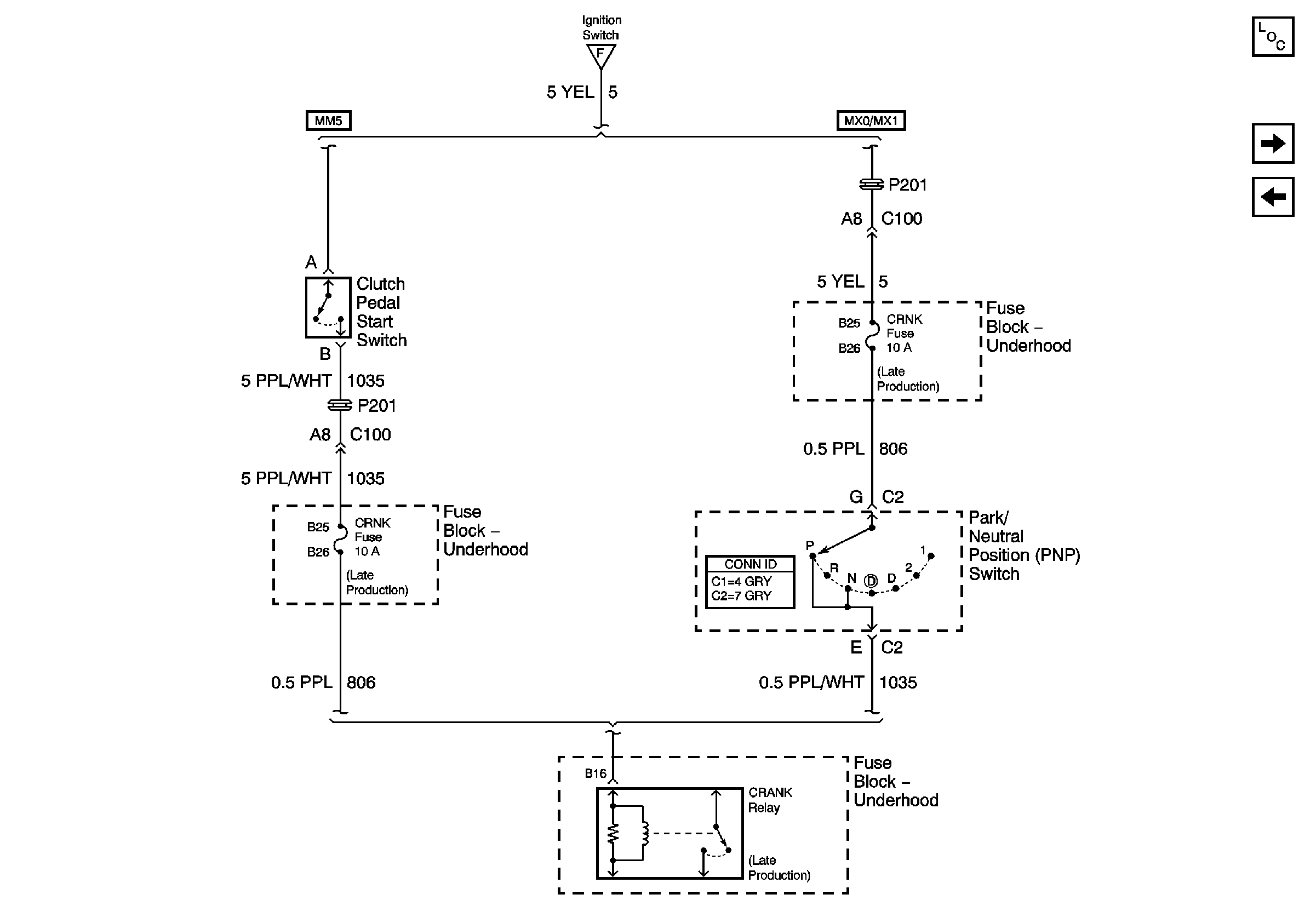
🢒 Underhood Fuse Block CRNK Fuse
Underhood Fuse Block CRNK Fuse
Underhood Fuse Block, CRNK Fuse
Master Electrical Component List
IP Fuse Block BCM, WIPER, HVAC, O2 HTR Fuses and PWR WDO Circuit Breaker
Underhood Fuse Block IGN, and ABS Fuses, IP Fuse Block ABS, F/P - INJ, AIR BG and CRUISE Fuses
Underhood Fuse Block IGN, and ABS Fuses, IP Fuse Block ABS, F/P - INJ, AIR BG and CRUISE Fuses
Underhood Fuse Block IGN, and ABS Fuses, IP Fuse Block ABS, F/P - INJ, AIR BG and CRUISE Fuses