GM Service Manual Online
For 1990-2009 cars only
Makes
🢒
Pontiac
🢒
2002
🢒
Sunfire
🢒
HVAC
🢒
Heating, Ventilation and Air Conditioning
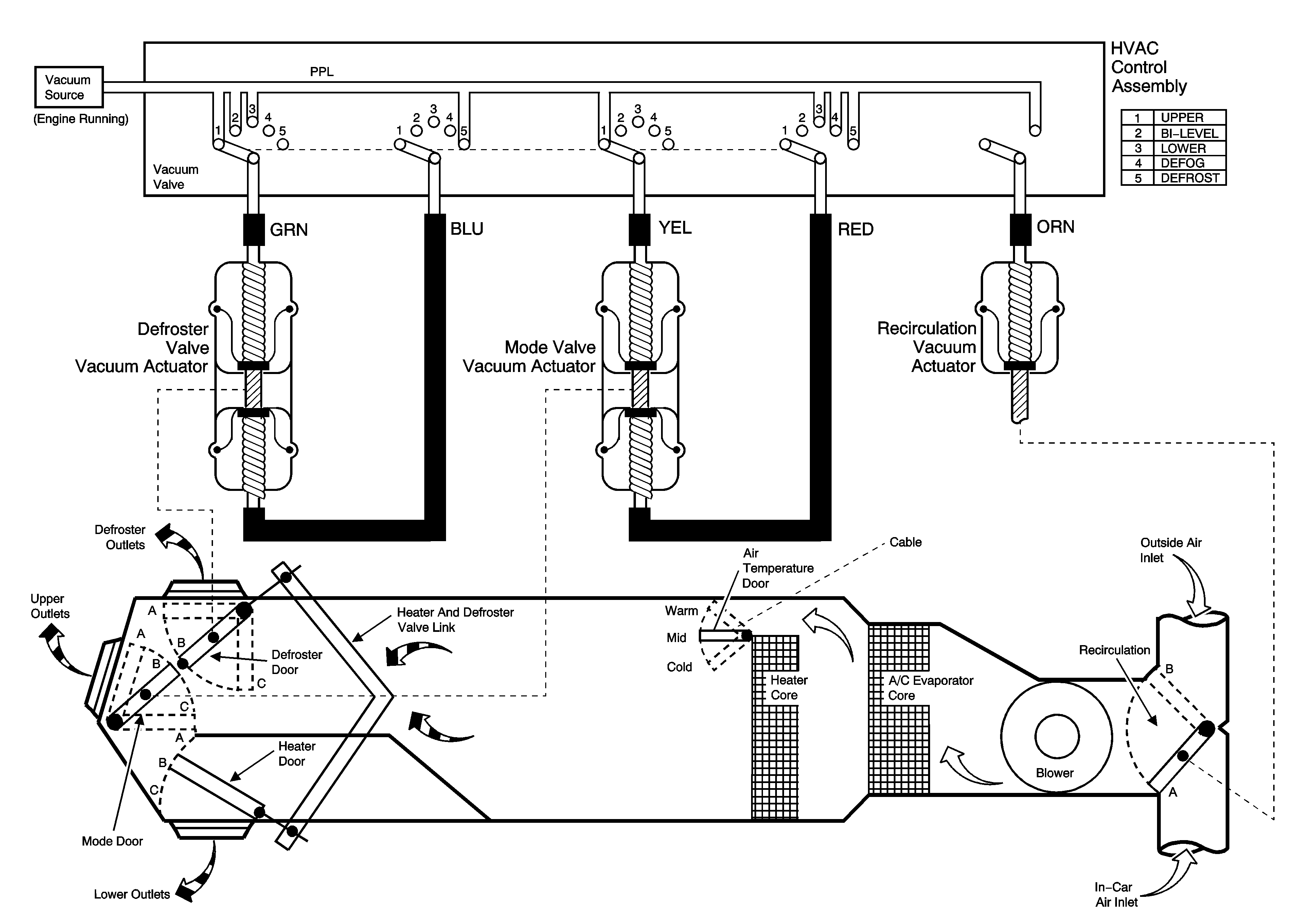
🢒 HVAC Vacuum Schematics
HVAC Vacuum