GM Service Manual Online
For 1990-2009 cars only

    Object Number: 183266  Size: SH
  1. Apply gasket paste GM P/N United States 12346004, GM P/N Canada 10953480 to the plug before installation.
  2. Notice: Use the correct fastener in the correct location. Replacement fasteners must be the correct part number for that application. Fasteners requiring replacement or fasteners requiring the use of thread locking compound or sealant are identified in the service procedure. Do not use paints, lubricants, or corrosion inhibitors on fasteners or fastener joint surfaces unless specified. These coatings affect fastener torque and joint clamping force and may damage the fastener. Use the correct tightening sequence and specifications when installing fasteners in order to avoid damage to parts and systems.

  3. Install the engine block coolant drain plug.
  4. Tighten
    Tighten the coolant jacket plug to 15 N·m (11 lb ft).


    Object Number: 4904  Size: SH
  5. Apply gasket paste GM P/N United States 12345493, GM P/N Canada 10953488 to the plugs before installation.
  6. Install the cooling jacket core plugs.
  7. Using a drift that closely matches the inside diameter of the plug, drive the plugs into the block until they are flush.

  8. Object Number: 183156  Size: SH
  9. Apply gasket paste GM P/N United States 12346004, GM P/N Canada 10953480 to the front oil passage plug.
  10. Important: The front oil passage plug is a special type with a lubrication hole for the timing chain. Do not install any other type of plug in this oil passage.

  11. Install the front oil passage plug.
  12. Install the engine front cover alignment dowels.

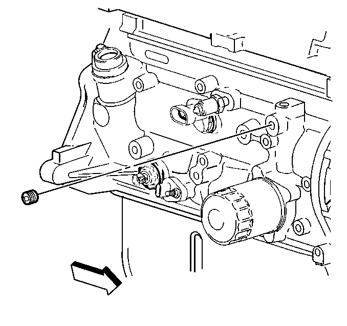
  13. Object Number: 183260  Size: SH
  14. Apply gasket paste GM P/N United States 12346004, GM P/N Canada 10953480 to the upper oil passage plug before installation.
  15. Install the upper oil passage plug.
  16. Tighten
    Tighten the oil passage plug to 21 N·m (15 lb ft).


    Object Number: 183154  Size: SH
  17. Apply gasket paste GM P/N United States 12346004, GM P/N Canada 10953480 to the right side oil passage plug before installation.
  18. Install the right side oil passage plug.
  19. Tighten
    Tighten the oil passage plug to 21 N·m (15 lb ft).


    Object Number: 183151  Size: SH
  20. Apply gasket paste GM P/N United States 12346004, GM P/N Canada 10953480 to the rear oil passage plugs before installation.
  21. Install the rear oil passage plugs.
  22. Tighten

        • Tighten the large oil passage plug to 33 N·m (24 lb ft).
        • Tighten the small oil passage plug to 15 N·m (11 lb ft).

    Object Number: 183264  Size: SH
  23. Install the camshaft rear cover.
  24. Tighten
    Tighten the camshaft rear cover bolts to 12 N·m (106 lb in).