GM Service Manual Online
For 1990-2009 cars only
Makes
🢒
Pontiac
🢒
2002
🢒
Sunfire
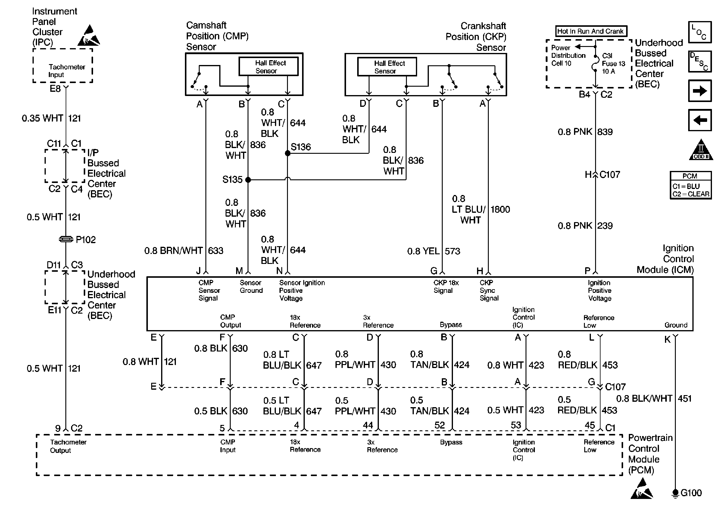
🢒 PCM Ignition Control - VIN 1 and K
PCM Ignition Control - VIN 1 and K
PCM Ignition Control -- VIN 1 and K
Engine Controls Components
Electronic Ignition (EI) System
PCM Fuel Control - VIN K
PCM MIL and DLC - VIN 1 and K
OBD II Symbol Description Notice
Handling ESD Sensitive Parts Notice
Engine Controls Schematic References