GM Service Manual Online
For 1990-2009 cars only
Makes
🢒
Pontiac
🢒
2002
🢒
Sunfire
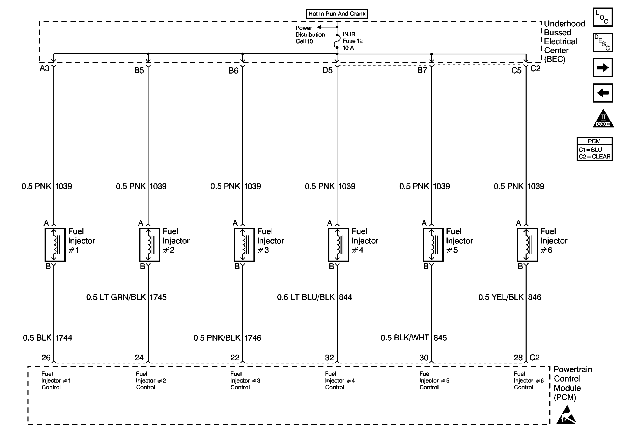
🢒 PCM Fuel Injector Control - VIN 1 and K
PCM Fuel Injector Control - VIN 1 and K
PCM Fuel Injector Control -- VIN 1 and K
Engine Controls Components
Fuel Metering System Components
PCM A/C Pressure, Oil Pressure, TP, MAP, IAT, and ECT Sensors Control VIN 1 and K
PCM Fuel Control - VIN K
OBD II Symbol Description Notice
Handling ESD Sensitive Parts Notice
Engine Controls Schematic References