GM Service Manual Online
For 1990-2009 cars only
Makes
🢒
Pontiac
🢒
2002
🢒
Sunfire
🢒 Fuel Delivery
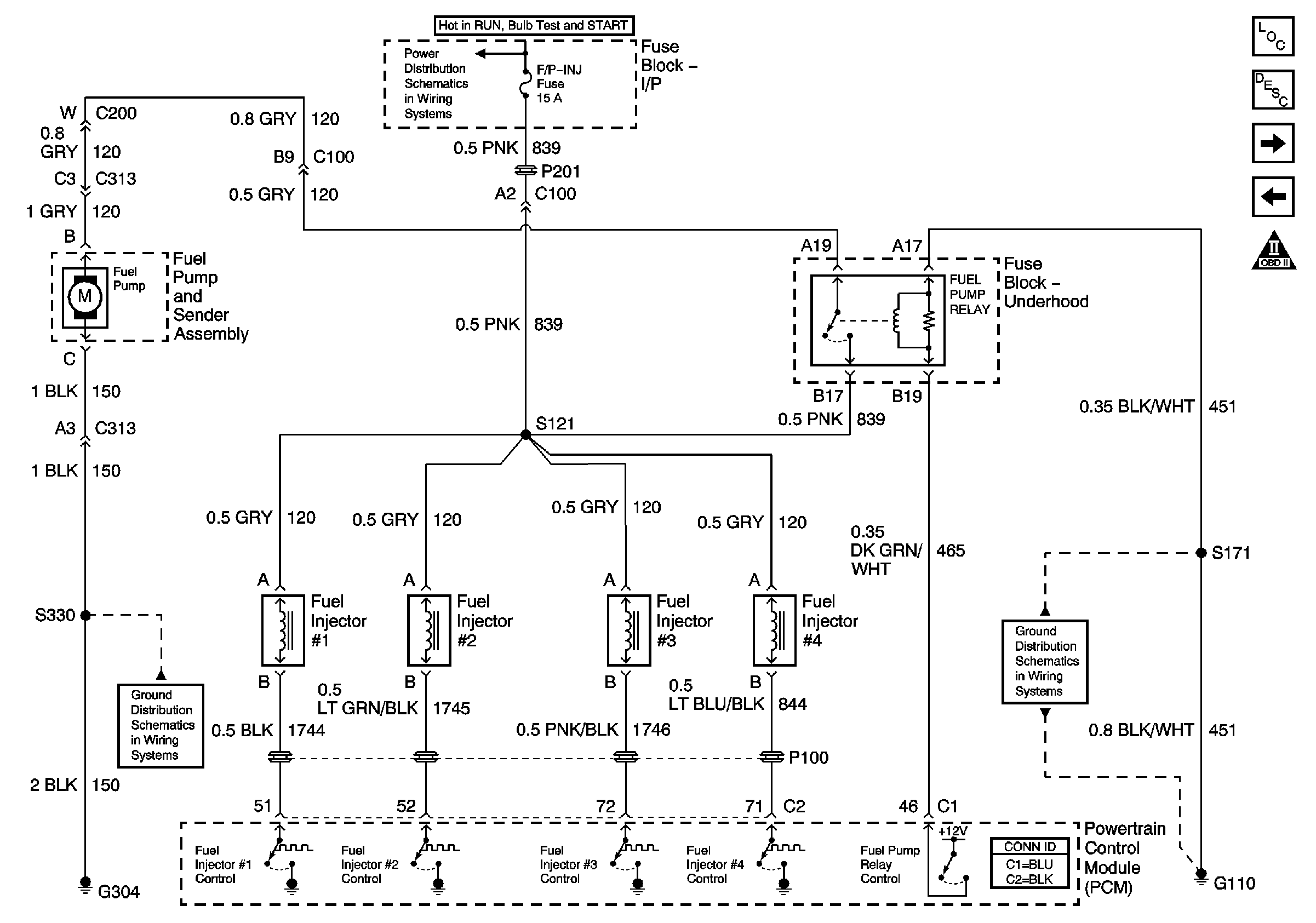
Fuel Delivery
Fuel Delivery
Master Electrical Component List
Fuel System Description
EVAP Controls and IAC
Ignition Controls
OBD II Symbol Description Notice
G110 and G111
G304 - 2 of 2
Underhood Fuse Block IGN and ABS Fuses, I/P Fuse Block ABS, F/P-INJ, AIR BG and Cruise Fuses