GM Service Manual Online
For 1990-2009 cars only
Makes
🢒
Pontiac
🢒
2002
🢒
Sunfire
🢒 Ignition Controls
Ignition Controls
Ignition Controls
Master Electrical Component List
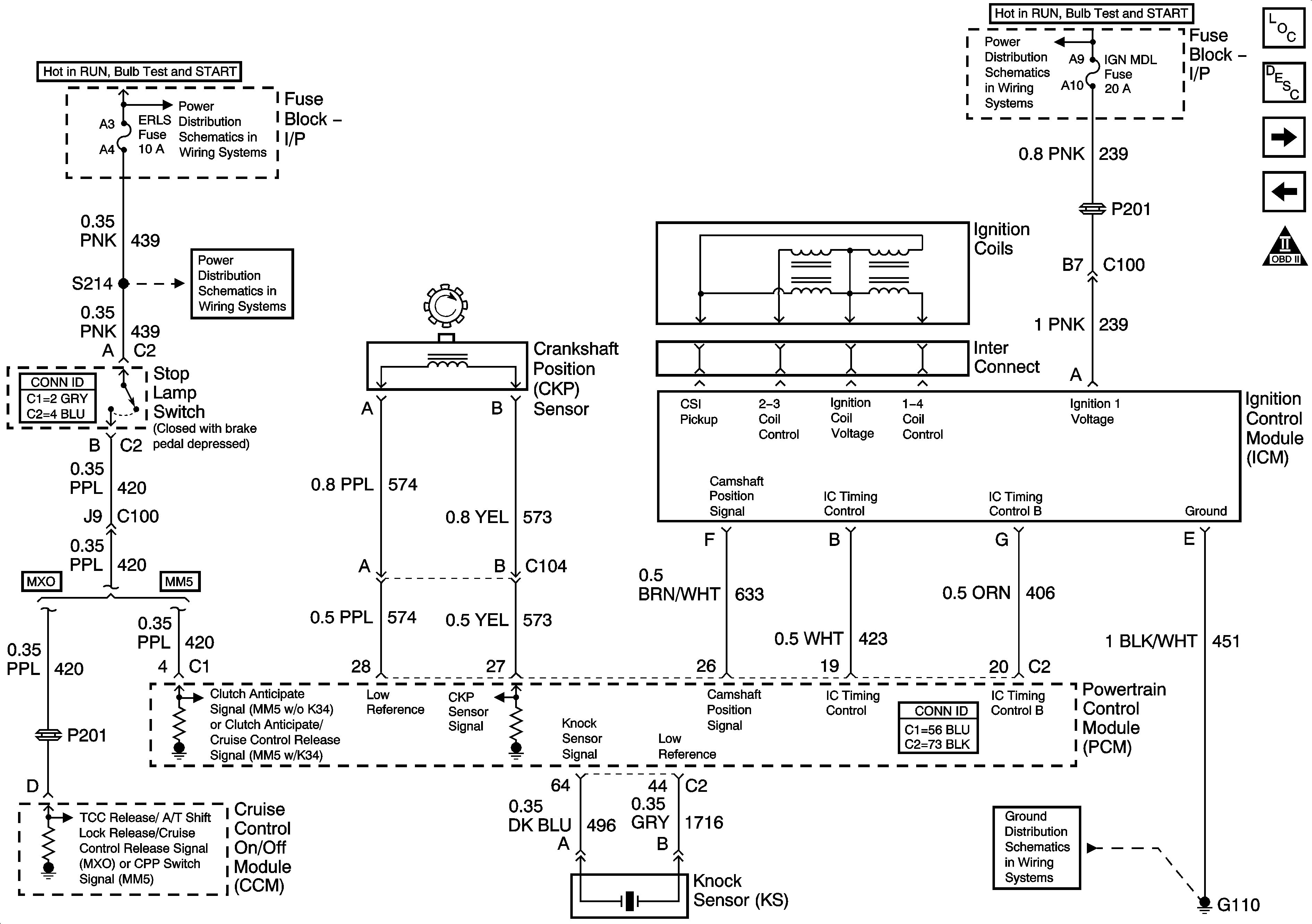
Electronic Ignition (EI) System Description
Fuel System
Engine Data Sensors - HO2S
OBD II Symbol Description Notice
I/P Fuse Block TURN-B/U, IGN MDL, PCM and BCM/CLU Fuses
G110 and G111