GM Service Manual Online
For 1990-2009 cars only
Makes
🢒
Pontiac
🢒
2002
🢒
Sunfire
🢒 Domestic - Pontiac
Domestic - Pontiac
Domestic -- Pontiac
Master Electrical Component List
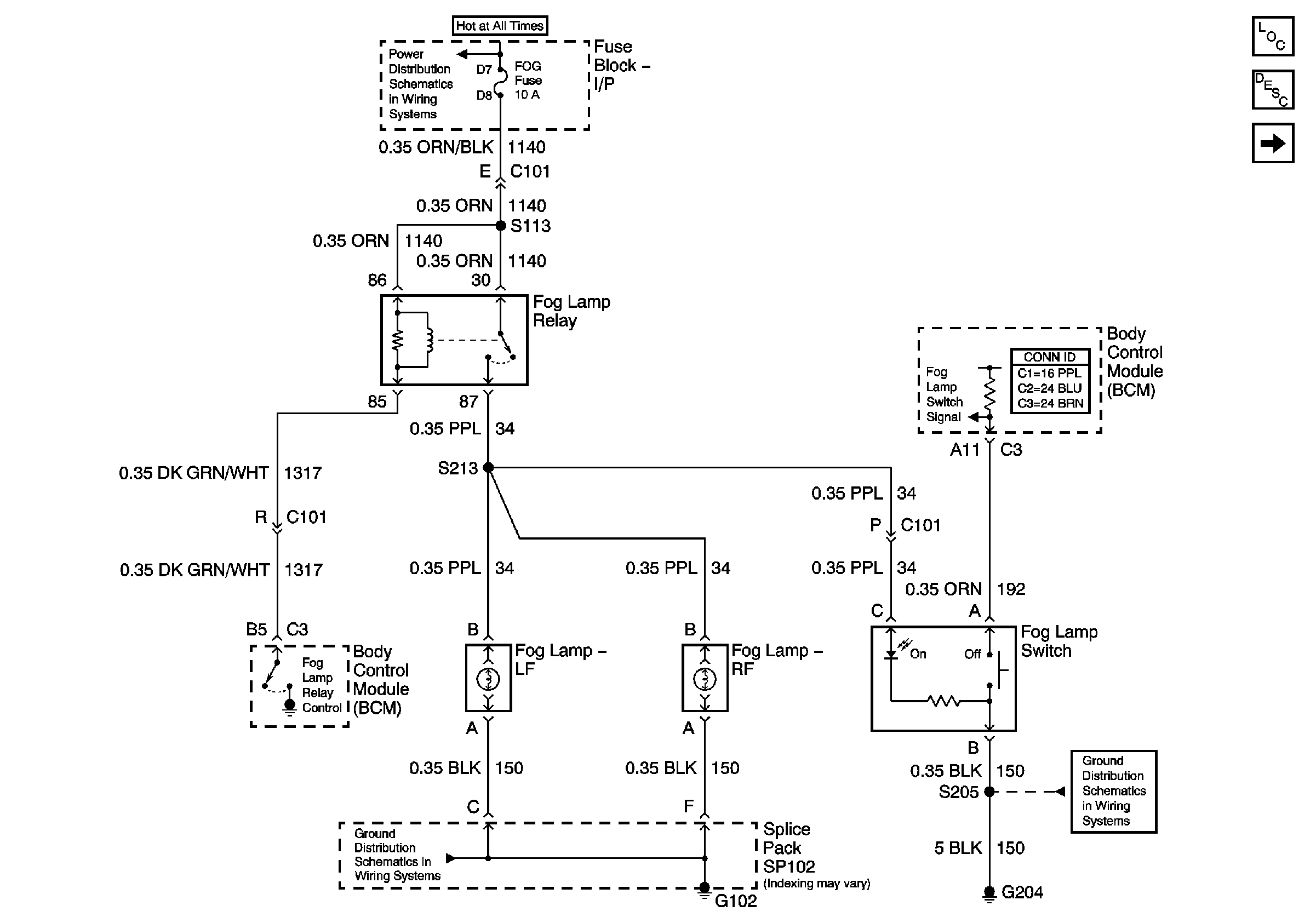
Exterior Lighting Systems Description and Operation
Domestic - Chevrolet
G204 - 1 of 2
I/P Fuse Block CIG, HORN, CLSTR, EXT LAMP, FOG, LT HDLP Fuses and HDLP Circuit Breaker
G102 - 1 of 2