GM Service Manual Online
For 1990-2009 cars only
Makes
🢒
Pontiac
🢒
2002
🢒
Sunfire
🢒 Export
Export
Export
Master Electrical Component List
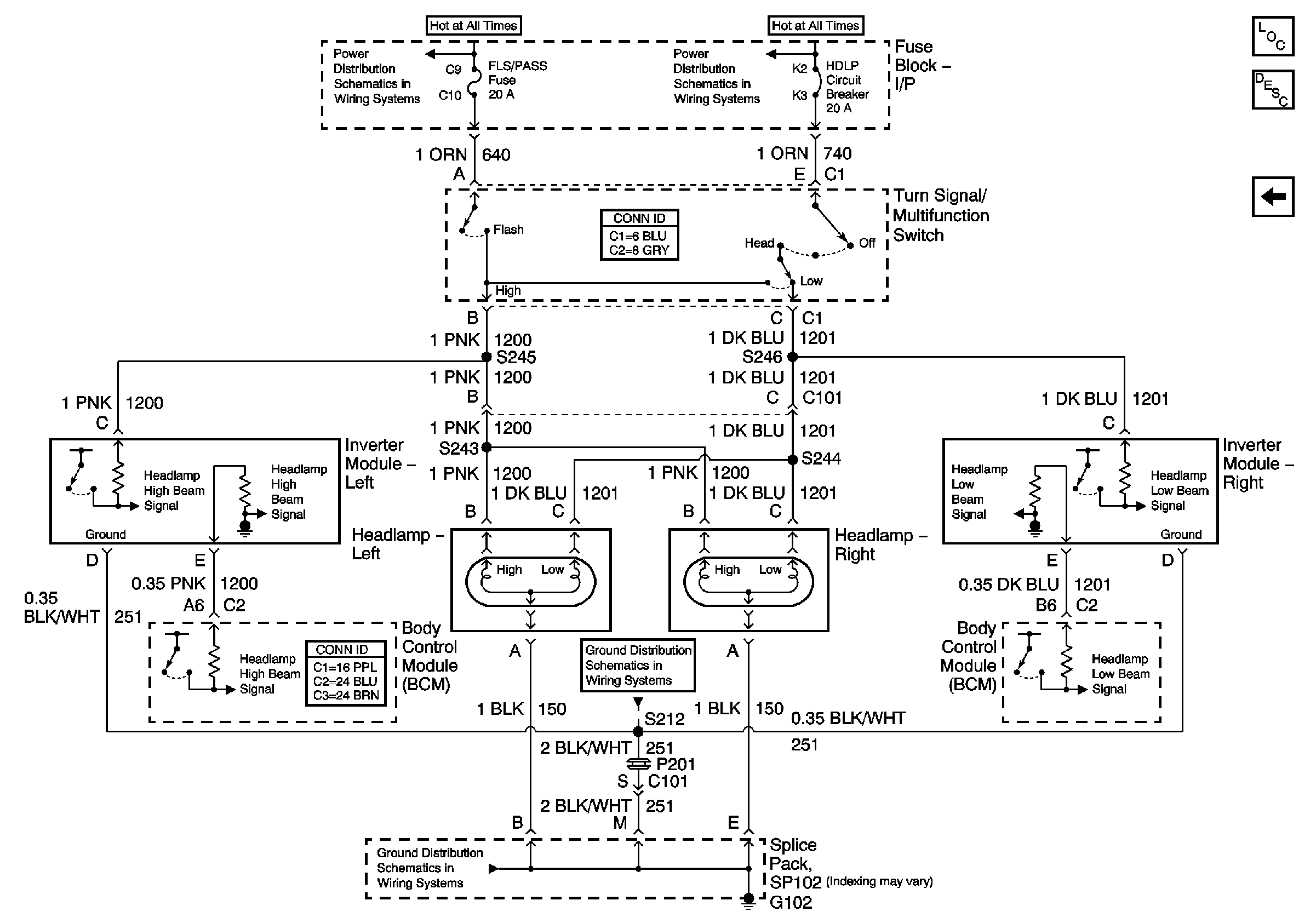
Exterior Lighting Systems Description and Operation
Domestic and Indicators
G102 - 1 of 2
Underhood Fuse Block BATT 1, and I/P Fuse Block MIRROR, RT HDLP, FLS/PASS, RDO/INTLP, RFA BATT and AMPL Fuses
I/P Fuse Block CIG, HORN, CLSTR, EXT LAMP, FOG, LT HDLP Fuses and HDLP Circuit Breaker