GM Service Manual Online
For 1990-2009 cars only
Makes
🢒
Pontiac
🢒
2003
🢒
Sunfire
🢒
Brakes
🢒
Hydraulic Brakes
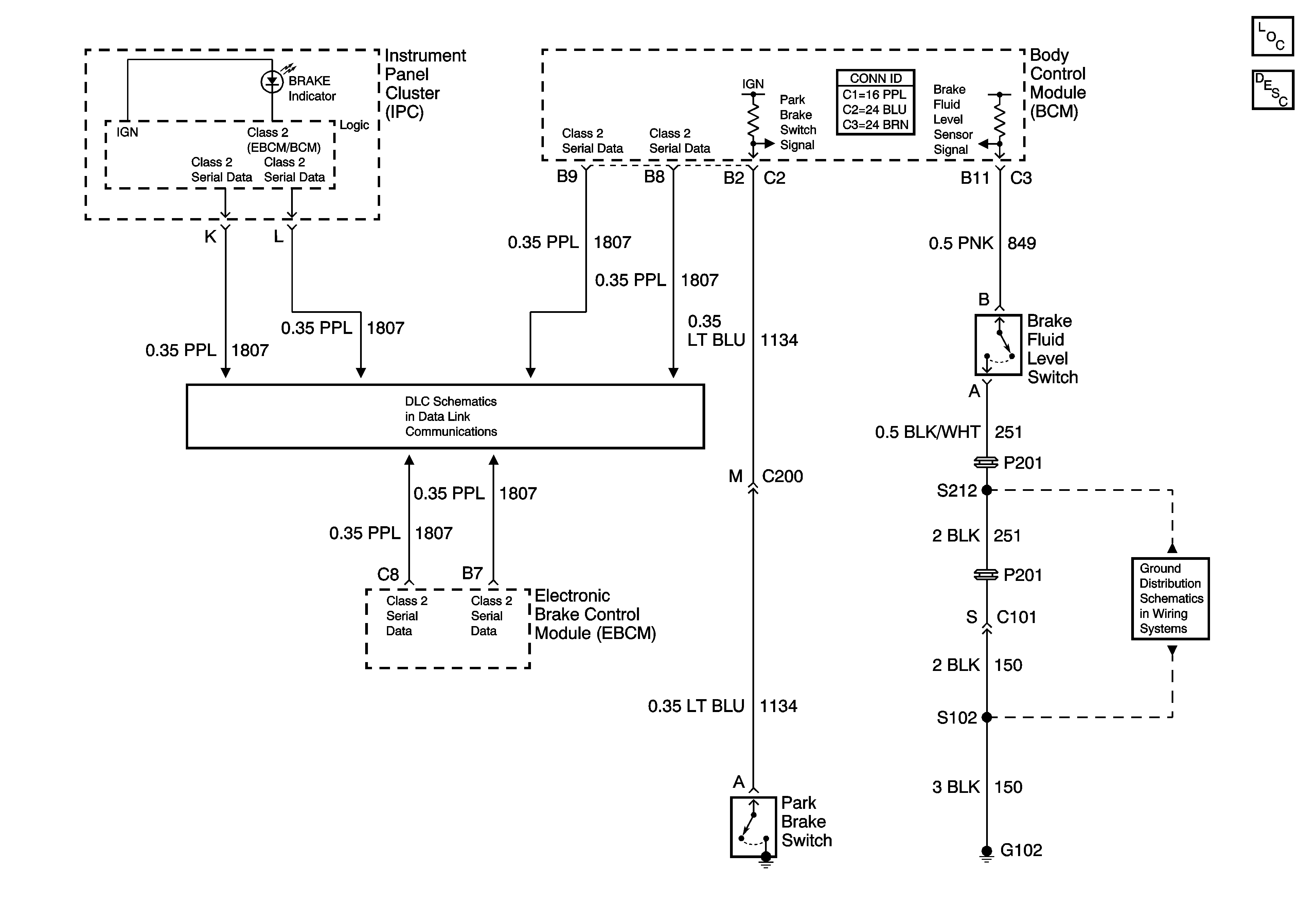
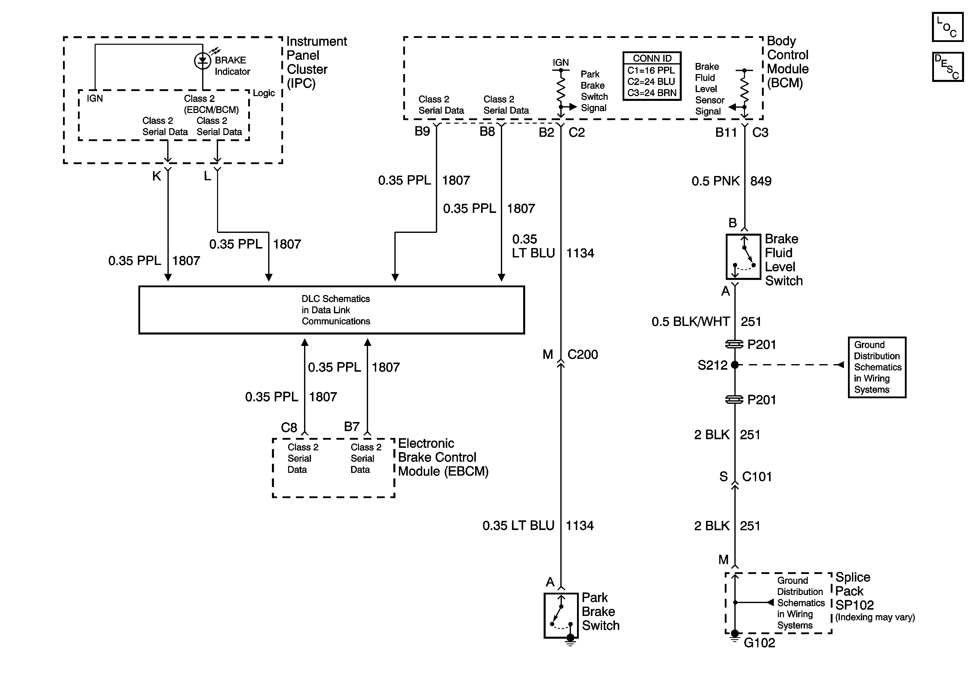
🢒 Brake Warning System Schematics
Figure
1:
Early Production
Figure
2:
Late Production