GM Service Manual Online
For 1990-2009 cars only
Makes
🢒
Pontiac
🢒
2003
🢒
Sunfire
🢒
Transmission/Transaxle
🢒
Automatic Transaxle - 4T40-E/4T45-E
🢒 Cooling System Component Views
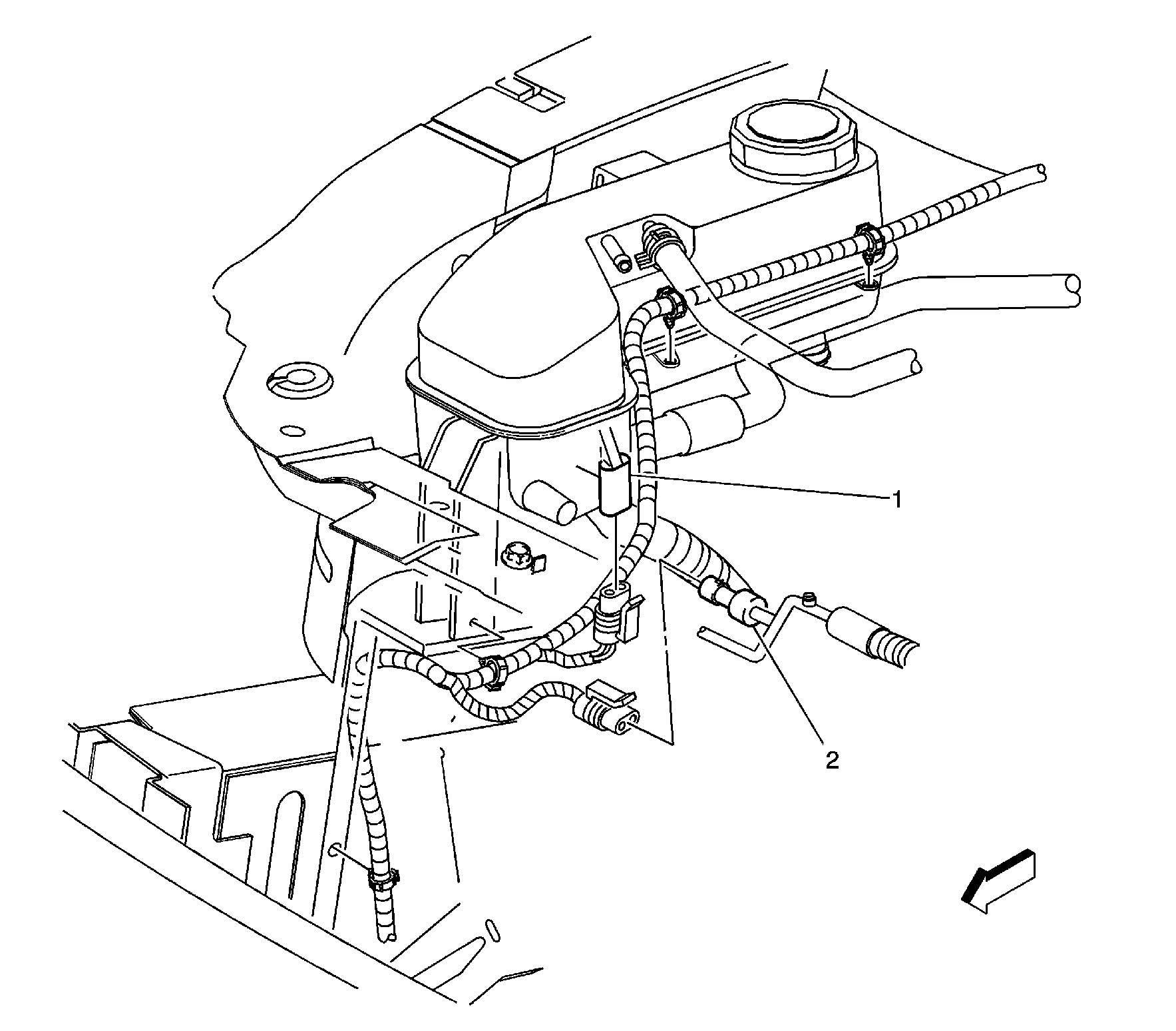
Figure
1:
A/C Refrigerant Pressure Sensor
(1)
Coolant Level Switch
(2)
A/C Refrigerant Pressure Sensor
Figure
2:
Cooling Fan
(1)
Cooling Fan
(2)
Cooling Fan Motor Connector