GM Service Manual Online
For 1990-2009 cars only

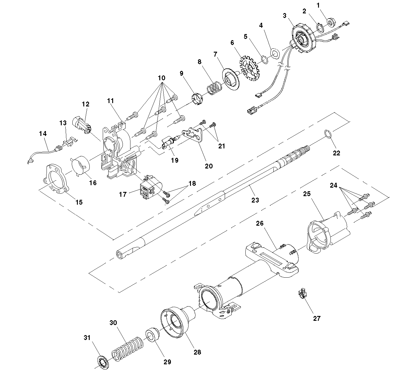
Steering Column Disassembled View Tilt Column

Tilt, Floor Shift Steering Column


Object Number: 373001  Size: LF
(1)Flanged Prevailing Torque Nut
(2)Retaining Ring
(3)SIR Coil
(4)Wave Washer
(5)Bearing Retainer
(6)Shaft Lock
(7)Turn Signal Cancel Cam Assembly
(8)Upper Bearing Spring
(9)Upper Bearing Inner Race Seat
(10)Inner Race
(11)Bearing and Housing Assembly
(12)Ignition Lock Actuator Assembly
(13)Ignition Switch Assembly
(14)Tapping Screws
(15)Lock Bolt Assembly
(16)Lock Bolt Support Bracket
(17)Tapping Screws
(18)Race and Upper Shaft Assembly
(19)Centering Sphere
(20)Joint Preload Spring
(21)Lower Shaft Assembly
(22)Support Screws
(23)Spring Guide
(24)Wheel Tilt Spring
(25)Pivot Pins
(26)Steering Column Support Assembly
(27)Spring Retainer
(28)Wire Restraint Clip
(29)Steering Column Jacket Assembly
(30)Adapter and Bearing Assembly
(31)Lower Bearing Seat
(32)Lower Bearing Spring
(33)Lower Spring Retainer

Steering Column Disassembled View Standard Column

Standard Steering Column


Object Number: 372320  Size: LF
(1)Flanged Prevailing Torque Nut
(2)Retaining Ring
(3)SIR Coil
(4)Wave Washer
(5)Bearing Retainer
(6)Shaft Lock
(7)Turn Signal Cancel Cam Assembly
(8)Upper Bearing Spring
(9)Upper Bearing Inner Race
(10)Adapter Screws
(11)Steering Column Housing Assembly
(12)Ignition Lock Actuator Assembly
(13)Lock Pre-Load Spring
(14)Ground Strap
(15)Mounting Plate
(16)Bearing Retainer
(17)Ignition Switch Assembly
(18)Tapping Screws
(19)Lock Bolt Assembly
(20)Lock Bolt Support Bracket
(21)Tapping Screws
(22)Bearing Retainer
(23)Steering Shaft Assembly
(24)Support Screws
(25)Support Mounting Adapter
(26)Steering Column Jacket Assembly
(27)Wire Restraint Clip
(28)Adapter and Bearing Assembly
(29)Lower Bearing Seat
(30)Lower Bearing Spring
(31)Lower Spring Retainer