GM Service Manual Online
For 1990-2009 cars only

Air Conditioning Compressor Hose Replacement L61

Tools Required

J 39400-A Halogen Leak Detector

Removal Procedure

  1. Recover the refrigerant. Refer to Refrigerant Recovery and Recharging .
  2. Raise and support the vehicle. Refer to Lifting and Jacking the Vehicle in General Information.
  3. Remove the compressor hose assembly to the compressor bolt.
  4. Remove the compressor hose assembly from the compressor.
  5. Remove and discard the sealing washers.
  6. Lower the vehicle.
  7. Remove the hood close out filler panel. Refer to Hood Close Out Filler Replacement in Body Front End.
  8. Reposition the cruise control module out of the way, if equipped.
  9. Remove the two nuts holding the bracket for the PCM Module. Position the bracket and module out of the way.

  10. Object Number: 789671  Size: SH
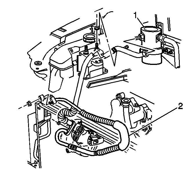
  11. Disconnect the refrigerant pressure sensor electrical connector.
  12. Remove the nut holding the compressor hose assembly fitting to the condenser.
  13. Remove the compressor hose assembly from the condenser.
  14. Remove and discard the O-ring seal.
  15. Remove the fitting nut for the compressor hose assembly to accumulator.
  16. Remove the compressor hose assembly from the accumulator (1).
  17. Remove and discard the O-ring seals.
  18. Remove the compressor hose assembly (2) from the vehicle.

Installation Procedure


    Object Number: 789671  Size: SH
  1. Install a new O-ring seal to the accumulater end of the compressor hose assembly. Refer to O-Ring Replacement .
  2. Notice: Use the correct fastener in the correct location. Replacement fasteners must be the correct part number for that application. Fasteners requiring replacement or fasteners requiring the use of thread locking compound or sealant are identified in the service procedure. Do not use paints, lubricants, or corrosion inhibitors on fasteners or fastener joint surfaces unless specified. These coatings affect fastener torque and joint clamping force and may damage the fastener. Use the correct tightening sequence and specifications when installing fasteners in order to avoid damage to parts and systems.

  3. Install the compressor hose assembly and the fitting nut to the accumulator.
  4. Tighten
    Tighten the fitting nut to 35 N·m (26 lb ft).

  5. Install a new O-ring seal to the condenser end of the compressor hose assembly. Refer to O-Ring Replacement .
  6. Install the compressor hose assembly to the condenser.
  7. Install the fitting nut for the compressor hose assembly to the condenser.
  8. Tighten
    Tighten the nut to 16 N·m (12 lb ft).

  9. Install new sealing washers to the compressor ports. Refer to Sealing Washer Replacement .
  10. Install the compressor hose assembly to the compressor.
  11. Install the nut holding the compressor hose assembly to the compressor.
  12. Tighten
    Tighten the nut to 16 N·m (12 lb ft).

  13. Lower the vehicle.
  14. Connect the refrigerant pressure sensor electrical connector.
  15. Position the bracket holding the PCM Module on to the shock tower.
  16. Install the bracket nuts holding the PCM Module on to the shock tower.
  17. Tighten
    Tighten the nuts to 10 N·m (89 lb in).

  18. Reposition the cruise control module.
  19. Install the hood close out filler panel. Refer to Hood Close Out Filler Replacement in Body Front End.
  20. Evacuate and recharge the A/C system. Refer to Refrigerant Recovery and Recharging .
  21. Leak test the fittings of the component using the J 39400-A .