GM Service Manual Online
For 1990-2009 cars only
Makes
🢒
Pontiac
🢒
2003
🢒
Sunfire
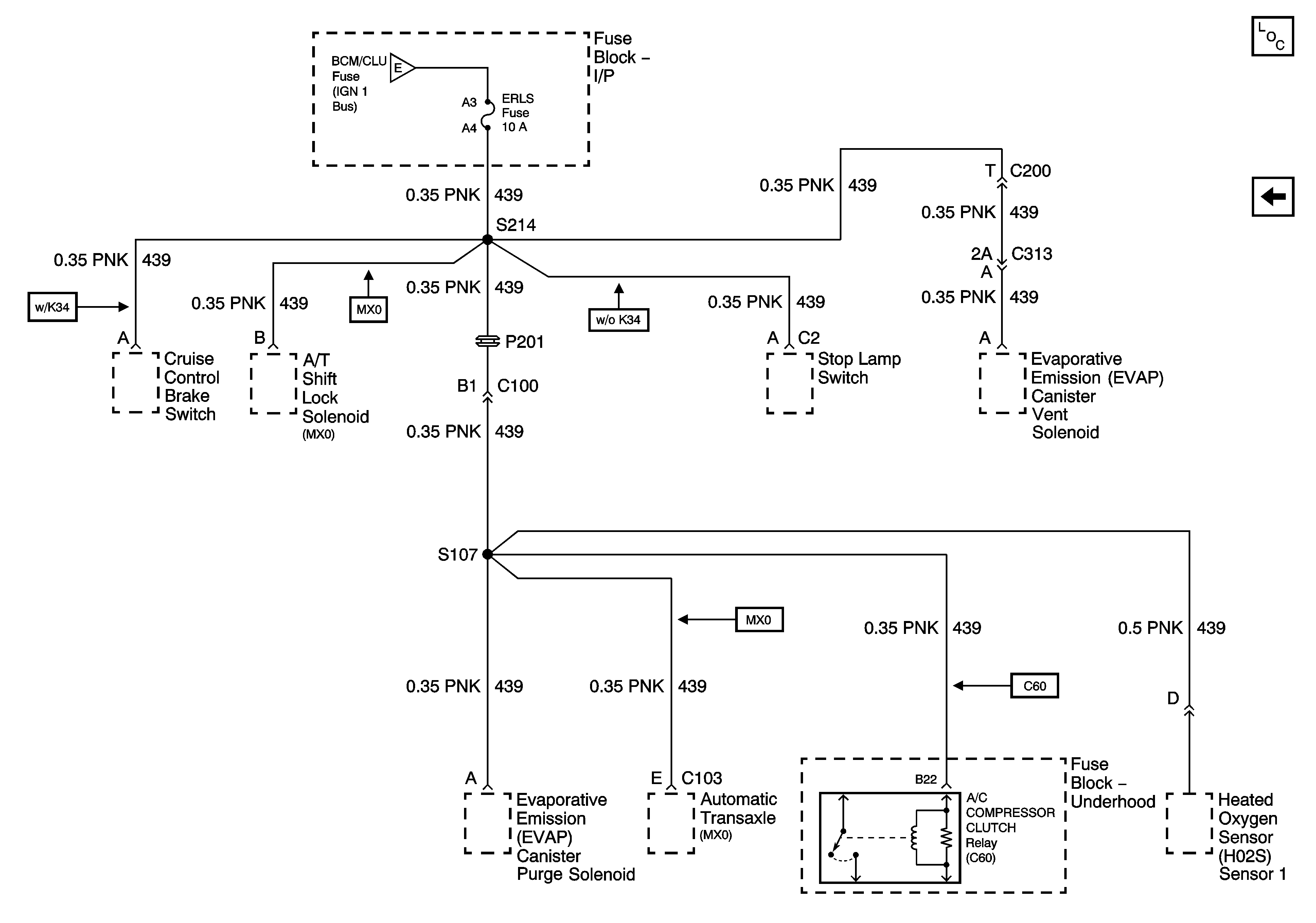
🢒 Fuse Block-I/P ERLS Fuse
Fuse Block-I/P ERLS Fuse
FUSE BLOCK - I/P ERLS FUSES
Master Electrical Component List
Fuse Block-I/P TURN-B/U, IGN MDL, PCM, and BCM/CLU Fuses
Fuse Block-I/P TURN-B/U, IGN MDL, PCM, and BCM/CLU Fuses