GM Service Manual Online
For 1990-2009 cars only
Makes
🢒
Pontiac
🢒
2003
🢒
Sunfire
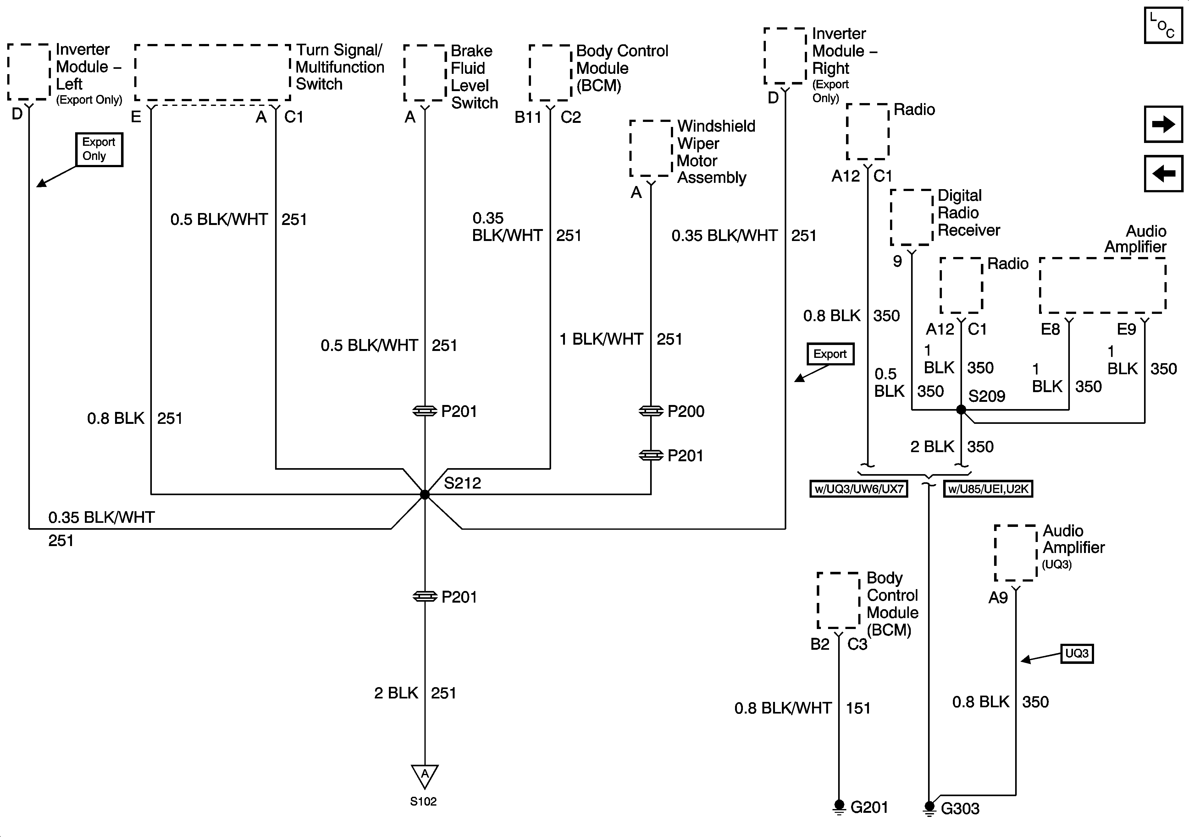
🢒 G102, G201, G303
G102, G201, G303
G102, G201, G303
Master Electrical Component List
G110
G102
G102