GM Service Manual Online
For 1990-2009 cars only
Makes
🢒
Pontiac
🢒
2003
🢒
Sunfire
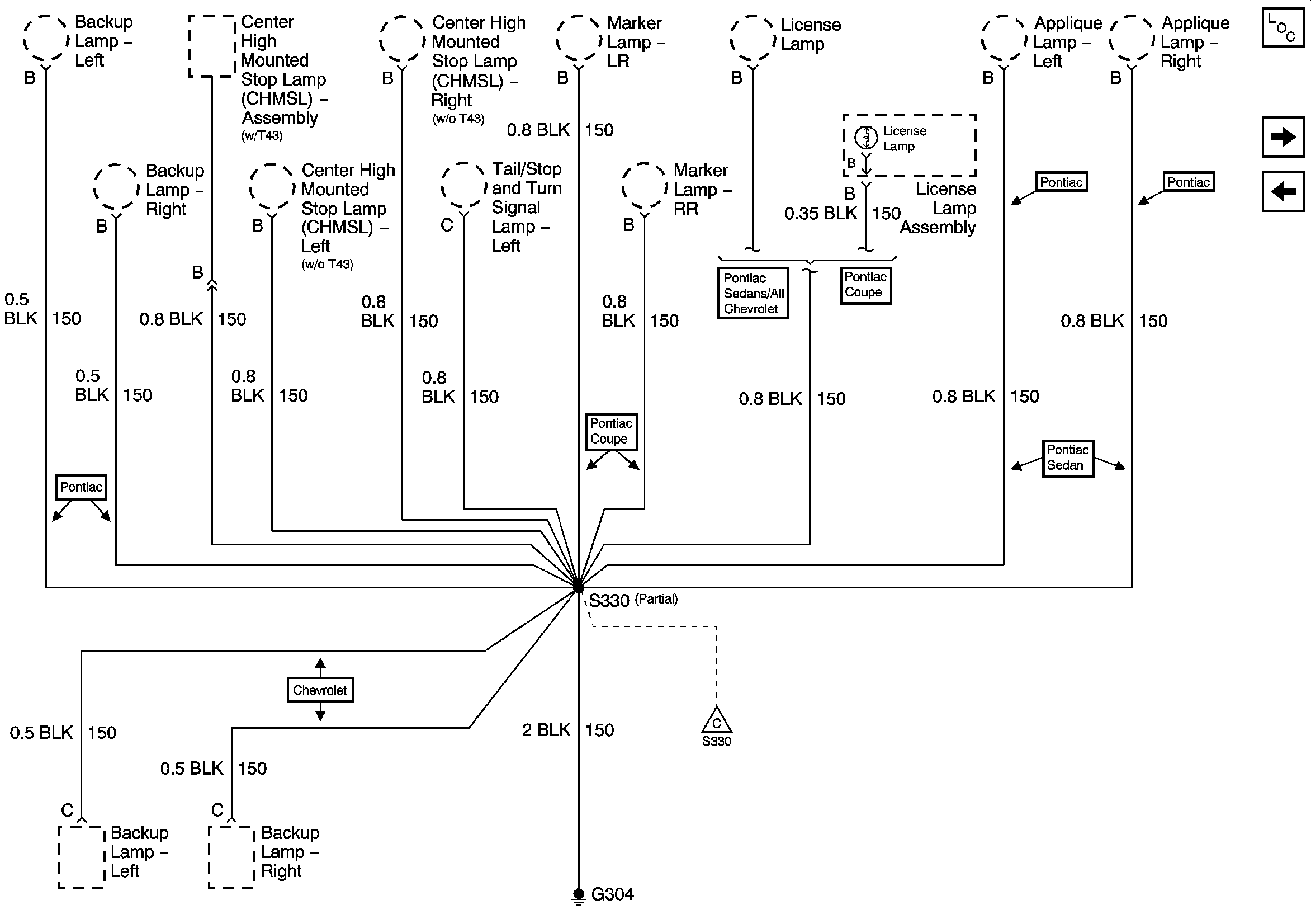
🢒 G304 1 of 2
G304 1 of 2
G304 (Page 1 of 2)
Master Electrical Component List
G304 2 of 2
G302
G304 2 of 2