GM Service Manual Online
For 1990-2009 cars only
Figure 1:

Module Power and Ground


Object Number: 787953  Size: FS
Master Electrical Component List
ABS Description and Operation
Indicators and Switches
Fuse Block Underhood, IGN, ABS, Fuse Block I/P, ABS, F/P INJ, AIR BG, CRUISE Fuses
Fuse Block - Underhood B+ Bus Bar
G112
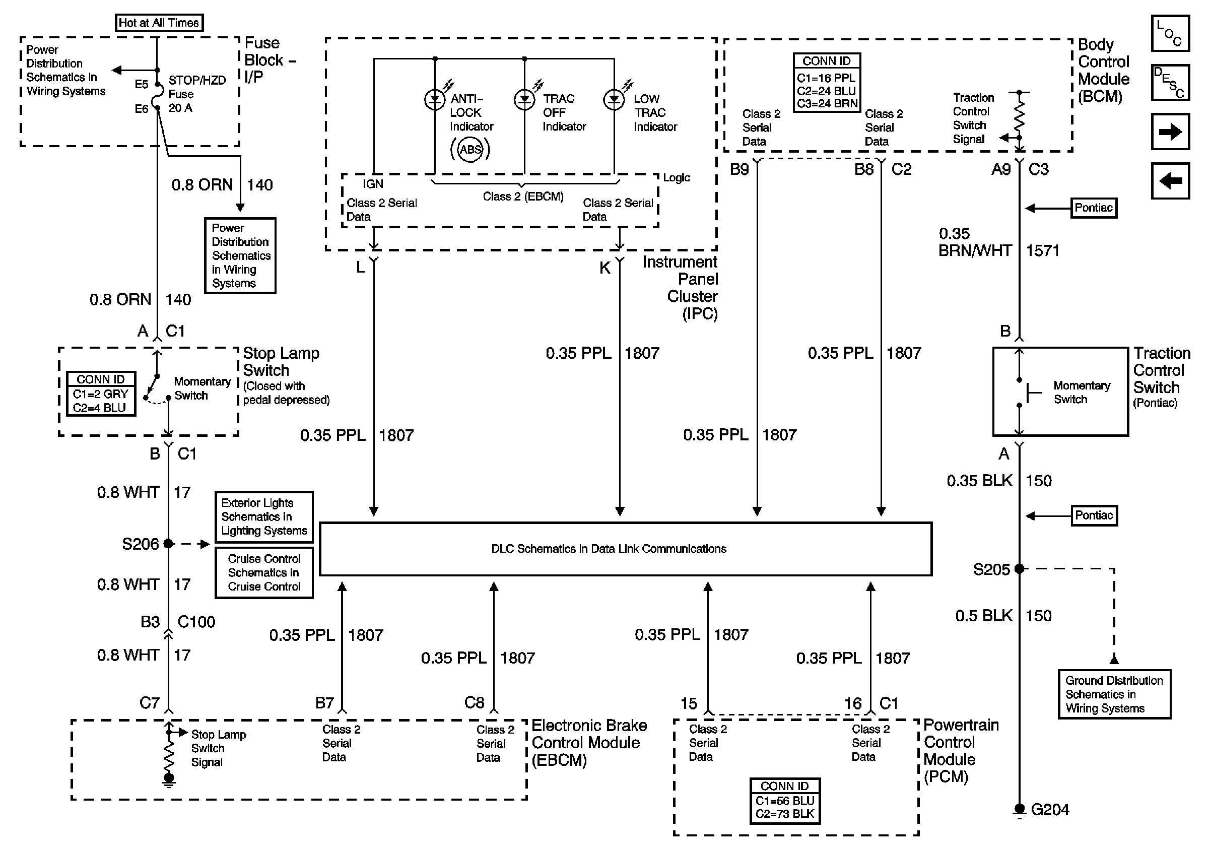
Figure 2:

Indicators and Switches


Object Number: 860380  Size: FS
Master Electrical Component List
ABS Description and Operation
Wheel Speed Sensors
Module Power and Ground
Fuse Block Underhood, BATT 2, Fuse Block I/P, RR DEFOG, PWR ACCC, APO, STOP/HZD, Fuses
Fuse Block Underhood, BATT 2, Fuse Block I/P, RR DEFOG, PWR ACCC, APO, STOP/HZD, Fuses
Lamp Control, Rear Turn Lamps and Indicators
Release Signals
Data Link Communication (DLC)
G204 (PAGE 2 OF 2)
Figure 3:

Wheel Speed Sensors


Object Number: 787955  Size: FS
Master Electrical Component List
ABS Description and Operation
Indicators and Switches
Antilock Brake System Schematic Icons
Antilock Brake System Schematic Icons