GM Service Manual Online
For 1990-2009 cars only
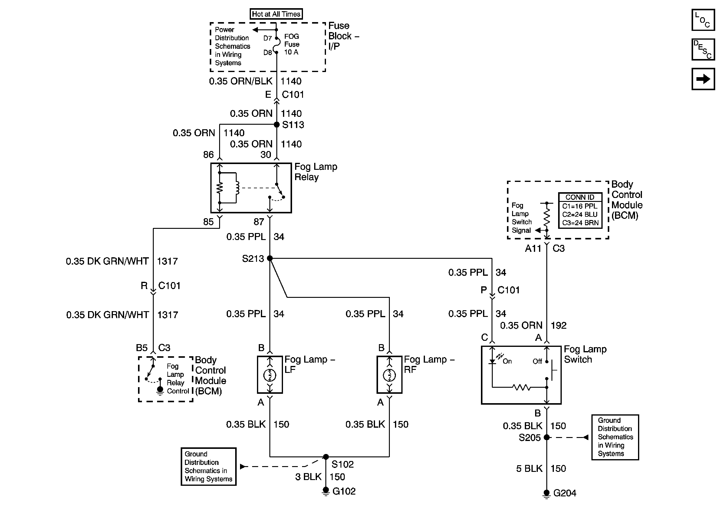
Figure 1:

Front Fog Lamps - Pontiac


Object Number: 893388  Size: FS
Master Electrical Component List
Exterior Lighting Systems Description and Operation
Front Fog Lamps - Chevrolet
Fuse Block - I/P CIG, HORN, LT HDLP, CLUSTR, EXT LP, FOG Fuses and HDLP Circuit Breaker
G102
G204 - Page 1 of 2
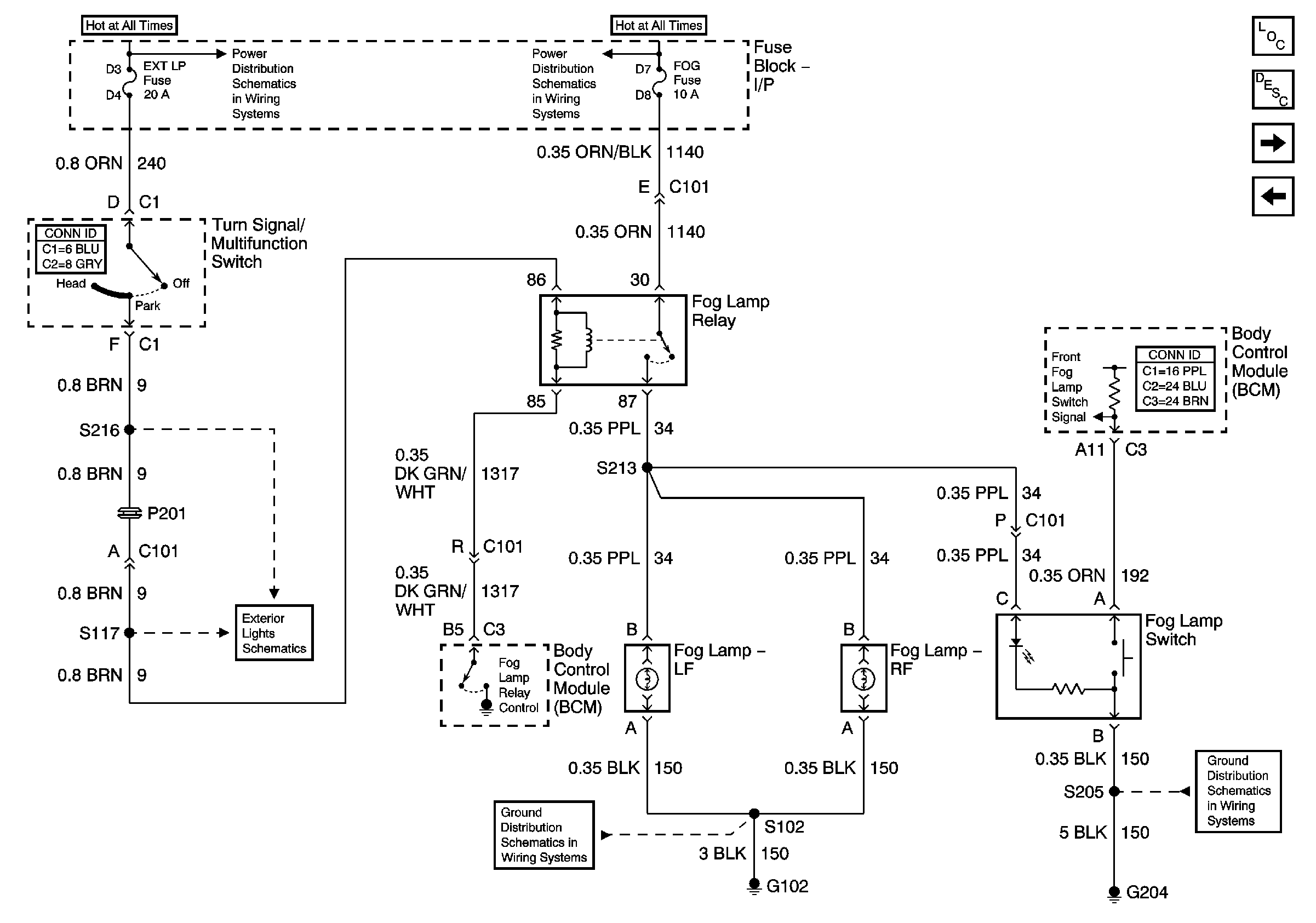
Figure 2:

Front Fog Lamps - Chevrolet


Object Number: 893389  Size: FS
Master Electrical Component List
Exterior Lighting Systems Description and Operation
Fog Lamps - Export
Front Fog Lamps - Pontiac
Fuse Block - I/P CIG, HORN, LT HDLP, CLUSTR, EXT LP, FOG Fuses and HDLP Circuit Breaker
Fuse Block - I/P CIG, HORN, LT HDLP, CLUSTR, EXT LP, FOG Fuses and HDLP Circuit Breaker
Park Lamps and Marker Lamps Controls - Front Pontiac
G102
G204 - Page 1 of 2
Figure 3:

Front Fog Lamps - Export


Object Number: 825164  Size: FS
Master Electrical Component List
Exterior Lighting Systems Description and Operation
Front Fog Lamps - Chevrolet
Fuse Block - I/P CIG, HORN, LT HDLP, CLUSTR, EXT LP, FOG Fuses and HDLP Circuit Breaker
Fuse Block - I/P CIG, HORN, LT HDLP, CLUSTR, EXT LP, FOG Fuses and HDLP Circuit Breaker
Park Lamps and Marker Lamps Controls - Front Pontiac
G304 - Page 2 of 2
G204 - Page 1 of 2