GM Service Manual Online
For 1990-2009 cars only
Figure 1:

G102


Object Number: 887701  Size: FS
Figure 2:

G102, G201, G303


Object Number: 887997  Size: FS
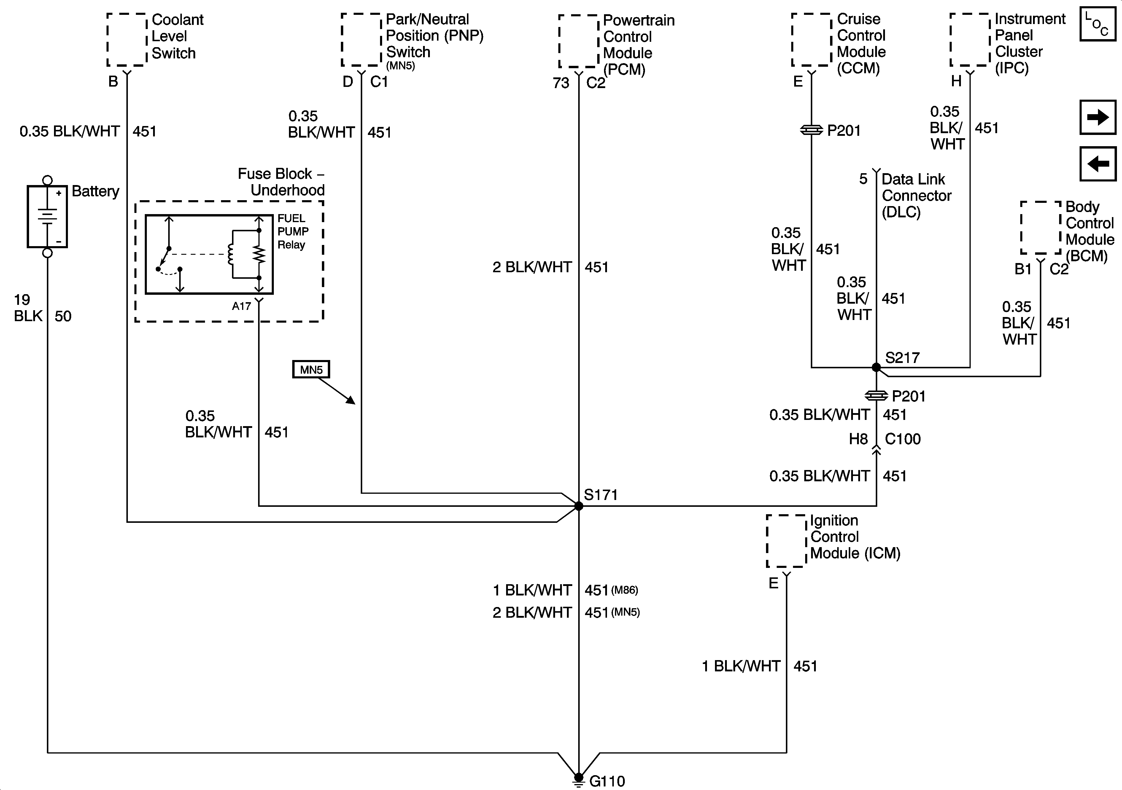
Figure 3:

G110


Object Number: 1400619  Size: FS
Figure 4:

G112


Object Number: 888840  Size: FS
Figure 5:

G204 - Page 1 of 2


Object Number: 1400620  Size: FS
Figure 6:

G204 - Page 2 of 2


Object Number: 888849  Size: FS
Figure 7:

G302


Object Number: 888853  Size: FS
Figure 8:

G304 - Page 1 of 2


Object Number: 888857  Size: FS
Figure 9:

G304 - Page 2 of 2


Object Number: 888859  Size: FS