GM Service Manual Online
For 1990-2009 cars only
Makes
🢒
Pontiac
🢒
2005
🢒
Sunfire
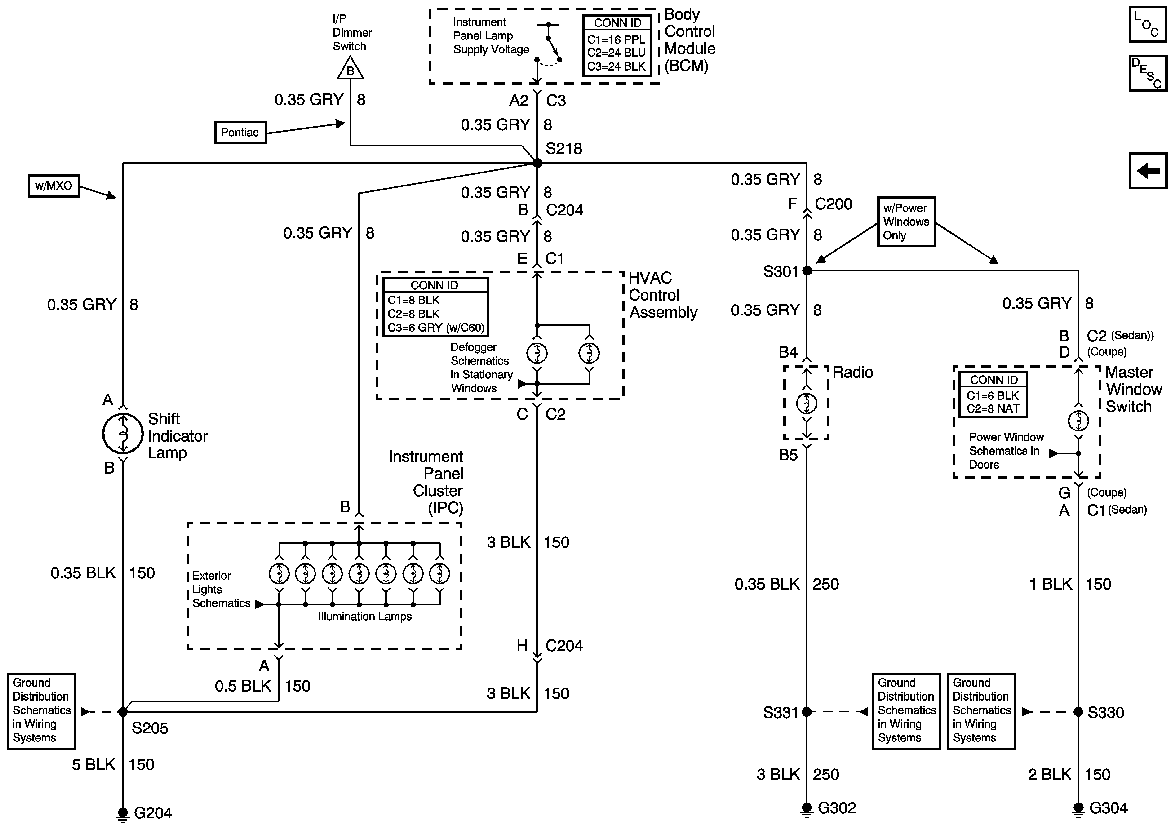
🢒 Interior Controls Illumination Lamps
Interior Controls Illumination Lamps
Interior Controls Illumination Lamps
Master Electrical Component List
Interior Lighting Systems Description and Operation
Front Fog Lamps - Pontiac
Dimmer Controls
Defogger
Windows Power, Ground and Window Controls - Sedan
Lamp Controls, Rear Turn Lamps and Indicators
G204 - Page 1 of 2
G302
G304 - Page 2 of 2