GM Service Manual Online
For 1990-2009 cars only

Removal Procedure

  1. Remove the fuel injector sight shield. Refer to Fuel Injector Sight Shield Replacement .
  2. Drain the coolant until the coolant level is below the thermostat. Refer to Cooling System Draining and Filling .
  3. Remove the crossover exhaust pipe. Refer to Exhaust Crossover Pipe Replacement .
  4. Remove the radiator hose from the thermostat housing. Refer to Radiator Inlet Hose Replacement .

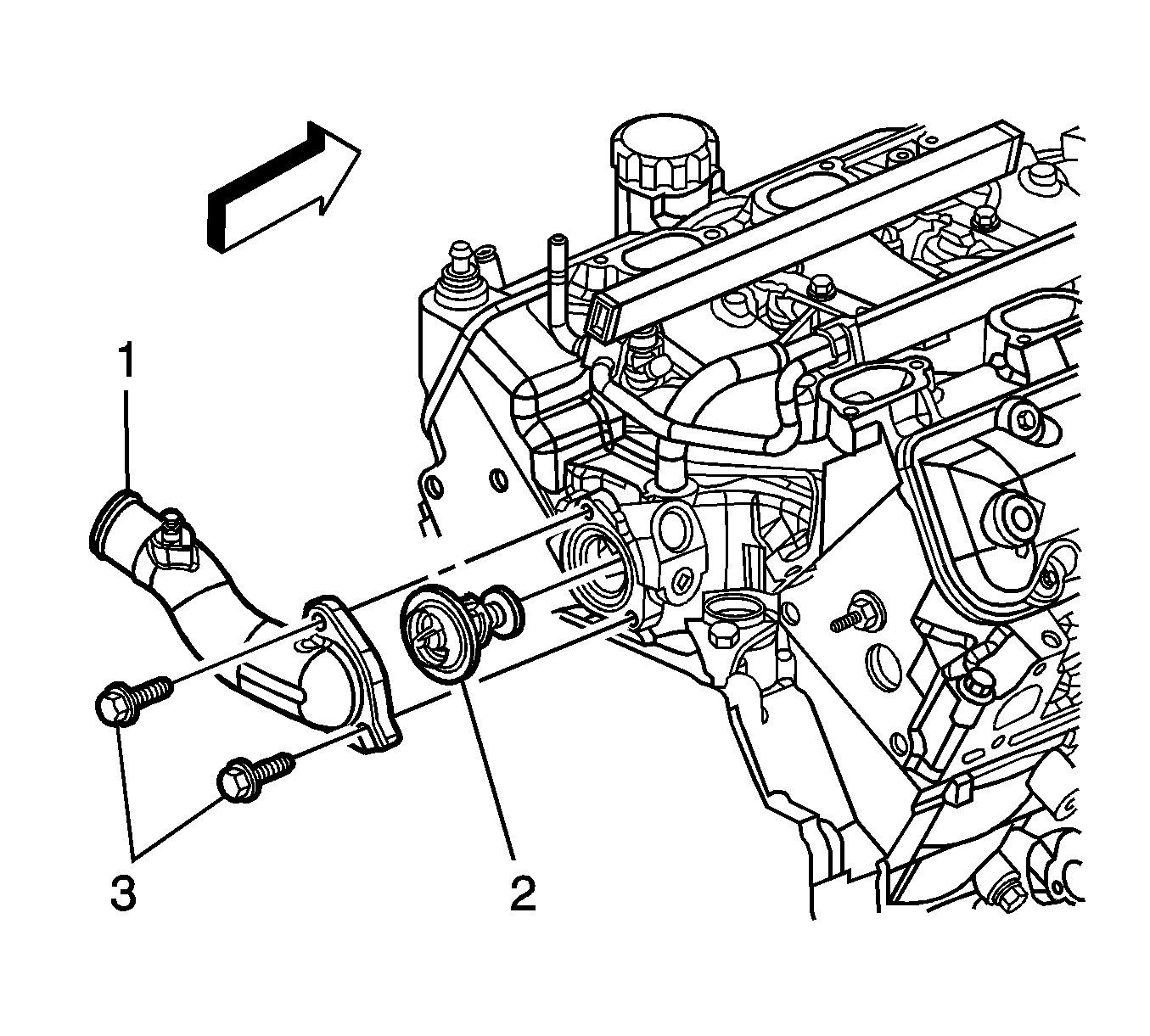
  5. Object Number: 1087344  Size: SH
  6. Remove the thermostat housing bolts (3) and clean any sealer from the bolt threads.
  7. Remove the thermostat housing (1).
  8. Remove the thermostat (2).
  9. Clean the mating surfaces.

Installation Procedure


    Object Number: 1087344  Size: SH
  1. Install the thermostat (2).
  2. Install the thermostat housing (1).
  3. Install RTV sealer, GM P/N 12378478 (Canadian P/N 88900041) or the equivalent, to the thermostat housing bolt threads.
  4. Notice: Refer to Fastener Notice in the Preface section.

  5. Install the thermostat housing bolts (3).
  6. Tighten
    Tighten the bolts to 25 N·m (18 lb ft).

  7. Install the radiator hose to the thermostat housing. Refer to Radiator Inlet Hose Replacement .
  8. Install the crossover exhaust pipe. Refer to Exhaust Crossover Pipe Replacement .
  9. Install the fuel injector sight shield. Refer to Fuel Injector Sight Shield Replacement .
  10. Fill the cooling system. Refer to Cooling System Draining and Filling .
  11. Inspect the cooling system for leaks. Repair as necessary.