GM Service Manual Online
For 1990-2009 cars only

Removal Procedure

  1. Remove the rear door outside handle. Refer to Rear Side Door Outside Handle Replacement .
  2. Remove the rear door window run channel assembly. Refer to Rear Side Door Window Channel Replacement .
  3. Remove the rear door lower speaker. Refer to Radio Rear Side Door Speaker Replacement in Entertainment.
  4. Disconnect the electrical connector rosebuds.

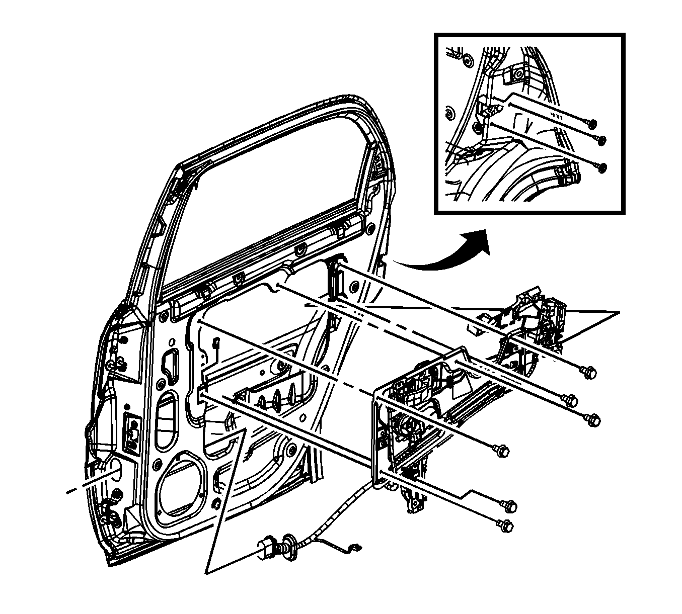
  5. Object Number: 1378605  Size: SH
  6. Loosen the 2 rear module bolts.
  7. Remove the 4 remaining module bolts.
  8. Remove the 3 latch bolts from the door shut face.
  9. Disconnect the door harness at the door jamb.
  10. Remove the window regulator module from the door.

Installation Procedure


    Object Number: 1378605  Size: SH
  1. Install the window regulator module into the door.
  2. Connect the door harness at the door jamb.
  3. Notice: Refer to Fastener Notice in the Preface section.

  4. Install the 3 latch bolts to the door shut face.
  5. Tighten
    Tighten the bolts to 10 N·m (89 lb in).

  6. Install the 4 module bolts.
  7. Tighten
    Tighten the bolts to 8 N·m (71 lb in).

  8. Connect the electrical connector rosebuds.
  9. Install the rear door lower speaker. Refer to Radio Rear Side Door Speaker Replacement in Entertainment.
  10. Install the rear door window run channel assembly. Refer to Rear Side Door Window Channel Replacement .
  11. Install the rear door outside handle. Refer to Rear Side Door Outside Handle Replacement .