GM Service Manual Online
For 1990-2009 cars only
Makes
🢒
Pontiac
🢒
2006
🢒
Torrent
🢒
Body
🢒
Lighting Systems
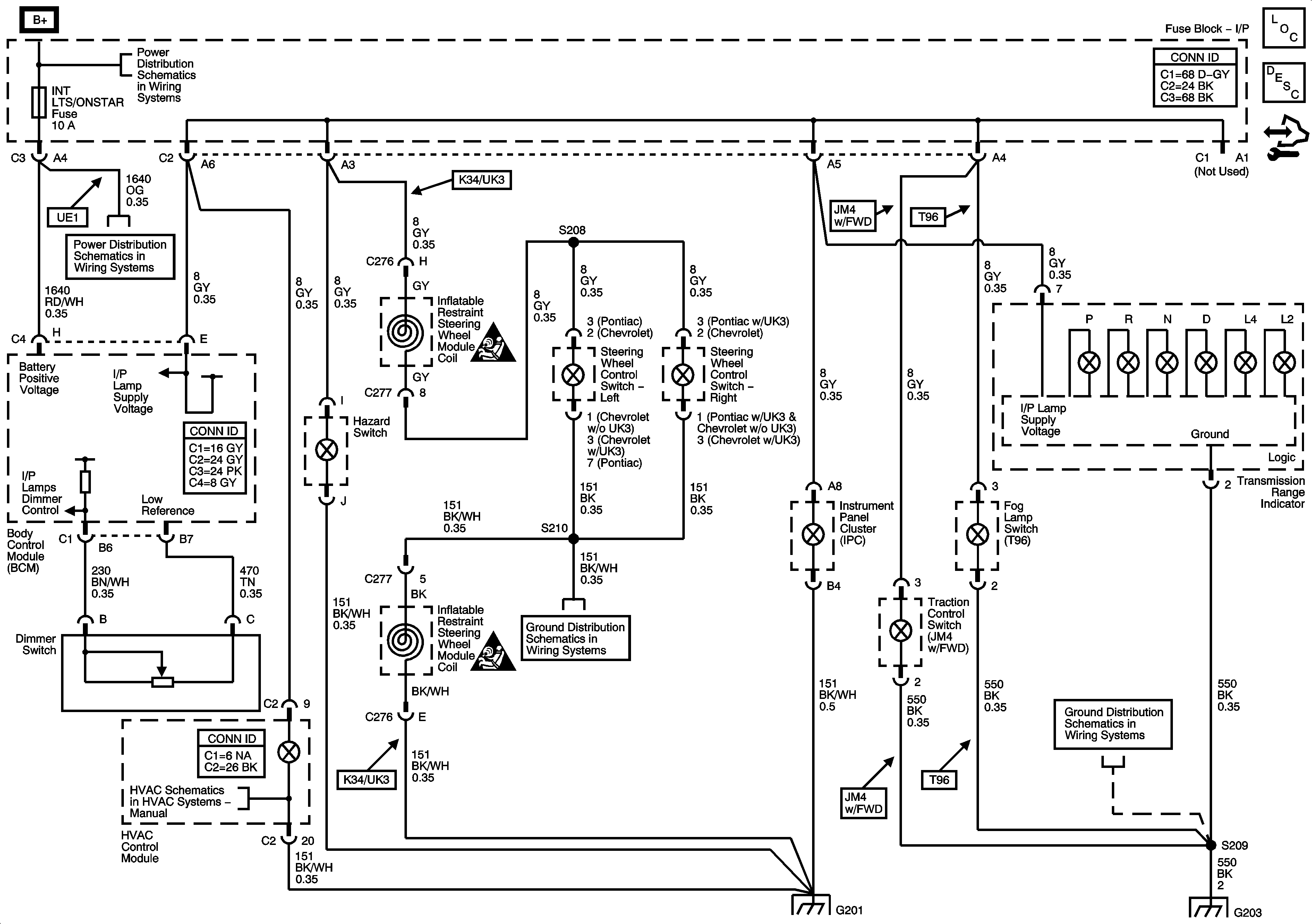
🢒 Interior Lights Dimming Schematics
Master Electrical Component List
Interior Lighting Systems Description and Operation
Control Module References
POWER SEATS CB, LH HDLP, RH HDLP, HTD SEATS, BRAKE, PREMAUD AND BATT FEED FUSES
RADIO, BCM/CLSTR, INT LTS/ONSTAR, PARK, HZRD and LOCK/MIRROR Fuses
Lighting Systems Schematic Icons
Lighting Systems Schematic Icons
G201
G203 and G205
G201
G203 and G205