GM Service Manual Online
For 1990-2009 cars only
Figure 1:

Front of the Vehicle


Object Number: 1381480  Size: MF
(1)Underhood Fuse Block C3, C106 Hidden
(2)Headlamp - Left
(3)G101
(4)Fog Lamp - Left
(5)Cooling Fan S/P Relay
(6)Fog Lamp - Right
(7)Headlamp - Right
Figure 2:

LF Corner of the Engine Compartment


Object Number: 1381488  Size: MF
(1)C106
(2)ECM Connector Harness Breakout
(3)S101, S102
(4)S100
(5) C102
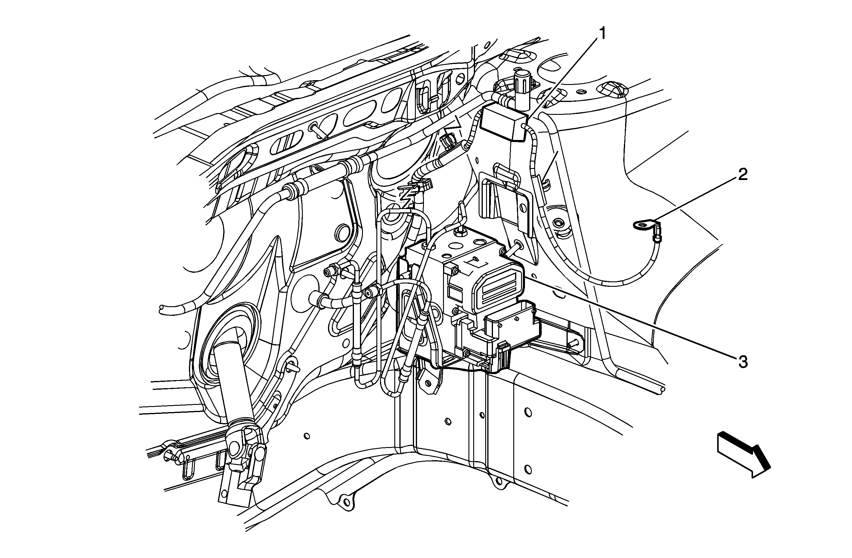
Figure 3:

LR of the Engine Compartment


Object Number: 1383420  Size: LF
(1)Evaporator Temperature Sensor
(2)Brake Fluid Level Switch
(3)C106
(4)C102
(5)Body Harness
(6)C104 - LF Shown, C105 - RF Similar
(7)Electronic Brake Control Module (EBCM)
Figure 4:

Engine Harness


Object Number: 1381502  Size: LF
(1)G107
(2)S101, S102
(3)C102
(4)S100
(5)C100
(6)G105
(7)Starter Motor Leads
Figure 5:

Top Rear Side of the Engine


Object Number: 1381483  Size: LF
(1)Exhaust Gas Recirculation (EGR) Valve
(2)Throttle Actuator Control (TAC) Module
(3)Mass Air Flow (MAF)/Intake Air Temperature (IAT) Sensor
(4)Evaporative Emissions (EVAP) Canister Purge Solenoid
(5)Generator
(6)C150
(7)Heated Oxygen Sensor (HO2S) 1
(8)Engine Coolant Temperature (ECT) Sensor
(9)Ignition Control Module (ICM)
(10)Manifold Absolute Pressure (MAP) Sensor
Figure 6:

Lower Rear Side of the Engine


Object Number: 1381485  Size: MF
(1)Knock Sensor (KS) 1
(2)Crankshaft Position (CKP) Sensor
(3)G107 Lead
Figure 7:

Front of the Engine


Object Number: 1381486  Size: MF
(1)A/C Compressor Clutch
(2)A/C Refrigerant Pressure Sensor
(3)Knock Sensor (KS) 2
(4)Engine Oil Pressure (EOP) Switch
(5)Starter Motor Leads
Figure 8:

Top of the Transmission, Left Side of the Engine Compartment


Object Number: 1381487  Size: MF
(1)G105
(2)Park/Neutral Position (PNP) Switch
(3)A/T Input Speed Shaft (ISS) Sensor
(4)A/T Output Speed Shaft (OSS) Sensor
(5)C100
Figure 9:

LF Suspension


Object Number: 1381491  Size: MF
(1)C104 Left Shown, C105 Right Similar
(2)Wheel Speed Sensor (WSS) - LF, RF Similar
Figure 10:

Electronic Power Steering Harness, Underhood Side


Object Number: 1381493  Size: MF
(1)EPS Inline Fuse Holder
(2)PSCM Harness Connection to the Underhood Fuse Block
(3)Electronic Brake Control Module (EBCM)
Figure 11:

Electronic Power Steering Harness, I/P Side


Object Number: 1381492  Size: MF
(1)G207
(2)Power Steering Control Module (PSCM)
(3)Power Steering Control Module (PSCM) C3 - EPS Motor Pigtail
(4)Power Steering Control Module (PSCM) C1
Figure 12:

I/P Harness


Object Number: 1381482  Size: LF
(1)C303
(2)C276
(3)C275
(4)SP200
(5)S203
(6)C204
(7)C200
(8)VCIM Coax Connectors
(9)S200
(10)G203
(11)C202
(12)C300
(13)C304
(14)S205
(15)C311
(16)G201
(17)C308
(18)C307
(19)Inflatable Restraint Sensing and Diagnostic Module (SDM)
Figure 13:

Cellular and Navigation Antenna Coax Harness Routing


Object Number: 1456876  Size: LF
(1)Cellular and Navigation Antenna - Coax Connectors
(2)C205 - Coax Connector
(3)I/P Harness
Figure 14:

Center Console


Object Number: 1381490  Size: MF
(1)C301
(2)Body Harness
(3)Cigar Lighter
(4)Auxiliary Power Outlet - Front
Figure 15:

Left Side of the I/P, Steering Column Connections


Object Number: 1381734  Size: LF
(1)Headlamp Switch
(2)Power Steering Control Module (PSCM) C2
(3)S200
(4)I/P Harness
(5)Ignition Switch
(6)Passlock Sensor
(7)Windshield Wiper/Washer Switch
Figure 16:

SIR Coil Harness Routing


Object Number: 1654537  Size: MF
(1)C275
(2)C276
(3)C277
(4)Inflatable Restraint Steering Wheel Module C1
(5)Inflatable Restraint Steering Wheel Module C2
(6)Inflatable Restraint Steering wheel Module Coil
(7)Steering Column Fuse Holder
Figure 17:

Under the LF Seat


Object Number: 1383848  Size: MF
(1)Seat Adjuster Switch - Driver
(2)Heated Seat Switch - Driver, Front Passenger Similar
(3)Seat Rear Vertical Motor - Driver
(4)Seat Front Vertical Motor - Driver
(5)G301
(6)C310
(7)C305 - Driver Seat, C306 - Front Passenger Seat
(8)Body Harness
(9)Seat Horizontal Motor - Driver
(10)Heated Seat Control Module - Driver, (KA1) Front Passenger Similar
Figure 18:

Under the RF Seat


Object Number: 1383853  Size: MF
(1)RF Seat Harness
(2)Body Harness
(3)C306
Figure 19:

Left Front of the Passenger Compartment


Object Number: 1885909  Size: LF
(1)G205
(2)S304
(3)C305
(4)G301
(5)C200
(6)C500
Figure 20:

Right Front of the Passenger Compartment


Object Number: 1885911  Size: LF
(1)C311
(2)C600
(3)C204
(4)C306
(5)C301
(6)C305
(7)S309
(8)S306
(9)Power Window Switch - Main
(10)I/P Fuse Block C1
Figure 21:

Left Side of the Passenger Compartment


Object Number: 1383414  Size: MF
(1)C700
(2)Seat Belt Pretensioner - Left
(3)Body Harness
Figure 22:

Right Side of the Passenger Compartment


Object Number: 1383415  Size: LF
(1)Seat Belt Pretensioner - Right
(2)C800
(3)Body Harness
(4)Amplifier C1 (U65)
(5)Amplifier C2 (U65)
Figure 23:

Left Side of the Luggage Compartment


Object Number: 1383416  Size: LF
(1)C400
(2)Digital Radio Receiver (U2K)
(3)C300
(4)C402
(5)C403
(6)Body Harness
(7)G401
(8)S403, S404
(9)Tail Lamp - Left
Figure 24:

Right Side of the Luggage Compartment


Object Number: 1383417  Size: LF
(1)Body Harness
(2)C302 (CF5)
(3)Auxiliary Power Outlet - Rear
(4)C401
(5)Tail Lamp - Right
(6)S405, S406
(7)Speaker - Subwoofer (U65)
(8)G403
Figure 25:

Under the RR of the Vehicle


Object Number: 1383844  Size: MF
(1)RR Pass-Through
(2)Body Harness
(3)C406
(4)C404
Figure 26:

Right Side of the Headliner


Object Number: 1381738  Size: MF
(1)Sunroof Control Module
(2)Sunroof Motor/Limit Switch
(3)C302
(4)Sunroof Harness
Figure 27:

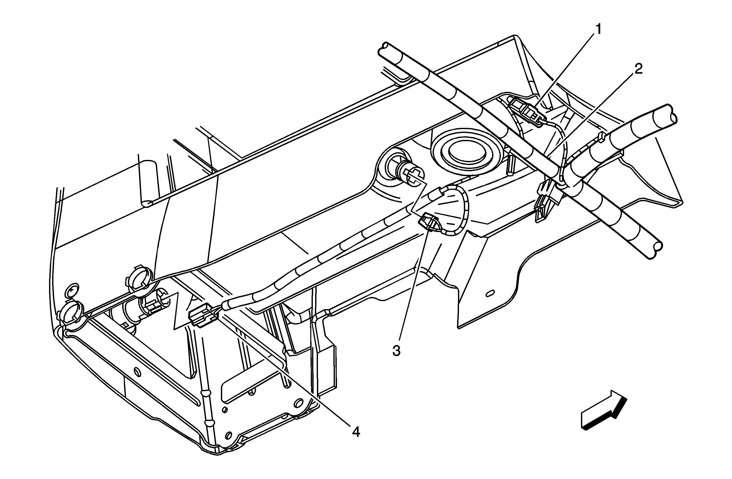
Under the Rear of the Vehicle


Object Number: 1381481  Size: LF
(1)Fuel Tank Harness
(2) C406
(3)Rear ABS Wheel Speed Sensor (WSS) Harness
(4)C404
(5) Wheel Speed Sensor (WSS) Connector - RR Shown, LR Similar
(6) Wheel Speed Sensor (WSS) - RR Shown, LR Similar
Figure 28:

Trailer Connector Harness


Object Number: 1381495  Size: LF
(1)C312 - Trailer Connector Adapter to the Body Harness
(2)Trailer Connector Adapter
(3)C313 - Trailer Connector Adapter Pigtail
(4)C313 - Trailer Hitch Harness Side
(5)Trailer Connector
Figure 29:

Liftgate


Object Number: 1381489  Size: LF
(1)Rear Defogger Grid C2
(2)Liftgate Jumper Harness
(3)C402
(4)C403
(5)C901
(6)C900
(7)Rear Defogger Grid C1
(8)Liftgate Harness
(9)S901
(10)C902
(11)Left License Lamp Jumper Harness
(12)S900
(13)Liftgate Latch
(14)Rear Wiper Motor
(15)C903
(16)Right License Lamp Jumper Harness