GM Service Manual Online
For 1990-2009 cars only
Makes
🢒
Pontiac
🢒
2006
🢒
Torrent
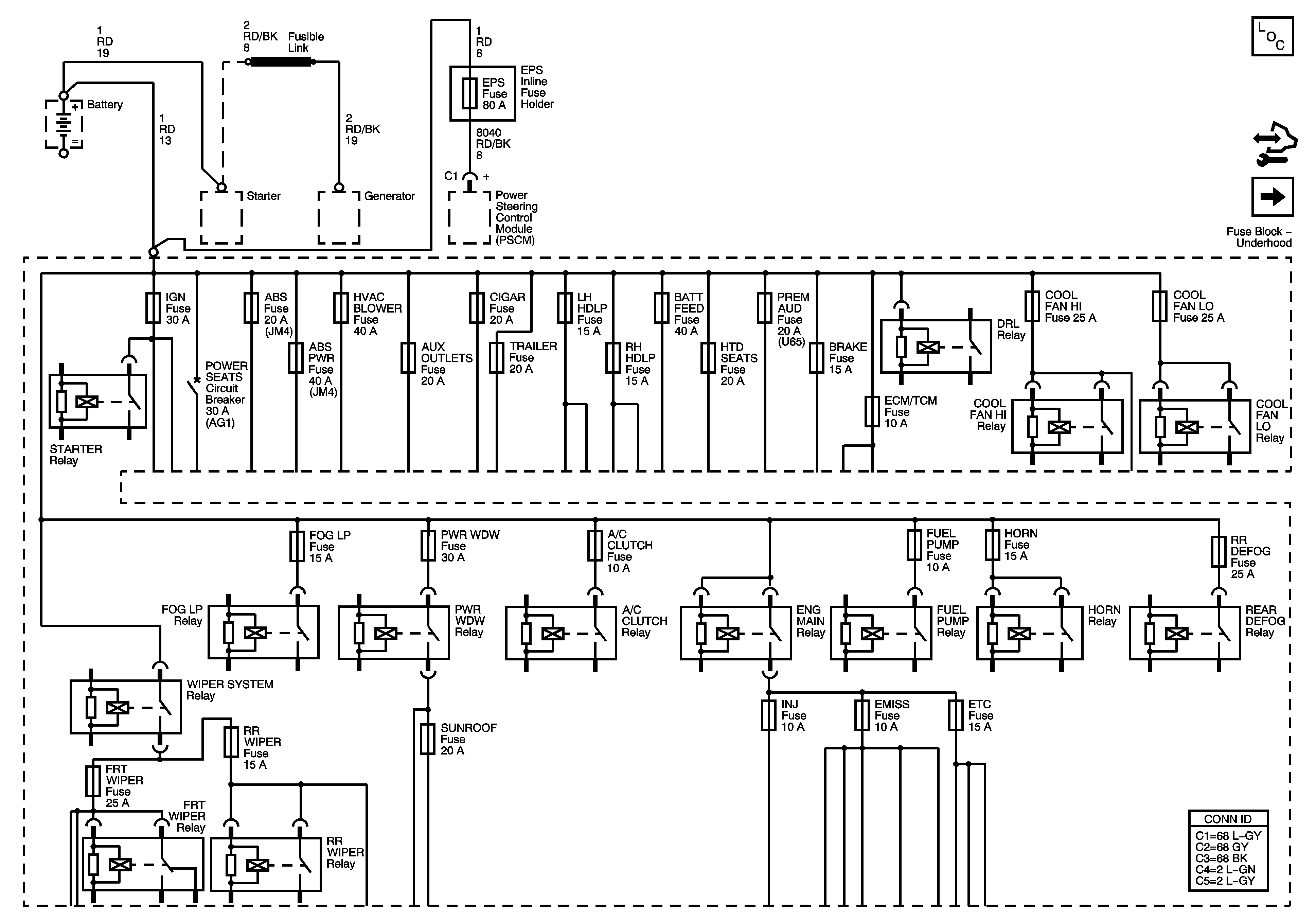
🢒 B+ Bus and EPS Fuse
B+ Bus and EPS Fuse
B+ Bus and EPS Fuse
Master Electrical Component List
Control Module References
PWR WDW, SUNROOF, 20A ABS, 40A ABS, HVAC BLOWER, AUX OUTLETS, TRAILER, CIGAR AND ECM/TCM Fuses