GM Service Manual Online
For 1990-2009 cars only
Makes
🢒
Pontiac
🢒
2006
🢒
Torrent
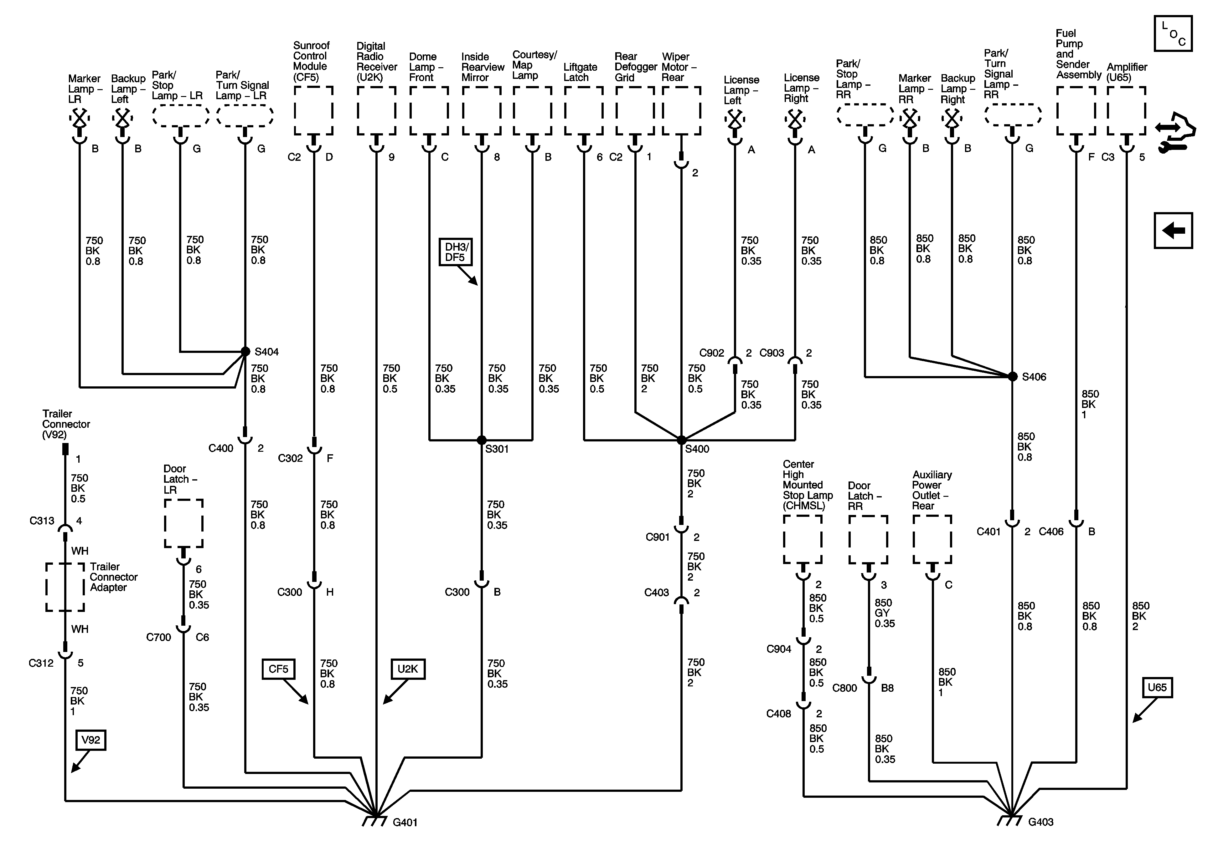
🢒 G401 and G403
G401 and G403
G401 and G403
Master Electrical Component List
Control Module References
G301