GM Service Manual Online
For 1990-2009 cars only
Makes
🢒
Pontiac
🢒
2007
🢒
Torrent
🢒
Engine
🢒
Engine Mechanical - 3.4L
🢒 Engine Front Cover Removal
Remove the heater outlet pipe adapter bolt (308) and adapter (319).
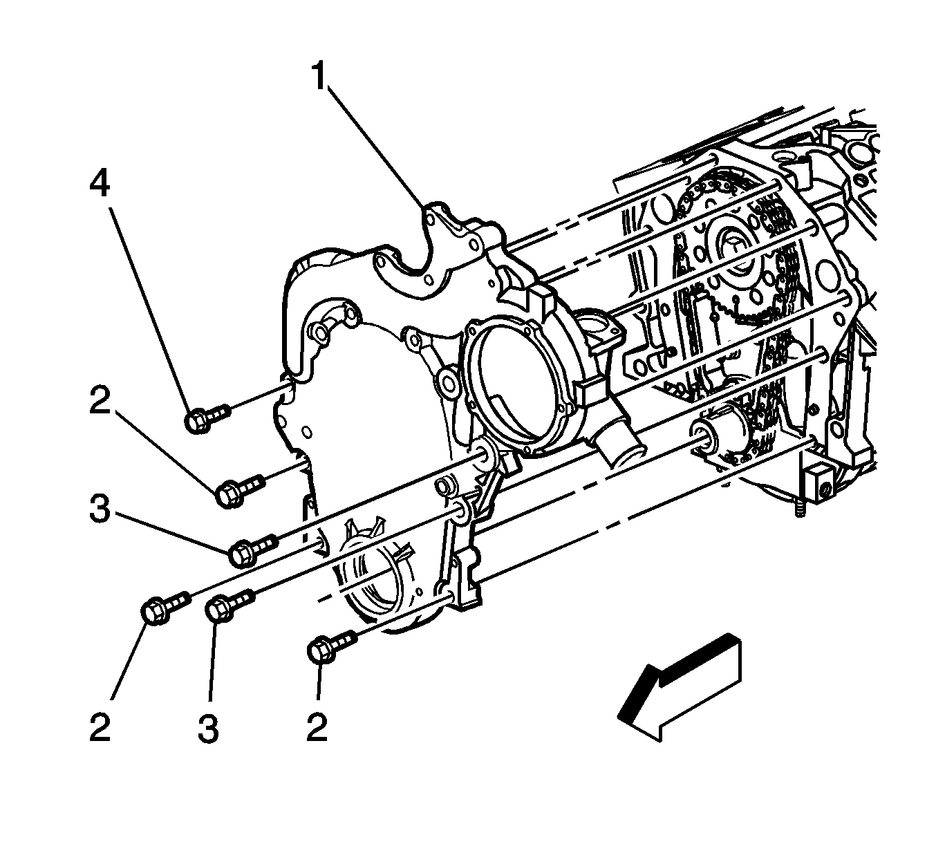
Remove the right engine mount bracket bolts (2-4).
Remove the right engine mount bracket (1).
Remove the engine front cover bolts (2-4).
Remove the engine front cover (1).