GM Service Manual Online
For 1990-2009 cars only

Installation Procedure

Tools Required

    • J 28467-B Universal Engine Support Fixture
    • J 36462-A Engine Support Adapter Leg Set
    • J-28467-13 Engine Support Fixture Adapters
    • GM P/N 11519137 4 Studs or equivalent
  1. Remove the fuel injector sight shield. Refer to Fuel Injector Sight Shield Replacement .

  2. Object Number: 1370527  Size: SH
  3. Pull each end of the hood rear seal away from the cowl panel flange near both strut towers.
  4. Notice: Refer to Fastener Notice in the Preface section.


    Object Number: 1467198  Size: SH
  5. Replace 2 strut bolts with studs GM P/N 11519137 on right and left sides of the vehicle for installation of support fixture.
  6. Tighten
    Tighten the studs to 25 N·m (18 lb ft).


    Object Number: 1310607  Size: SH
  7. Install the J-28467-13  (1) and J 28467-5  strut tower adapter (2) to the top of the right strut tower.

  8. Object Number: 1310649  Size: SH
  9. Install the J-28467-13  (2) and J 28467-5  strut tower adapter (1) to the top of the left strut tower.

  10. Object Number: 1310654  Size: SH
  11. Install a 127 cm (50 in) engine support fixture cross bar (2) transversely across the vehicle between both J 28467-5  strut tower adapters.
  12. Insert safety pins (1, 3) through the J 28467-5  strut tower adapters and the cross bar (2) to prevent movement.
  13. Important: If 58 cm (23 in) length engine support cross bar is not available it may be necessary to remove the vehicle hood for additional clearance if a longer cross bar is to be substituted.


    Object Number: 1310662  Size: SH
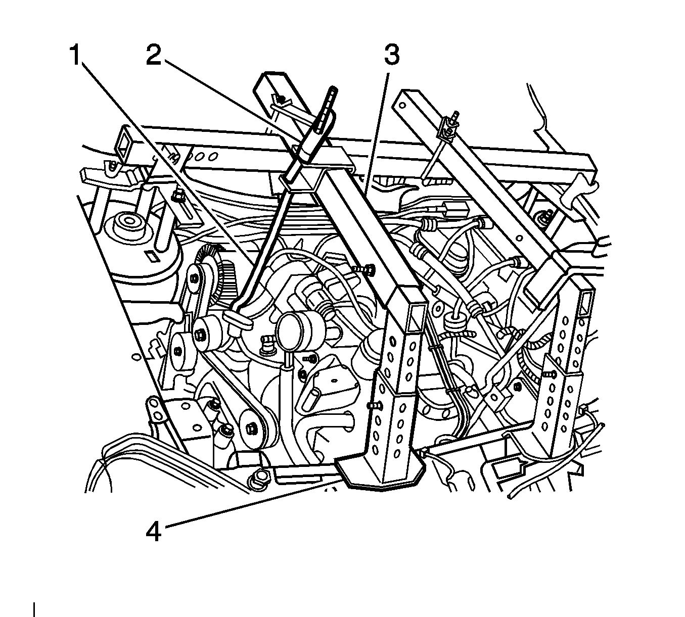
  14. Position a 58 cm (23 in) engine support fixture cross bar (1) longitudinally with J 36462-A leg assembly (3) next to the rear engine lift bracket.
  15. Install a J 28467-1A  clamp (2) to secure the longitudinal mounted cross bar to the transverse mounted cross bar.

  16. Object Number: 682139  Size: SH
  17. Insert a J 28467-7A lift hook through a J 28467-6 bracket and install a J 28467-34 wing nut.

  18. Object Number: 682301  Size: SH
  19. Install the lift hook and bracket assembly (1) to the longitudinal mounted cross bar (2).

  20. Object Number: 1310651  Size: SH
  21. Position the J 28467-7A lift hook to the rear engine lift bracket (2).
  22. Tighten the J 28467-34  wing nut (1) until all free slack is removed from the J 28467-7A bolt hook.
  23. Important: If 58 cm (23 in) length engine support cross bar is not available it may be necessary to remove the vehicle hood for additional clearance if a longer cross bar is to be substituted.


    Object Number: 1403682  Size: SH
  24. Position a 58 cm (23 in) engine support fixture cross bar (3) longitudinally with J 36462-A leg assembly (4) next to the front engine lift bracket.
  25. Install a J 28467-1A clamp to secure the longitudinal mounted cross bar to the transverse mounted cross bar.

  26. Object Number: 682139  Size: SH
  27. Insert a J 28467-7A lift hook through a J 28467-6  bracket and install a J 28467-34  wing nut.

  28. Object Number: 682301  Size: SH
  29. Install the lift hook and bracket assembly (1) to the longitudinal mounted cross bar (2).

  30. Object Number: 1403682  Size: SH
  31. Position the J 28467-7A bolt hook (1) to the front engine lift bracket.
  32. Tighten the J 28467-34  wing nut (2) until all free slack is removed from the J 28467-7A lift hook (1).
  33. Evenly tighten both wing nuts until the engine weight is supported by the engine support fixture and no longer carried by the engine mounts.
  34. Notice: Refer to Fastener Notice in the Preface section.


    Object Number: 1467198  Size: SH
  35. After removing the engine support fixture, replace the temporary strut studs with the original strut bolts.
  36. Tighten
    Tighten the studs to 25 N·m (18 lb ft).