- Install the upper intake manifold gaskets (1) to the lower intake manifold and install the fir tree retainers to retain the
upper intake manifold gasket position.
- Install the upper intake manifold (2).
- Install the spark plug wire retainer (3).
Notice: Refer to Fastener Notice in the Preface section.
- Apply threadlock GM P/N 12345382 (Canadian P/N 10953489) to the bolt threads. Install the upper intake manifold bolts (4, 5).
Tighten
Tighten the bolts to 25 N·m (18 lb ft).
- If the upper manifold was replaced, complete the following steps:
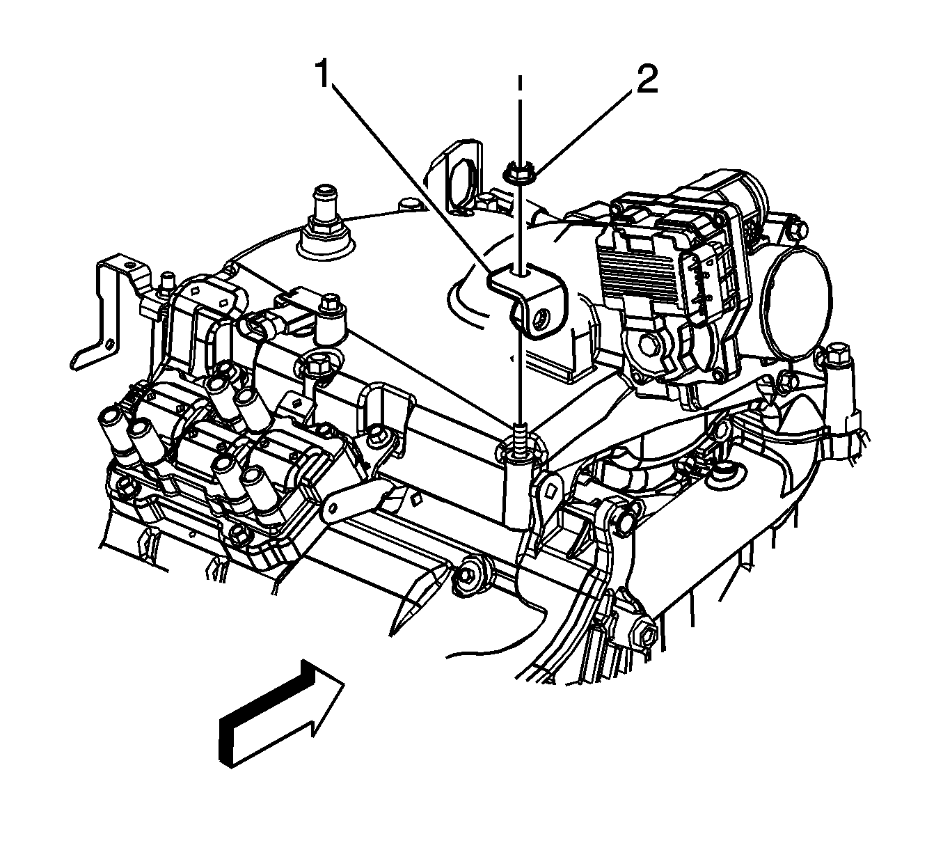
- Install the generator brace (1).
- Install the generator brace nut (2).
Tighten
Tighten the nut to 25 N·m (18 lb ft).
- Fully insert the generator attachment bolt most near the intake manifold.
Tighten
Tighten the bolt to 25 N·m (18 lb ft).
- Install the PCV foul air hose. Refer to
Positive Crankcase Ventilation Hose/Pipe/Tube Replacement
.
- Install the EGR pipe. Refer to
Exhaust Gas Recirculation Pipe Replacement
.
- Position the heater outlet pipe to the throttle body and the upper intake manifold.
- Install the heater outlet pipe nuts (2) to the throttle body.
Tighten
Tighten the nut to 10 N·m (89 lb in).
- Install the heater outlet pipe bolt (3) to the throttle body.
Tighten
Tighten the bolt to 10 N·m (89 lb in).
- Install the heater outlet pipe nut (4) to the upper intake manifold.
Tighten
Tighten the nut to 25 N·m (18 lb ft).
- Install the air cleaner intake duct. Refer to
Air Cleaner Inlet Duct Replacement
.
- Install the ignition control module bracket . Refer to
Ignition Control Module Bracket Replacement
.
- Connect the left side spark plug wires (1) to the spark plugs and to the spark plug wire retainers. Refer to
Spark Plug Wire Replacement
.
- Connect the brake booster vacuum hose (2) to the intake manifold.
- Install the clamp (1) to the brake booster vacuum hose connection.
- Install the fuel injector sight shield. Refer to
Fuel Injector Sight Shield Replacement
.