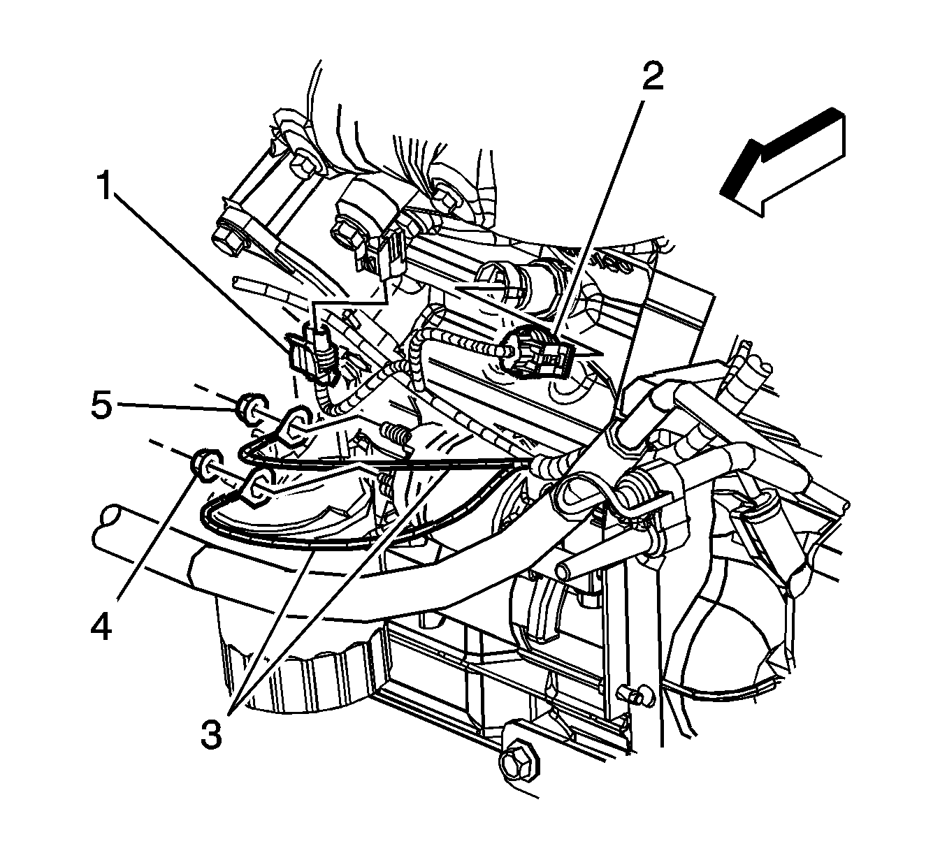
Notice: Refer to Component Fastener Tightening Notice in the Preface section.
Tighten Tighten the switch to 16 N·m (12 lb ft).