GM Service Manual Online
For 1990-2009 cars only
Figure 1:

Case and Associated Parts (1 of 2)


Object Number: 1826625  Size: LF
(1)Torque Converter Assembly
(2)Automatic Transmission Fluid Pump, 2nd Coast Clutch, 2nd Clutch Assembly
(3)Torque Converter Housing Stud (M8 x 1.25 x 30) (1)
(4)Torque Converter Housing Bolt/Screw (M8 x 1.25 x 30) (12)
(5)Automatic Transmission Fluid Pump to Case Bolt - Coated (M8 x 1.25 x 28) (8)
(6)Torque Converter Housing Bolt/Screw - Coated (M8 x 1.25 x 35) (2)
(7)Torque Converter Housing Bolt/Screw (M8 x 1.25 x 45)
(8)Torque Converter Housing Bolt/Screw -TORX, (M8 x 1.25 x 30)
(10)Torque Converter Housing Assembly
(11)2nd Clutch Hub and 2nd Clutch Sprag Assembly
(12)Output Gear Assembly
(13)Front Differential Assembly - Model Dependent
(14)Front Differential Transfer Drive Gear Assembly - with shaft
(15)4-5 Clutch Assembly
(16)3rd Gear Band Assembly
(17)Automatic Transmission Case Assembly
(18)1-2 Reverse Carrier Gear Assembly
(19)Automatic Transmission Case Cover and 1-2 Reverse Clutch Assembly
(20)Transmission Case Cover Bolt/Screw (M8 x 1.25 x 30) (8) - Coated
(21)Transmission Case Cover Bolt/Screw - Coated (M8 x 1.25 x 48) (2)
(22)Transmission Case Cover Bolt/Screw (M8 x 1.25 x 45) (2)
(23)Forward and Direct Clutch Assembly
(24)Front Carrier Sun Gear Assembly
(25)Front Internal Gear and Overrun Roller Clutch
(26)Low and Reverse Clutch Plates - Fibers and Steels (B3)
(27)Low and Reverse Clutch Piston Assembly
(28)Control Valve Body Cover Bolt/Screw - TORX® (M8 x 1.25 x 15.5) (9)
(29)Control Valve Body Cover
(30)Control Valve Body Bolt/Screw (M6 x 1.0 x 50) (4)
(31)Fluid Temperature Sensor Clip Bolt (M6 x 1.0 x 55)
(32)Automatic Transmission Fluid Temperature Sensor O-ring Seal
(33)Automatic Transmission Wiring Harness Assembly
(34)Control Valve Body Bolt/Screw (M6 x 1.0 x 16) (2)
(35)Control Valve Body Bolt/Screw (M6 x 1.0 x 28) (2)
(36)Automatic Transmission Fluid Temperature Sensor
(37)Control Valve Body Fluid Passage Cover
(38)Control Valve Body Fluid Passage Cover Gasket
(39)Automatic Transmission Control Valve Body Assembly
(40)Automatic Transmission Case Fluid Passage Cover
(41)Automatic Transmission Case Fluid Passage Cover Bolt/Screw (M6 x 1.0 x 14) (2)
(42)Automatic Transmission Fluid Filter Assembly
(43)Automatic Transmission Fluid Filter Bolt/Screw (M6 x 1.0 x 16.7)
(44)Automatic Transmission Fluid Baffle
(45)Transmission Fluid Baffle Bolt/Screw (M6 x 1.0 x 14.0) (3)
(46)Automatic Transmission Wiring Connector O-ring Seal
(47)Control Valve Body Bolt/Screw (M6 x 1.0 x 55) (3)
(48)Output Gear Retaining Ring
(49)Automatic Transmission Fluid Temperature Sensor Clip
(69)Automatic Transmission Control Wiring Harness Connector Retainer
(72)TCM Seal
(74)Transmission Case Cover Double Stud (M8 x 1.25 x 30/M6 x 1.0 x 10)
(77)Transmission Case Cover Bolt/Screw 1st design (M8 x 1.25 x 78)2nd design (M8 x 1.25 x 30)
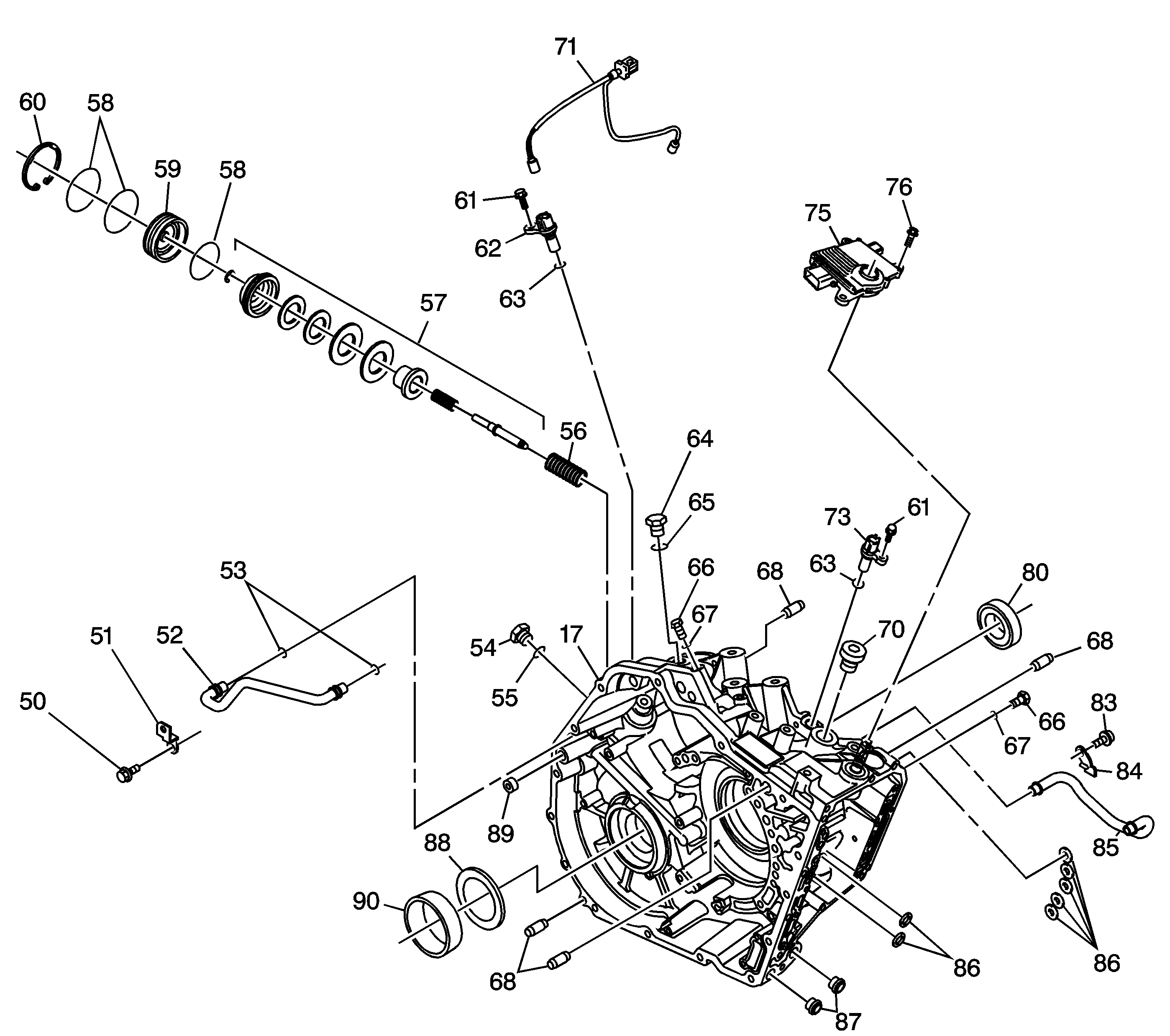
Figure 2:

Case and Associated Parts (2 of 2)


Object Number: 1826636  Size: LF
(17)Automatic Transmission Case Assembly
(50)3rd Gear Band Apply Tube Retainer Bolt/Screw (M6 x 1.0 x 14) (2)
(51)3rd Gear Band Apply Tube Retainer
(52)3rd Gear Band Apply Tube
(53)3rd Gear Band Apply Tube O-ring Seal
(54)Automatic Transmission Case Plug (M20 x 1.5 x 13.5)
(55)Automatic Transmission Case Plug O-ring Seal
(56)3rd Gear Band Servo Spring
(57)3rd Gear Band Servo Piston Assembly - Selective
(58)3rd Gear Band Servo Piston and Cover O-ring Seal (3)
(58)3rd Gear Band Servo Piston and Cover O-ring Seal (3)
(59)3rd Gear Band Servo Cover
(60)3rd Gear Servo Cover Retaining Ring
(61)Automatic Transmission Speed Sensor Bolt/Screw (M6 x 1.0 x 16) (2)
(62)Automatic Transmission Output Speed Sensor Assembly
(63)Automatic Transmission Speed Sensor O-ring Seal (2)
(64)3rd Gear Band Anchor Bolt/Screw (M20 x 1.5 x 21)
(65)3rd Gear Band Anchor Bolt O-ring Seal
(66)Automatic Transmission Fluid Pressure Test Hole Plug (UNF 5/16-24-2A) (2)
(66)Automatic Transmission Fluid Pressure Test Hole Plug (UNF 5/16-24-2A) (2)
(67)Automatic Transmission Fluid Pressure Test Hole Plug O-ring Seal (2)
(68)Transmission Case Locating Pin (4)
(68)Transmission Case Locating Pin (4)
(68)Transmission Case Locating Pin (4)
(70)Lube Fill Plug
(71)Automatic Transmission Input and Output Speed Sensor Harness
(73)Automatic Transmission Input Speed Sensor Assembly
(75)Transmission Control Module (TCM)
(76)TCM Bolt (M6 x 1.0 x 16)
(80)Front Wheel Drive Shaft Oil Seal
(83)Lube Fluid Pipe Retainer Bolt/Screw (M6 x 1.0 x 19.5)
(84)Lube Fluid Pipe Retainer
(85)Lube Fluid Pipe
(86)Automatic Transmission Case Fluid Passage Seal (7)
(86)Automatic Transmission Case Fluid Passage Seal (7)
(87)Transmission Fluid Cooler Pipe Fitting Seal (2)
(88)Front Differential Side Gear Shim - Selective
(89)Automatic Transmission Case Fluid Passage Seal
(90)Front Differential Bearing Race
Figure 3:

Torque Converter Housing Assembly


Object Number: 1826641  Size: LF
(800)Front Differential Carrier Seal Assembly - AWD Only
(801)Torque Converter Housing Assembly
(802)Front Differential Transfer Drive Gear Front Lube O-ring Seal
(803)Automatic Transmission Fluid Baffle
(804)Lube Fluid Pipe
(805)Lube Fluid Pipe Retainer
(806)Lube Fluid Pipe Retainer Bolt/Screw (M6 x 1.0 x 14)
(807)Transmission Fluid Baffle Bolt/Screw (M6 x 1.0 x 14) (3)
(808)Transmission Chip Collector Magnet (4)
(809)Automatic Transmission Case Plug (M18 x 1.5 x 10.5)
(810)Automatic Transmission Case Plug (UNF 5/16-24-2A)
(811)Automatic Transmission Case Plug O-ring Seal
(812)Transmission Vent Pipe
(813)Transmission Vent Hose Clip
(813)Transmission Vent Hose Clip
(814)Transmission Vent Hose
(815)Automatic Transmission Vent Assembly
(816)Front Differential Transfer Drive Gear Assembly Front Bearing Assembly
(817)Front Differential Assembly Bearing Race
(819)Transmission Fluid Drain Plug
(820)Transmission Fluid Drain Plug Washer
(821)Automatic Transmission Case Plug O-ring Seal
(822)Transmission Vent Hose Retainer
(823)Transmission Fluid Level Indicator Assembly
(824)Transmission Fluid Level Indicator Seal
(825)Transmission Fluid Level Indicator Bolt/Screw (M8 x 1.25 x 25)
Figure 4:

Fluid Pump, Second Coast and Second Clutch Assemblies


Object Number: 1826645  Size: LF
(200)Automatic Transmission Fluid Pump Body Seal Assembly
(202)Fluid Pump Body
(203)Fluid Pump Body to Fluid Pump Stator Shaft Assembly Alignment Pin (2)
(203)Fluid Pump Body to Fluid Pump Cover Assembly Alignment Pin (2)
(204)Fluid Pump Driven Gear (Selective)
(205)Fluid Pump Drive Gear (Selective)
(206)Automatic Transmission Fluid Pump O-ring Seal
(207)Fluid Pump Plate
(208)Fluid Pump Cover and Stator Shaft Assembly
(209)Second Clutch Piston Outer Seal
(210)Second Clutch Piston
(211)Second Clutch Piston Sleeve Outer Seal
(212)Second Clutch Piston Sleeve
(213)Second Clutch Piston Sleeve Inner Seal
(214)Second Clutch Spring Retaining Ring
(215)Second Clutch Spring Assembly
(217)Second Clutch Plate Assembly - Fiber (4)
(218)Second Clutch Plate - Steel (4)
(219)Second Clutch Backing Plate - Steel (Selective)
(220)Second Clutch Backing Plate Retaining Ring
(221)Second Coast Clutch Piston Inner Seal
(222)Second Coast Clutch Piston
(223)Second Coast Clutch Piston Outer Seal
(224)Second Coast Clutch Spring
(225)Second Coast Clutch Spring Retaining Ring
(226)Coast Clutch Hub Thrust Washer
(227)Second Coast Clutch Plate - Steel (3)
(228)Second Coast Clutch Plate Assembly - Fiber (3)
(229)Second Coast Clutch Backing Plate
(230)Second Coast Clutch Backing Plate Retaining Ring
(231)Automatic Transmission Fluid Pump Cover Bolt/Screw (M6 x 1.0 x 14.5) (13)
(232)Automatic Transmission Fluid Pump Cover Bolt/Screw (M5 x 0.8 x 17)
Figure 5:

Output Gear Assembly


Object Number: 766305  Size: MF
(235)Output Gear
(236)Output Gear Bearing Assembly
(237)Output Gear Bearing Assembly Spacer
(238)Output Gear Bearing Assembly Lock Nut
Figure 6:

Front Differential Transfer Drive Gear Assembly


Object Number: 1850780  Size: LF
(250)Front Differential Transfer Drive Gear Lock Nut
(251)Front Differential Transfer Drive Gear Bearing Assembly Inner Race
(252)Front Differential Transfer Drive Gear Drive Pinion
(253)Front Differential Transfer Drive Gear Parking Lock Gear
(254)Front Differential Transfer Drive Gear Bearing Assembly (2)
(254)Front Differential Transfer Drive Gear Bearing Assembly (2)
(255)Front Differential Transfer Drive Gear Bearing Race (2)
(255)Front Differential Transfer Drive Gear Bearing Race (2)
(256)Front Differential Transfer Drive Gear Counter Gear Bearing Spacer
(257)Front Differential Transfer Drive Gear Counter Driven Gear
(258)Front Differential Transfer Drive Gear Counter Driven Gear Retaining Ring
(259)Front Differential Transfer Drive Gear Carrier Assembly
(260)Front Differential Transfer Drive Gear Ring Gear Retaining Ring
(261)Front Differential Transfer Drive Gear Ring Gear
(262)4-5 Clutch Housing Fluid Seal Ring (2)
(263)Front Differential Transfer Drive Gear Thrust Bearing Assembly
(264)Front Differential Transfer Drive Gear Thrust Bearing Washer - Selective
Figure 7:

Control Valve Body Assembly


Object Number: 1254583  Size: LF
(300)1-2, 2-3, Reverse Shift Solenoid Valve Assembly (S3) - Dark Gray
(301)Control Valve Body Bolt/Screw (M5 x 0.8 x 62)
(302)Control Valve Body Bolt/Screw (M5 x 0.8 x 28) (2)
(302)Control Valve Body Bolt/Screw (M5 x 0.8 x 28) (2)
(302)Control Valve Body Bolt/Screw (M5 x 0.8 x 28) (2)
(303)3-4, 4-5 Shift Solenoid Valve Assembly (S4) - Blue
(304)Control Valve Body Bolt/Screw (M5 x 0.8 x 50) (2)
(304)Control Valve Body Bolt/Screw (M5 x 0.8 x 50) (2)
(305)Reverse Shift Solenoid Valve Assembly (S5) - Brown
(306)Shift Solenoid Valve O-ring Seal (5)
(306)Shift Solenoid Valve O-ring Seal (5)
(306)Shift Solenoid Valve O-ring Seal (5)
(307)Control Valve Body Bolt/Screw (M5 x 0.8 x 10) (3)
(307)Control Valve Body Bolt/Screw (M5 x 0.8 x 10) (3)
(307)Control Valve Body Bolt/Screw (M5 x 0.8 x 10) (3)
(308)2-3, 3-4 Shift Solenoid Valve Assembly (S2) - Black
(310)Reverse, 1st Shift Solenoid Valve Assembly (S1) - Black
(311)Control Valve Body Bolt/Screw (M5 x 0.8 x 13)
(312)Control Valve Body Solenoid Valve Retainer
(313)Control Valve Body Bolt/Screw (M5 x 0.8 x 20) (5)
(313)Control Valve Body Bolt/Screw (M5 x 0.8 x 20) (5)
(314)Control Valve Body Bolt/Screw (M5 x 0.8 x 16) (2)
(315)Front Control Valve Body Assembly
(316)Line Pressure Control Solenoid Valve Assembly (SLT) - Blue
(318)Automatic Transmission Wiring Harness Clip
(319)TCC Lock Up Control Solenoid Valve Retainer (SLU)
(320)Front Control Valve Body to Front Control Valve Body Spacer Plate Gasket
(321)Front Control Valve Body Spacer Plate
(322)Front Control Valve Body Spacer Plate to Middle Control Valve Body Gasket
(323)Middle Control Valve Body Assembly
(324)Middle Control Valve Body Assembly to Rear Control Valve Body Spacer Plate and Gasket Assembly
(326)Rear Control Valve Body Assembly
(327)Rear Control Valve Body to Rear Control Valve Body Spacer Plate Gasket
(328)Rear Control Valve Body Assembly Spacer Plate
(329)Rear Control Valve Body Assembly Spacer Plate to No. 2 Rear Control Valve Body Assembly Gasket
(330)No. 2 Rear Control Valve Body Assembly
(331)Control Valve Body Bolt/Screw (M5 x 0.8 x 76)
(332)Control Valve Body Bolt/Screw (M5 x 0.8 x 49.5) (4)
(333)Control Valve Body Bolt/Screw (M5 x 0.8 x 40)
(334)Control Valve Body Assembly Pressure Test Hole Bolt/Screw Pressure Tap (M6 x 1.0 x 12) (1)
(335)Control Valve Body Bolt/Screw (M5 x 0.8 x 35) (2)
(336)Manual Valve Link
(337)Manual Valve
(338)Manual Valve Link Retainer
(339)TCC Lock Up Pressure Control Solenoid Valve Assembly (SLU) - Black
(340)Shift Pressure Control Solenoid Valve Assembly (SLS) - Green
Figure 8:

Front Control Valve Body Assembly


Object Number: 766310  Size: MF
(345)Front Control Valve Body
(346)Solenoid Modulator Valve
(347)Solenoid Modulator Valve Spring - Yellow
(348)Solenoid Modulator Valve Bore Plug (4)
(348)Solenoid Modulator Valve Bore Plug (4)
(348)Solenoid Modulator Valve Bore Plug (4)
(348)Solenoid Modulator Valve Bore Plug (4)
(349)Sleeve/Bore Plug Retainer (3.2 x 5 x 10) (4)
(349)Sleeve/Bore Plug Retainer (3.2 x 5 x 10) (4)
(349)Sleeve/Bore Plug Retainer (3.2 x 5 x 10) (4)
(349)Sleeve/Bore Plug Retainer (3.2 x 5 x 10) (4)
(350)Pressure Relief Valve Spring - Natural Color
(351)Pressure Relief Valve
(352)Fluid Strainer
(354)Forward Clutch (C1) Control Valve
(355)Ball Check Valve
(356)Neutral Relay Valve
(357)Neutral Relay Valve Spring - Light Blue
(358)2nd Coast Clutch (B1) Control Valve Spring - Blue
(359)2nd Coast Clutch (B1) Control Valve
(360)Check Valve (2)
(361)Check Valve Spring (2)
Figure 9:

Middle Control Valve Body Assembly


Object Number: 1383041  Size: MF
(353)Accumulator Check Valve Assembly (6)
(353)Accumulator Check Valve Assembly (7)
(362)Sleeve/Bore Plug Retainer (3.2 x 5 x 12.5) (7)
(362)Sleeve/Bore Plug Retainer (3.2 x 5 x 12.5) (7)
(362)Sleeve/Bore Plug Retainer (3.2 x 5 x 12.5) (7)
(362)Sleeve/Bore Plug Retainer (3.2 x 5 x 12.5) (7)
(362)Sleeve/Bore Plug Retainer (3.2 x 5 x 12.5) (7)
(362)Sleeve/Bore Plug Retainer (3.2 x 5 x 12.5) (7)
(362)Sleeve/Bore Plug Retainer (3.2 x 5 x 12.5) (7)
(370)Middle Control Valve Body
(371)Fluid Strainer (3)
(371)Fluid Strainer (3)
(372)Fluid Strainer
(373)Reverse Shift Ball Check Valve Bushing - Inner
(374)Reverse Shift Ball Check Valve
(375)Reverse Shift Ball Check Valve Bushing - Outer
(376)Solenoid Relay Valve Sleeve
(377)Solenoid Relay Valve Plunger
(378)Solenoid Relay Valve
(379)Solenoid Relay Valve Spring - Orange
(380)Cooler By-Pass Valve Spring - Natural Color
(381)Cooler By-Pass Valve
(382)TCC Check Valve
(383)TCC Check Valve Spring - Yellow
(384)3rd Gear Band (B4) Release Valve Spring - Blue
(385)3rd Gear Band (B4) Release Valve
(386)U1 Shift Valve
(387)U1 Shift Valve Spring - Light Green
(389)M1 Shift Valve
(390)M1 Shift Valve Spring - Light Blue
(391)M1 Shift Valve Bore Plug
(392)U2 Shift Valve
(393)U2 Shift Valve Spring - Light Green
(394)U2 Shift Valve Bore Plug (3)
(394)U2 Shift Valve Bore Plug (3)
(394)U2 Shift Valve Bore Plug (3)
(395)Primary Regulator Valve
(396)Primary Regulator Valve Spring - Purple
(397)Primary Regulator Valve Plunger
(398)Primary Regulator Valve Sleeve
(399)Forward Clutch Check Ball
Figure 10:

Rear Control Valve Body Assembly


Object Number: 766312  Size: MF
(410)Rear Control Valve Body
(411)1-2 Reverse Clutch (B5) Control Valve
(412)Lock Up Relay Control Valve Sleeve
(413)Lock Up Relay Control Valve Plunger
(414)Lock Up Relay Valve Spring - Red
(415)Lock Up Relay Valve
(416)Rear Valve Body Cover Plate Bolt - Hexagon (M5 x 0.8 x 13) (2)
(417)Rear Valve Body Cover Plate
(418)Rear Valve Body Cover Plate Gasket
(419)Rear Valve Body Cover Plate Gasket
(420)Rear Valve Body Cover Plate
(421)Rear Valve Body Cover Plate Bolt - Hexagon (M5 x 0.8 x 13) (7)
(422)3rd Gear Band (B4) Control Valve Spring - Orange
(423)3rd Gear Band (B4) Control Valve
(424)Shift Pressure Relay Valve
(425)Shift Pressure Relay Valve Spring - Light Green
(426)M2 Shift Valve
(427)M2 Shift Valve Spring - Light Blue
(428)Shift Pressure Control Valve Sleeve
(429)Shift Pressure Control Valve Spring - White
(430)Shift Pressure Control Valve
(431)Shift Pressure Control Valve Plunger
(432)Shift Pressure Control Valve Plunger Sleeve
(433)Line Pressure Control (SLT) Accumulator Piston
(434)Line Pressure Control (SLT) Accumulator Piston Spring - Outer - Orange
(435)Line Pressure Control (SLT) Accumulator Piston Spring - Inner - Orange
(436)Secondary Regulator Valve
(437)Secondary Regulator Valve Spring - Natural Color
Figure 11:

No. 2 Rear Control Valve Body Assembly


Object Number: 766313  Size: MF
(353)Accumulator Check Valve Assembly (2)
(353)Accumulator Check Valve Assembly (2)
(445)No. 2 Rear Control Valve Body
(446)2nd Clutch (B2) Control Valve
(447)2nd Clutch (B2) Control Valve Spring - Natural Color
(448)2nd Clutch (B2) Control Valve Plug
(449)TCC Check Valve Spring - Light Blue
(450)TCC Check Valve
(451)Reverse Shift Restrict Ball Check Valve Bushing - Inner
(452)Reverse Shift Restrict Ball Check Valve
(453)Reverse Shift Restrict Ball Check Valve Bushing - Outer
(454)Lock Up Control Valve
(455)Lock Up Control Valve Plunger
(456)Lock Up Control Valve Spring - Yellow
(457)Lock Up Control Valve Sleeve
(458)Sleeve/Bore Plug Retainer (3.2 x 5 x 21.2)
(459)Sleeve/Bore Plug Retainer (3.2 x 5 x 15) (2)
(459)Sleeve/Bore Plug Retainer (3.2 x 5 x 15) (2)
Figure 12:

Second, Second Coast Clutch and Second Clutch Sprag Assembly


Object Number: 766314  Size: MF
(500)Second Coast Clutch Hub
(501)Coast Clutch Hub Thrust Washer
(502)Second Clutch Sprag End Bearing (2)
(502)Second Clutch Sprag End Bearing (2)
(503)Second Clutch Sprag Assembly
(505)Second Clutch Sprag Outer Race Assembly
(506)Second Clutch Sprag Outer Race Thrust Washer
Figure 13:

Low and Reverse Clutch and Front Internal Gear Assembly


Object Number: 1850782  Size: LF
(510)Low and Reverse Clutch Piston Inner Seal
(511)Low and Reverse Clutch Piston
(512)Low and Reverse Clutch Piston Outer Seal
(513)Low and Reverse Clutch Spring Assembly
(514)Low and Reverse Clutch Spring Retaining Ring
(515)Low and Reverse Clutch Apply Plate
(516)Low and Reverse Clutch Plate Assembly - Fiber (5)
(517)Low and Reverse Clutch Plate - Steel (4)
(518)Low and Reverse Clutch Plate Retaining Ring
(520)Low and Reverse Clutch Backing Plate
(523)Overrun Roller Clutch Assembly
(526)Front Internal Gear
(527)Front Internal Gear Flange
(528)Front Internal Gear Flange Retaining Ring
Figure 14:

Front Carrier Sun Assembly


Object Number: 1826648  Size: LF
(519)Front Internal Gear Thrust Bearing Assembly
(529)Front Internal Gear Thrust Bearing Assembly
(530)Front Internal Gear Thrust Washer Race
(535)Rear Internal Gear Thrust Bearing Assembly
(536)Rear Internal Gear
(537)Rear Sun Gear Thrust Bearing Race
(538)Rear Sun Gear Thrust Bearing Assembly
(540)Input Shaft Thrust Bearing Assembly
(542)Front Carrier Assembly
(543)Front Carrier Thrust Bearing Race
(544)Front Sun Gear
(547)Rear Internal Gear Flange
(548)Rear Internal Gear Flange Retaining Ring (2)
Figure 15:

Forward and Direct Clutch Assembly


Object Number: 1850784  Size: LF
(550)Forward Clutch Backing Plate Retaining Ring
(551)Forward Clutch Backing Plate (Selective)
(552)Forward Clutch Plate Assembly - Fiber (4)
(553)Forward Clutch Plate - Steel (4)
(554)Direct Clutch Backing Plate Retaining Ring
(555)Direct Clutch Backing Plate (Selective)
(556)Direct Clutch Plate Assembly - Fiber (4)
(557)Direct Clutch Plate - Steel (4)
(558)Direct Clutch Apply Plate
(559)Direct Clutch Spring Retaining Ring
(560)Direct Clutch Spring Assembly
(561)Direct Clutch Piston Inner Seal
(562)Direct Clutch Piston
(563)Direct Clutch Piston Outer Seal
(564)Forward Clutch Piston Inner Seal
(565)Forward Clutch Piston
(566)Forward Clutch Piston Outer Seal
(567)Forward and Direct Clutch Housing Assembly - with Input Shaft
(568)Forward Clutch Housing Thrust Bearing Race (Selective)
(569)Forward Clutch Housing Thrust Bearing Assembly
(570)Input Shaft O-ring Seal
(628)Forward/Direct Clutch Housing Thrust Bearing Race
Figure 16:

4-5 Clutch Drum Assembly


Object Number: 766319  Size: LF
(575)4-5 Clutch Backing Plate Retaining Ring
(576)4-5 Clutch Backing Plate (Selective)
(577)4-5 Clutch Plate Assembly - Fiber (4)
(578)4-5 Clutch Plate - Steel (4)
(579)4-5 Clutch Piston Return Spring Retaining Ring
(580)4-5 Clutch Piston Return Spring Assembly
(581)4-5 Clutch Piston Inner Seal
(582)4-5 Clutch Piston
(583)4-5 Clutch Piston Outer Seal
(584)4-5 Clutch Drum Assembly
Figure 17:

1-2 Reverse Carrier Gear Assembly


Object Number: 1417522  Size: SF
(18)1-2 Reverse Carrier Gear Assembly
(590)1-2 Reverse Carrier Thrust Washer (2)
(590)1-2 Reverse Carrier Thrust Washer (2)
(591)1-2 Reverse Carrier Gear Assembly
(593)1-2 Reverse Internal Gear Front Thrust Bearing Assembly
(594)1-2 Reverse Internal Gear
(595)1-2 Reverse Internal Gear Rear Thrust Bearing Assembly
(596)1-2 Reverse Internal Gear Shim - Selective
Figure 18:

Automatic Transmission Case Cover Assembly and 1-2 Reverse Clutch Assembly


Object Number: 1850785  Size: LF
(66)Automatic Transmission Fluid Pressure Test Hole Plug (UNF 5/16-24-2A) (7)
(66)Automatic Transmission Fluid Pressure Test Hole Plug (UNF 5/16-24-2A) (7)
(67)Automatic Transmission Fluid Pressure Test Hole Plug O-ring Seal (7)
(67)Automatic Transmission Fluid Pressure Test Hole Plug O-ring Seal (7)
(600)1-2 Reverse Clutch Piston Return Spring Retaining Ring
(601)1-2 Reverse Clutch Piston Return Spring Assembly
(602)1-2 Reverse Clutch Piston Inner Seal
(603)1-2 Reverse Clutch Piston
(604)1-2 Reverse Clutch Piston Outer Seal
(606)Automatic Transmission Case Cover Assembly
(607)Forward Clutch Housing Fluid Seal Ring (3)
(608)4-5 Clutch Apply Pipe Seal (2)
(609)4-5 Clutch Apply Pipe
(610)4-5 Clutch Apply Pipe Retainer (2)
(611)4-5 Clutch Apply Pipe Bolt/Screw (M5 x 0.8 x 12) (4)
(612)Forward Clutch Accumulator Piston
(613)Forward Clutch Accumulator Piston Fluid Seal Ring
(614)Forward Clutch Accumulator Piston Spring - Natural Color
(615)Forward Clutch Accumulator Cover Seal
(616)Forward Clutch Accumulator Cover
(617)Forward Clutch Accumulator Cover Bolt/Screw (M6 x 1.0 x 14.5) (2)
(618)1-2 Reverse Clutch Apply Plate
(619)1-2 Reverse Clutch Plate - Steel (6)
(620)1-2 Reverse Clutch Plate Assembly - Fiber (6)
(621)1-2 Reverse Clutch Backing Plate (Selective)
(622)1-2 Reverse Clutch Backing Plate Retaining Ring
(623)Front Differential Transfer Drive Gear Assembly Rear Bearing Assembly
(624)Front Differential Transfer Drive Gear Assembly Lube Seal Ring - Rear
(625)Input Shaft Bearing
Figure 19:

Front Differential Carrier Assembly - AWD/FWD


Object Number: 766326  Size: LF
(630)Front Differential Side Gear Thrust Washer (2) (Selective)
(630)Front Differential Side Gear Thrust Washer (2) (Selective)
(631)Front Differential Side Gear (2)
(631)Front Differential Side Gear (2)
(632)Front Differential Pinion Shaft Thrust Washer (2)
(632)Front Differential Pinion Shaft Thrust Washer (2)
(633)Front Differential Pinion Gear (2)
(633)Front Differential Pinion Gear (2)
(635)Front Differential Ring Gear
(636)Front Differential Ring Gear Mounting Bolt (M11 x 1.0 x 27) (12)
(637)Front Differential Tapered Outer Roller Bearing (86 mm I.D.)
(639)Front Differential Pinion Shaft Retaining Pin (6 mm x 38 mm) (1)
(640)Front Differential Carrier Assembly - FWD
(640a)Front Differential Carrier Assembly - AWD
(641)Front Differential Tapered Outer Roller Bearing (90 mm I.D.)
(642)Front Differential Pinion Shaft (17.0 x 110.4)
(643)Front Differential Pinion Shaft Retaining Ring - AWD
(644)Splined Stub Shaft - AWD Only
Figure 20:

Park Pawl and Shift Linkage Assembly


Object Number: 766328  Size: LF
(17)Automatic Transmission Case
(700)Park Pawl Shaft
(701)Park Pawl Spring - Return
(702)Park Pawl
(703)Park Pawl Spring Pin
(704)Park Pawl Pin Spring
(705)Park Pawl Pin Spring Guide Sleeve
(706)Park Pawl Bolt/Screw (M6 x 1.0 x 25)
(708)Park Pawl Actuator Bracket
(709)Park Pawl Actuator Rod
(710)Manual Shaft Detent Lever Assembly
(711)Manual Shaft Detent Lever Spring
(712)Manual Shaft Detent Spring Bolt/Screw (M6 x 1.0 x 14) and Washer
(713)Manual Shift Shaft Seal Assembly
(714)Manual Shift Shaft Bearing Assembly
(715)Park Pawl Actuator Bracket Bolt/Screw (M6 x 1.0 x 16.7) and Washer