GM Service Manual Online
For 1990-2009 cars only

Removal Procedure


    Object Number: 1822394  Size: SH
  1. Disconnect the negative battery cable. Refer to Battery Negative Cable Disconnection and Connection .
  2. Loosen the positive battery cable terminal nut.
  3. Remove the positive battery cable lead (2) from the battery.

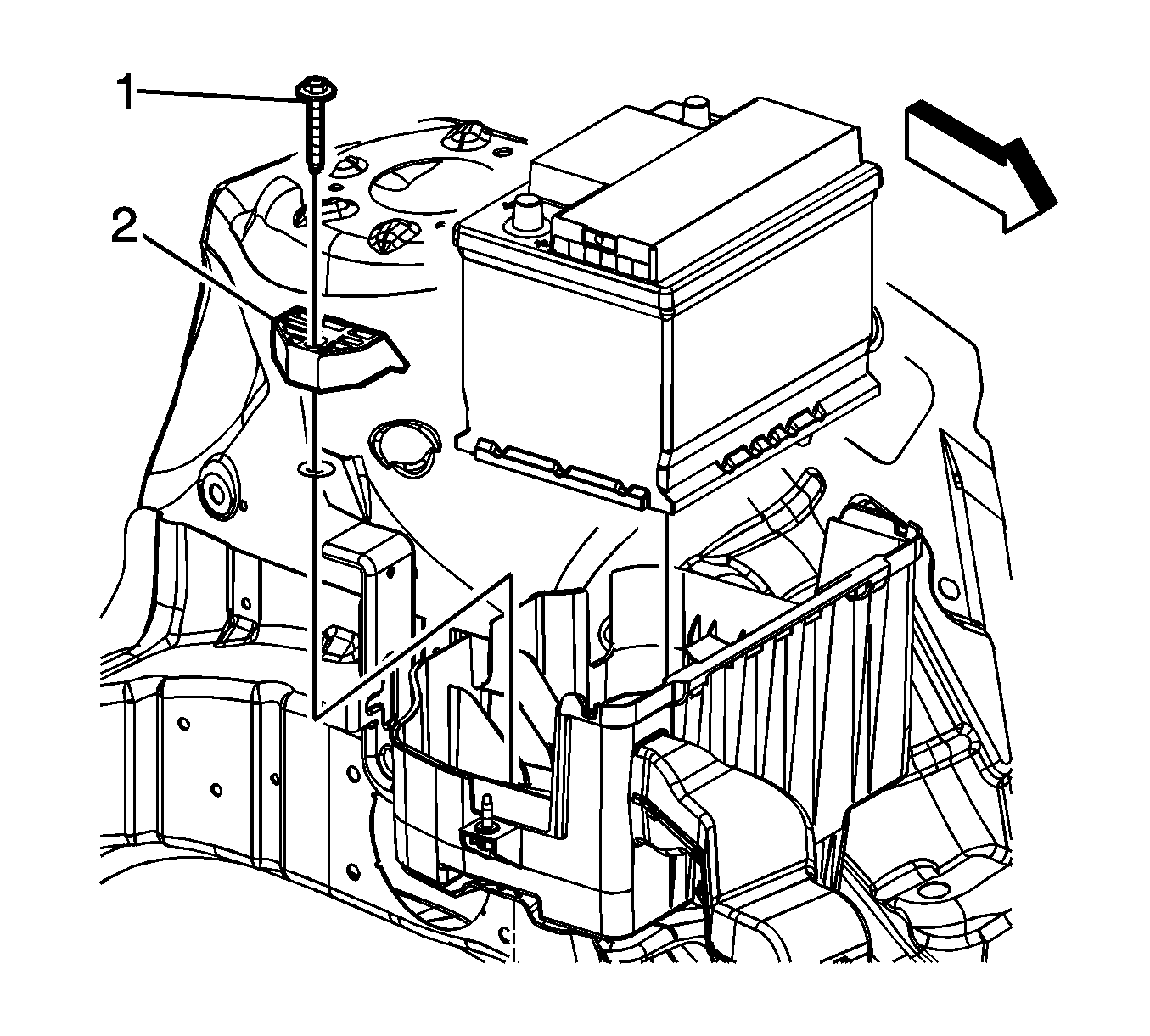
  4. Object Number: 1822623  Size: SH

    Caution: Do not tip the battery over a 45 degree angle or acid could spill causing serious personal injury.

  5. Remove the battery hold down bolt (1) and hold down (2).
  6. Remove the battery.

Installation Procedure

    Caution: Do not tip the battery over a 45 degree angle or acid could spill causing serious personal injury.


    Object Number: 1822623  Size: SH
  1. Install the battery to the battery box.
  2. Notice: Refer to Fastener Notice in the Preface section.

  3. Install the battery hold down and bolt, tighten the bolt.
  4. Tighten
    Tighten the bolt to 15 N·m (11 lb ft).


    Object Number: 1822394  Size: SH
  5. Install the positive battery cable lead (2) to the battery.
  6. Tighten the positive battery cable terminal nut.
  7. Tighten
    Tighten the nut to 17 N·m (13 lb ft).

  8. Connect the negative battery cable. Refer to Battery Negative Cable Disconnection and Connection .