GM Service Manual Online
For 1990-2009 cars only
Makes
🢒
Pontiac
🢒
2007
🢒
Torrent
🢒
HVAC
🢒
Heating, Ventilation, and Air Conditioning
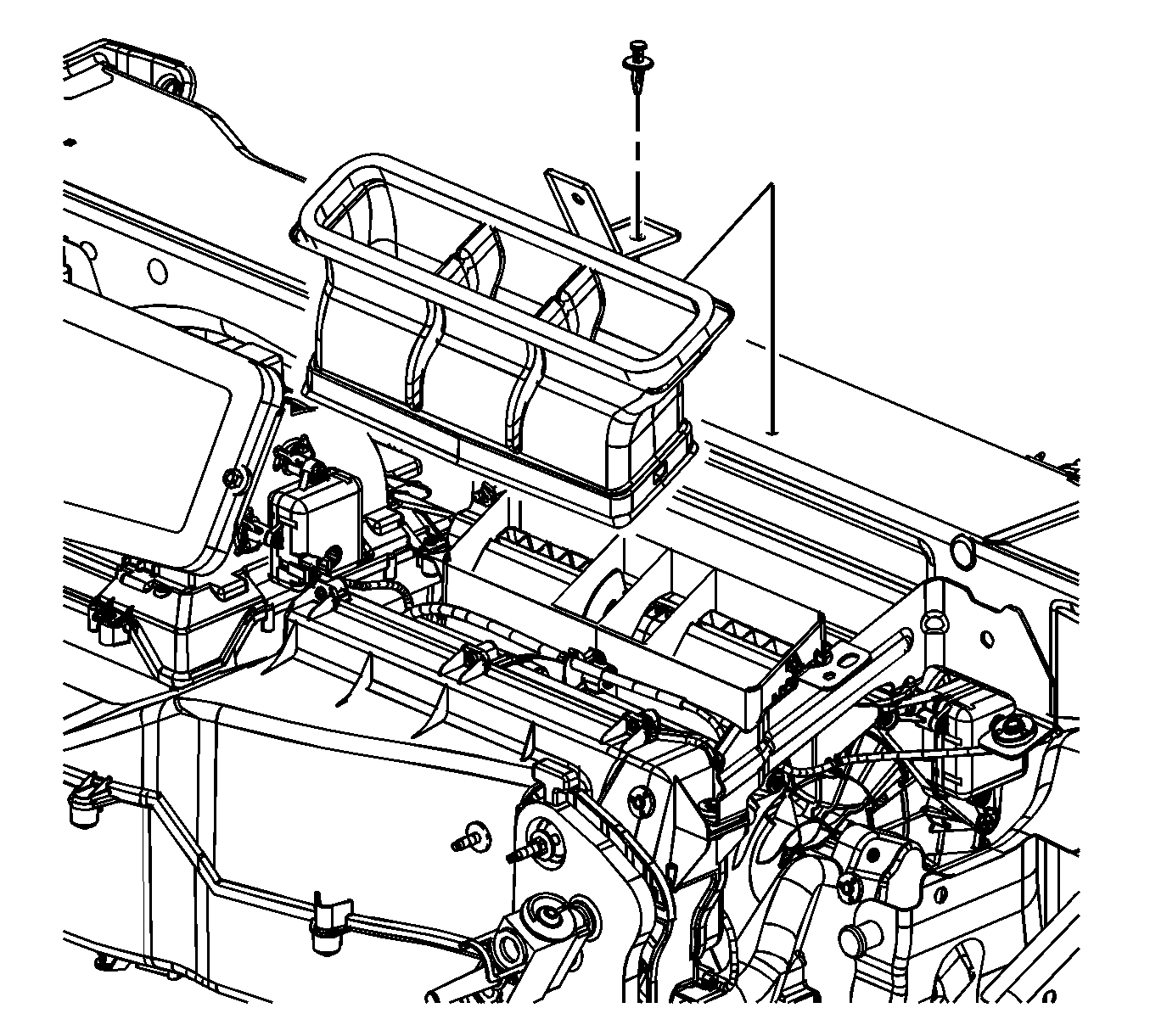
🢒 Windshield Defroster Duct Replacement
Removal Procedure
Remove the instrument panel upper trim panel. Refer to
Instrument Panel Upper Trim Panel Replacement
.
Remove the windshield defrost duct from the HVAC module.
Installation Procedure
Inspect the windshield defrost duct seals. If damaged, replace using Kent Industries adhesive back foam tape P/N 46485 or equivalent.
Install the windshield defrost duct to the HVAC module.
Install the instrument panel upper trim panel. Refer to
Instrument Panel Upper Trim Panel Replacement
.