GM Service Manual Online
For 1990-2009 cars only
Makes
🢒
Pontiac
🢒
2007
🢒
Torrent
🢒 Cruise Control Schematics
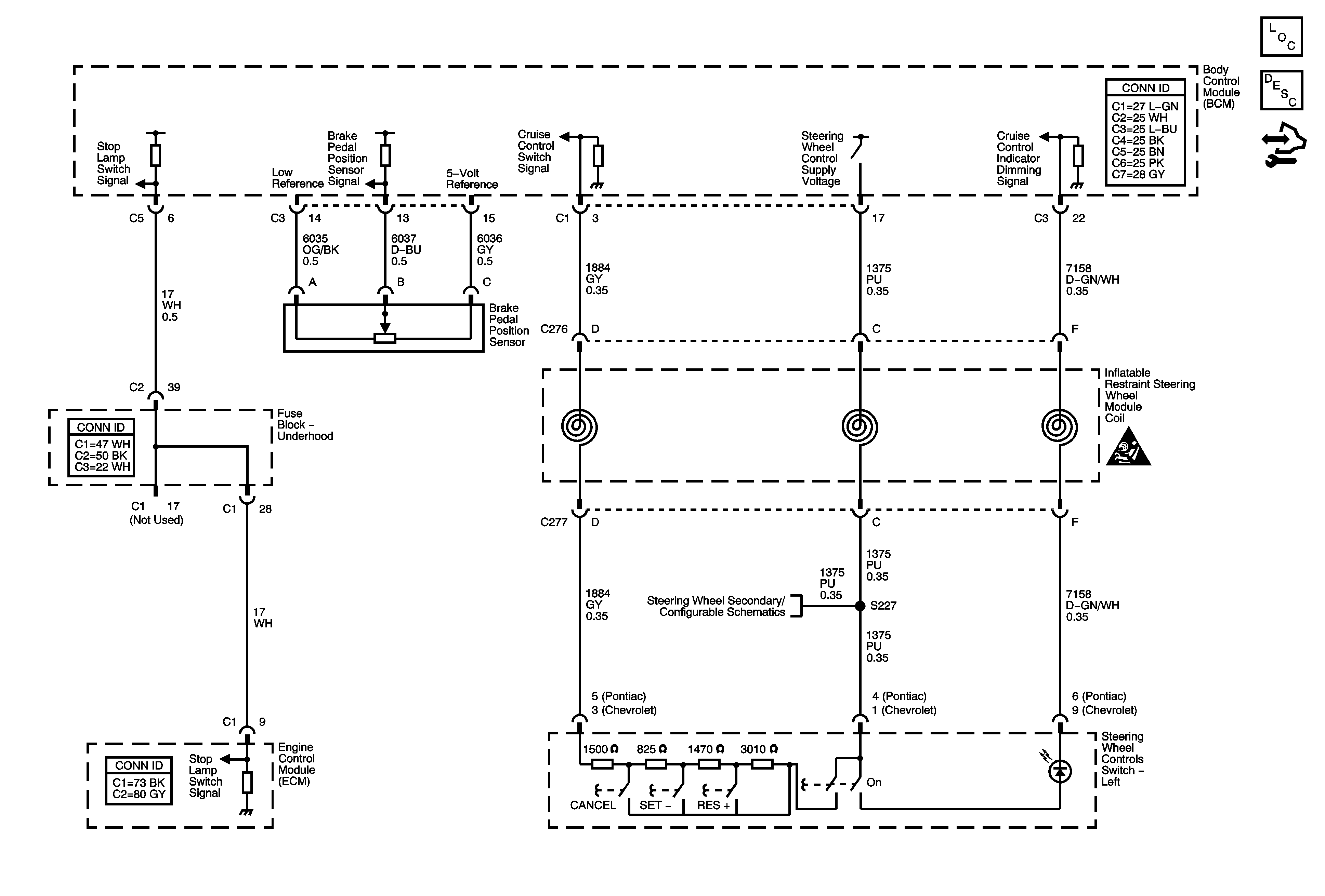
Cruise Control Schematics
Master Electrical Component List
Cruise Control Description and Operation
Control Module References
Remote Radio Steering Wheel Controls (UK3) Schematic