GM Service Manual Online
For 1990-2009 cars only
Makes
🢒
Pontiac
🢒
2007
🢒
Torrent
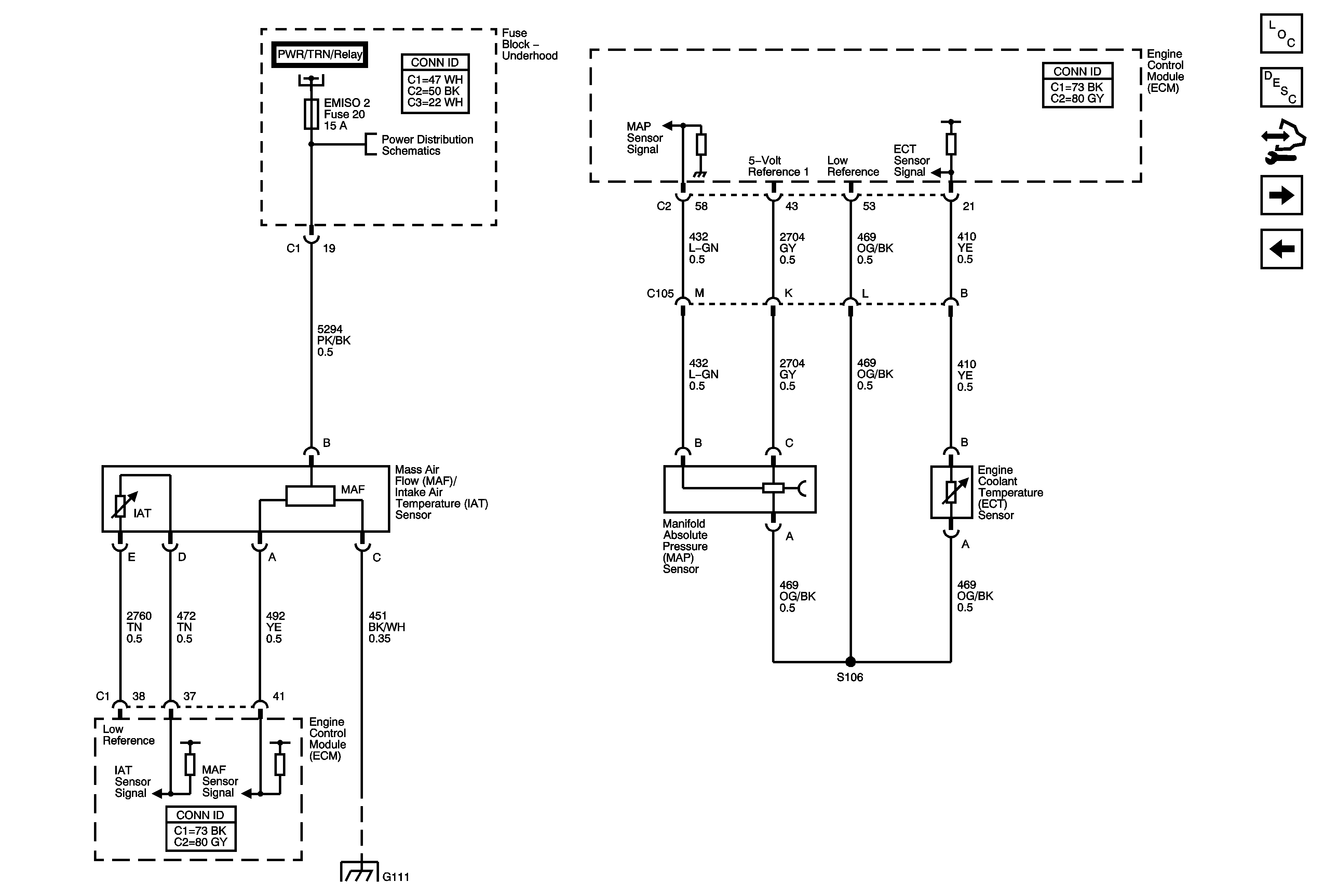
🢒 MAF, MAP, ECT
MAF, MAP, ECT
MAF, MAP, ECT
Master Electrical Component List
Engine Control Module Description
Control Module References
Oxygen Sensors
Low Reference
B+ BUS - 1 of 2
PWR/TRN Relay BUS - EMISO1, EMISO2, ETC/ECM, EVEN COILS/INJ and ODD COILS/INJ FusesINJ
G103, G105, G111