GM Service Manual Online
For 1990-2009 cars only
Makes
🢒
Pontiac
🢒
2007
🢒
Torrent
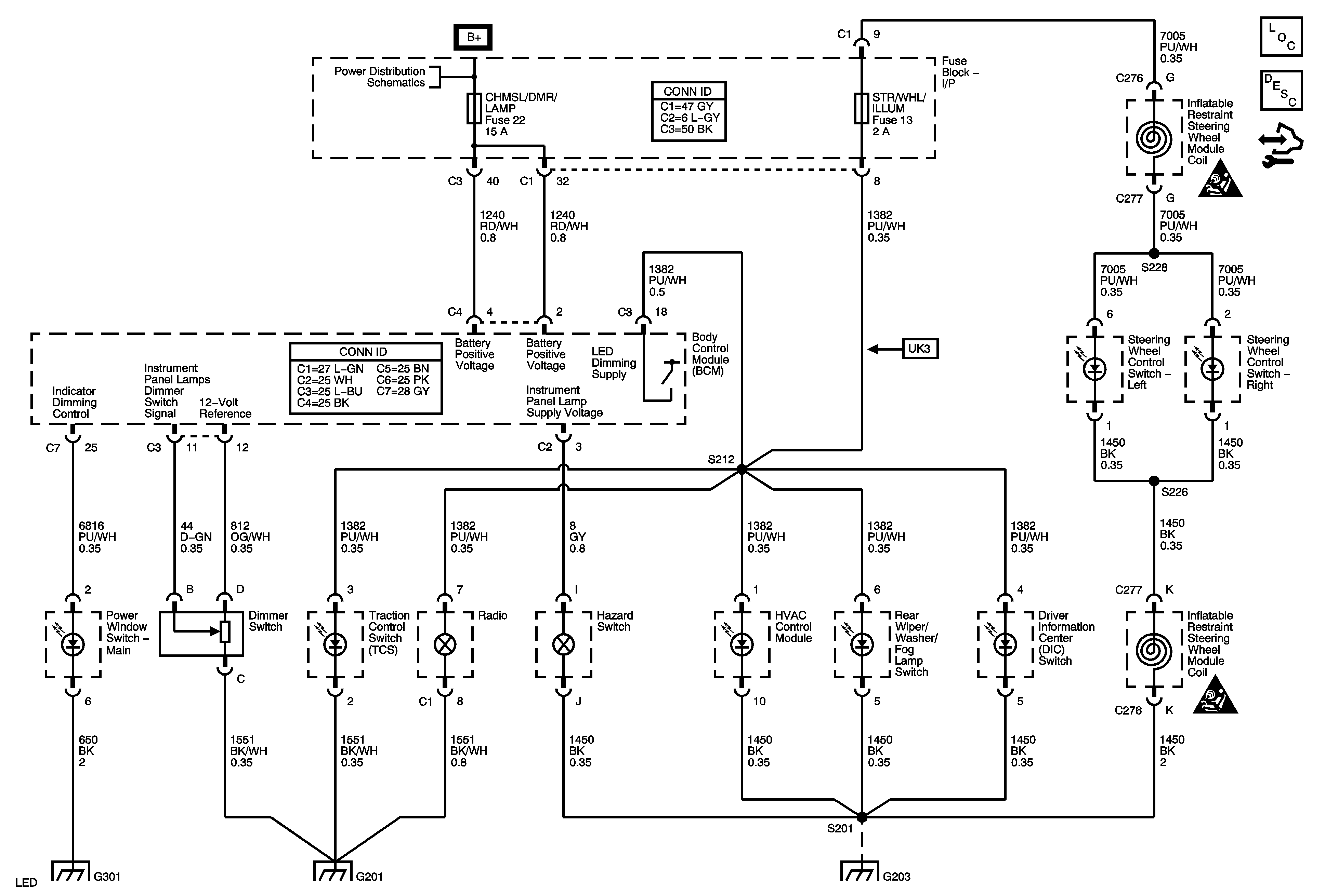
🢒 Interior Lights Dimming Schematics
Interior Lights Dimming Schematics
Master Electrical Component List
Interior Lighting Systems Description and Operation
Control Module References
B+ BUS - 1 of 2
AMP, BCM, CHMSL/DM/LAMP, HVAC/RFA and RDO Fuse
G301
G201
G203, G205, G207