GM Service Manual Online
For 1990-2009 cars only
Makes
🢒
Pontiac
🢒
2007
🢒
Torrent
🢒 Release Systems Schematics
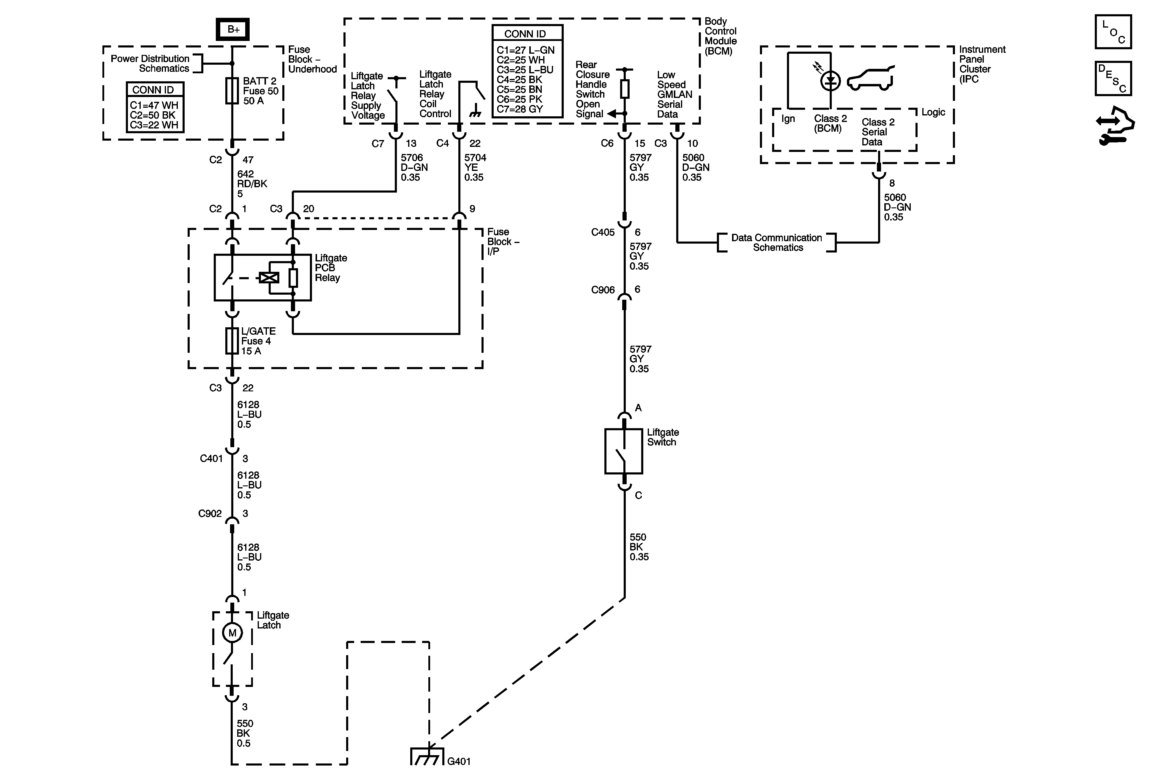
Release Systems Schematics
Master Electrical Component List
Rear Hatch/Gate Description and Operation
Control Module References
B+ BUS - 1 of 2
Low Speed GMLAN
G401