GM Service Manual Online
For 1990-2009 cars only
Makes
🢒
Pontiac
🢒
2007
🢒
Torrent
🢒 Seat Belt Schematics
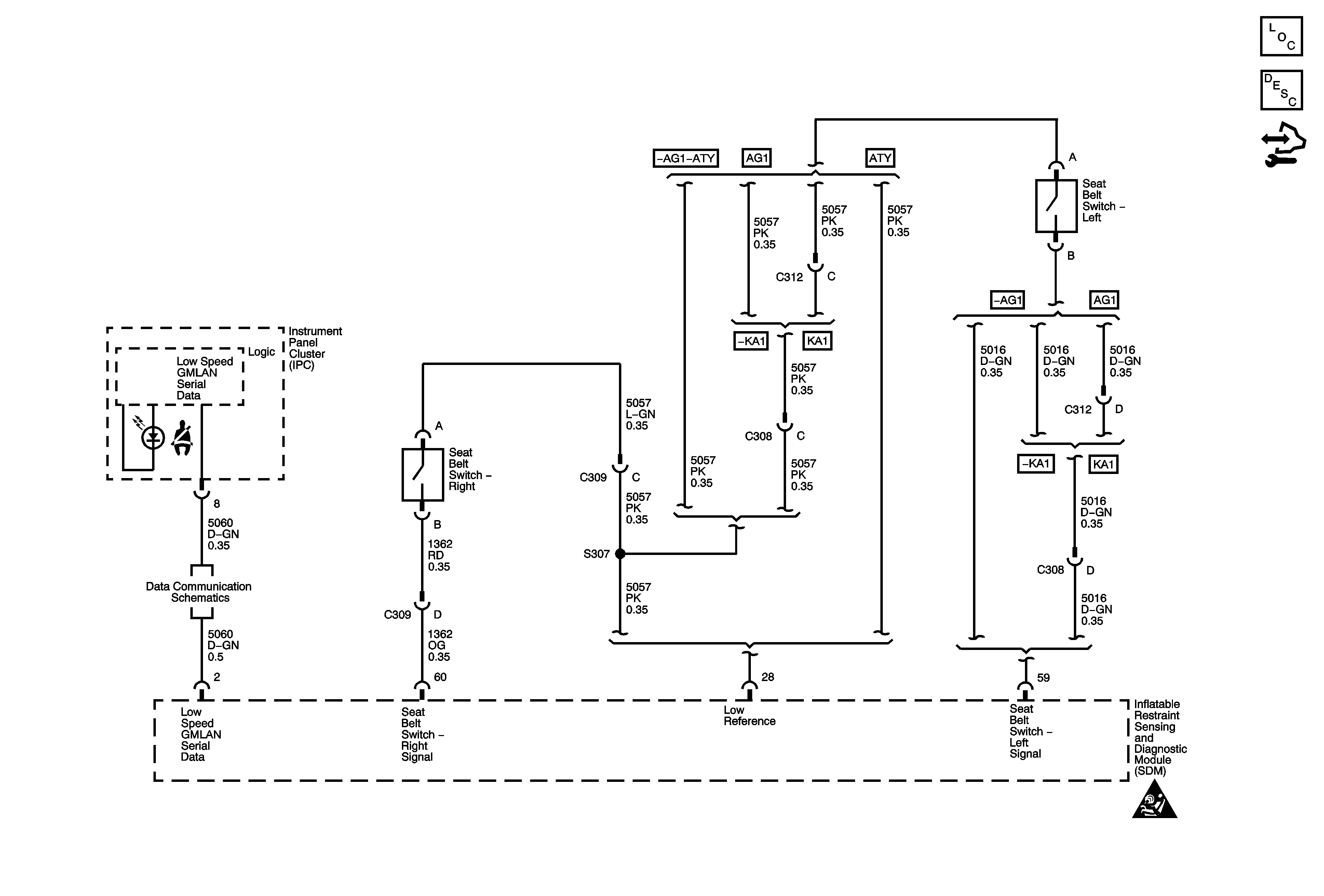
Seat Belt Schematics
Master Electrical Component List
Seat Belt System Description and Operation
Control Module References
Low Speed GMLAN