GM Service Manual Online
For 1990-2009 cars only
Makes
🢒
Pontiac
🢒
2007
🢒
Torrent
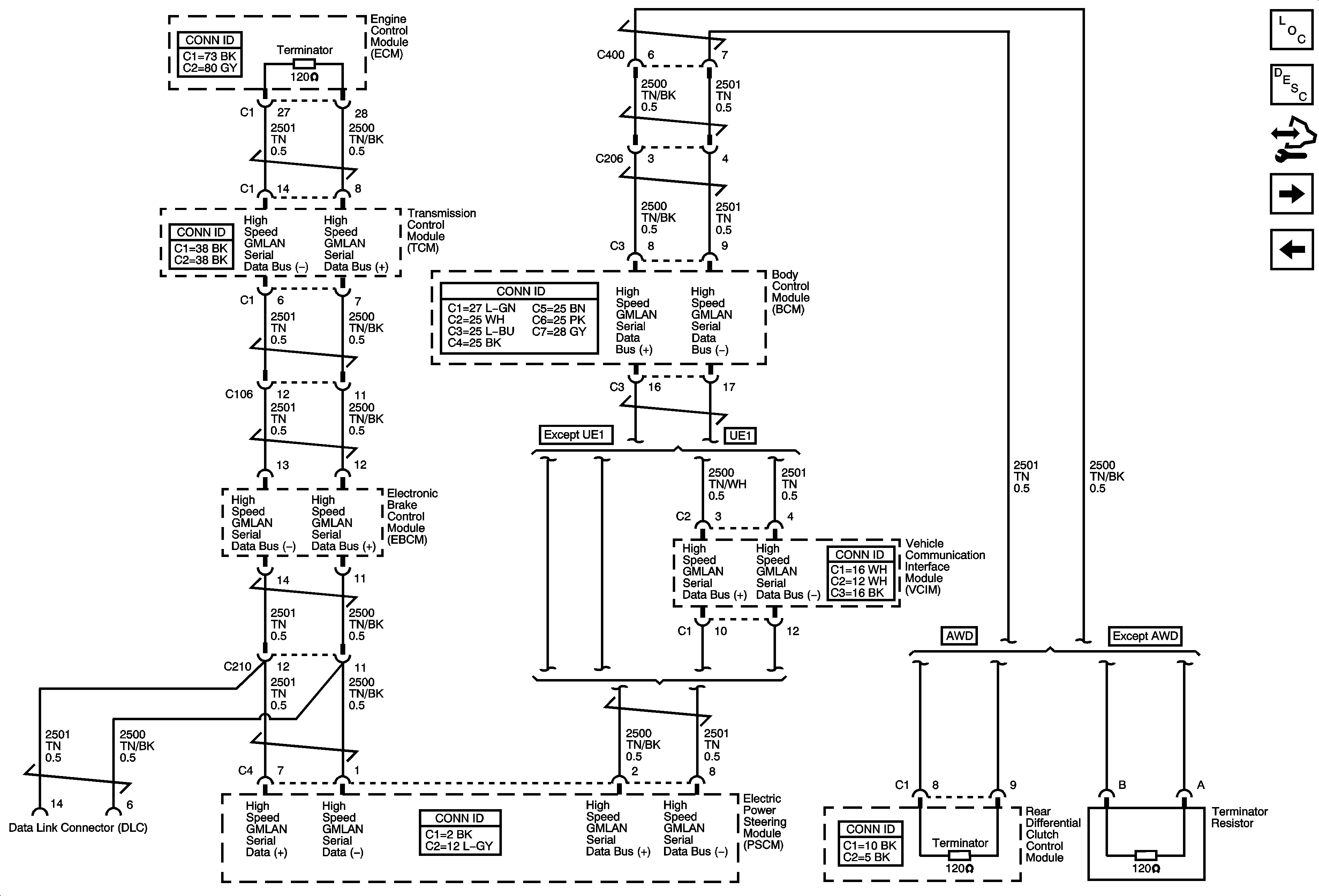
🢒 High Speed GMLAN
High Speed GMLAN
High Speed GMLAN
Master Electrical Component List
Data Link Communications Description and Operation
Control Module References
Communication Enable
Low Speed GMLAN