GM Service Manual Online
For 1990-2009 cars only

Removal Procedure

Caution: Refer to Battery Disconnect Caution in the Preface section.


    Object Number: 1822389  Size: SH
  1. Record all of the customers radio station presets.
  2. Turn OFF all the lamps and accessories.
  3. Ensure that the ignition switch is in the OFF position.
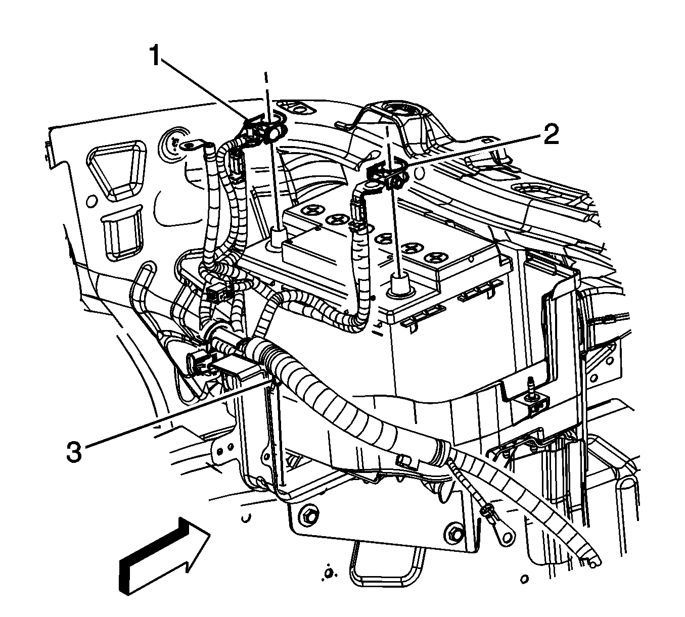
  4. Slide the engine control module (ECM) retainer rearward, disengaging the retainer from the battery shield.
  5. Remove the ECM retainer from the top of the battery shield.
  6. Carefully reposition the ECM and retainer out of the way.

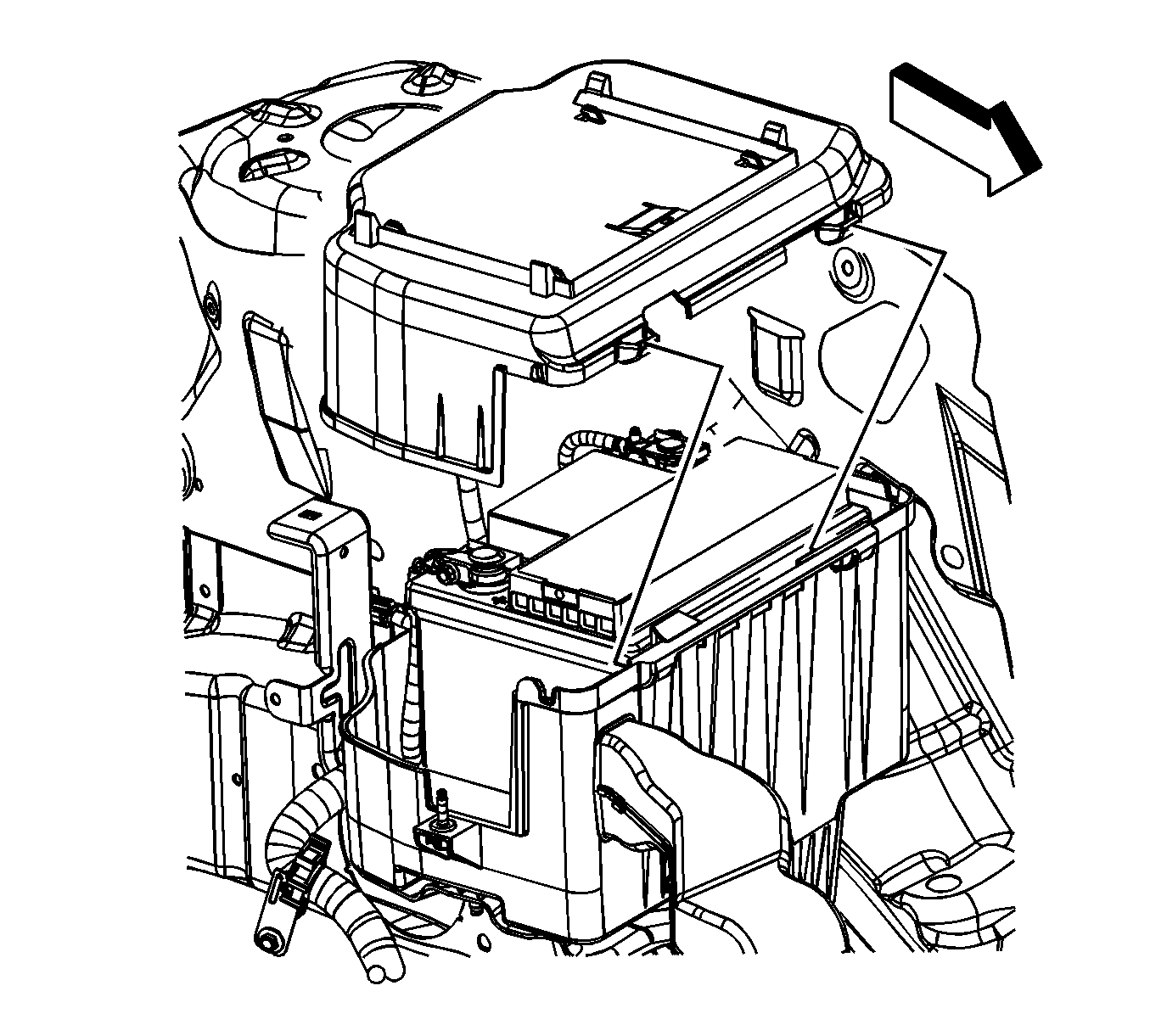
  7. Object Number: 1822391  Size: SH
  8. Disengage the battery shield rear snap retainers (1).

  9. Object Number: 1822392  Size: SH
  10. Remove the battery shield.

  11. Object Number: 1822394  Size: SH
  12. Loosen the negative battery cable terminal nut.
  13. Remove the negative battery cable lead (1) from the battery.

Installation Procedure


    Object Number: 1822394  Size: SH
  1. Install the negative battery cable lead (1) to the battery.
  2. Notice: Refer to Fastener Notice in the Preface section.

  3. Tighten the negative battery cable terminal nut.
  4. Tighten
    Tighten the nut to 17 N·m (13 lb ft).


    Object Number: 1822392  Size: SH
  5. Install the battery shield retainer tabs to the battery tray.

  6. Object Number: 1822391  Size: SH
  7. Engage the battery shield rear snap retainers (1).

  8. Object Number: 1822389  Size: SH
  9. Carefully position the ECM and retainer to the top of the battery shield.
  10. Slide the ECM retainer forward, engaging the retainer to the battery shield.
  11. Reset all of the customers radio station presets.