GM Service Manual Online
For 1990-2009 cars only

Radiator Inlet Hose Replacement LNJ Chevrolet

Removal Procedure


    Object Number: 1327538  Size: SH
  1. Drain the coolant. Refer to Cooling System Draining and Filling .
  2. Remove the upper fascia retainers from the radiator support.
  3. Remove the upper radiator bracket bolt from the radiator support.
  4. Remove the upper radiator bracket from the radiator.
  5. Remove the radiator inlet hose clamp from the radiator.

  6. Object Number: 1327541  Size: SH
  7. Remove the radiator inlet hose from the radiator.

  8. Object Number: 1327544  Size: SH
  9. Remove the radiator inlet hose clamp from the engine.
  10. Remove the radiator inlet hose from the engine.

Installation Procedure


    Object Number: 1327544  Size: SH
  1. Install the radiator inlet hose to the engine.
  2. Install the radiator inlet hose clamp to the engine.

  3. Object Number: 1327541  Size: SH
  4. Install the radiator inlet hose to the radiator.

  5. Object Number: 1327538  Size: SH
  6. Install the radiator inlet hose clamp to the radiator.
  7. Install the upper radiator bracket to the radiator.
  8. Notice: Refer to Fastener Notice in the Preface section.

  9. Install the upper radiator bracket bolt to the radiator support.
  10. Tighten
    Tighten the bolt to 20 N·m (15 lb ft).

  11. Install the upper fascia retainers to the radiator support.
  12. Fill the cooling system. Refer to Cooling System Draining and Filling .

Radiator Inlet Hose Replacement LNJ Pontiac

Removal Procedure

  1. Partially drain the coolant. Refer to Cooling System Draining and Filling .

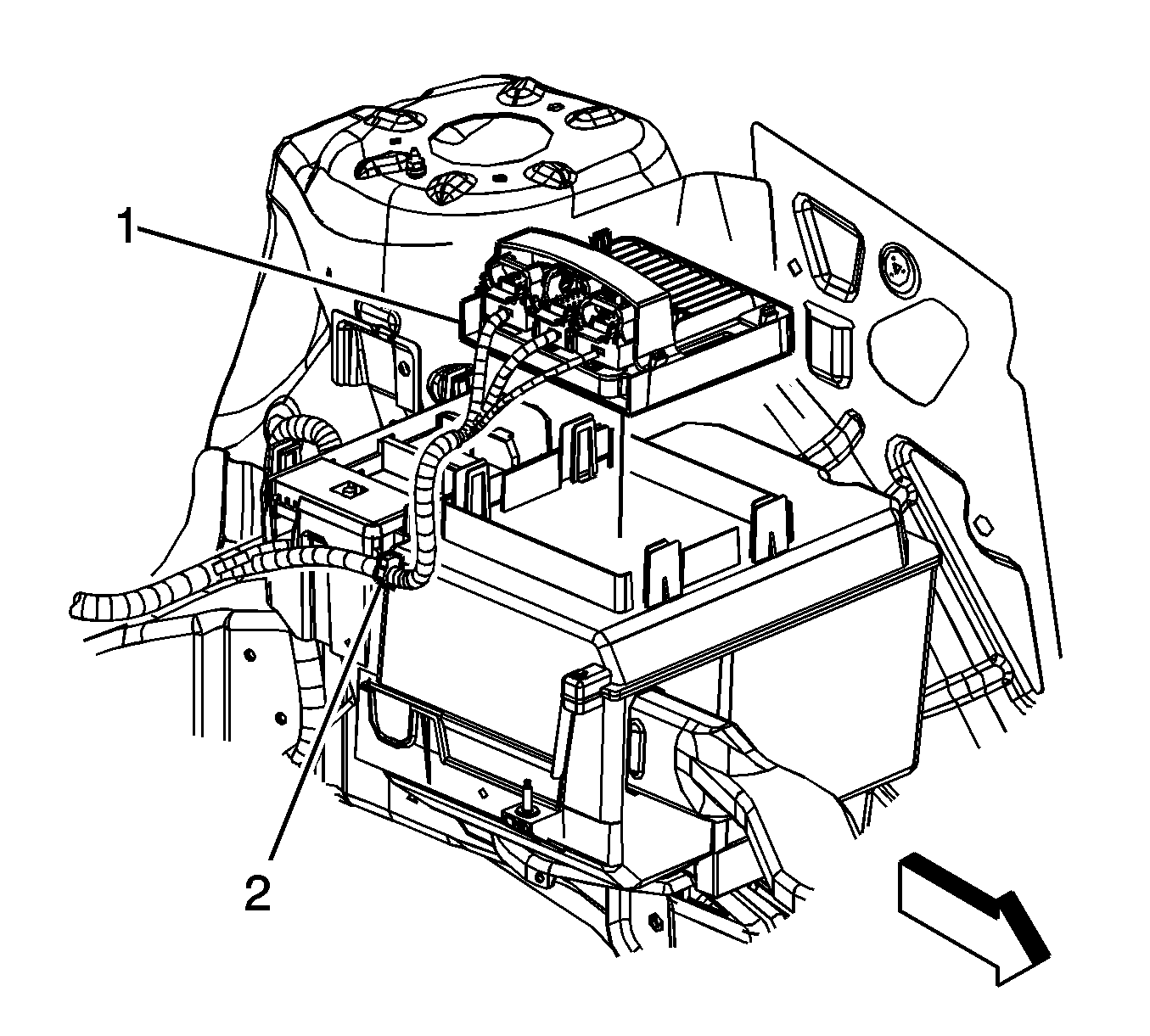
  2. Object Number: 1371146  Size: SH
  3. Remove the powertrain control module (PCM) wire harness (2) from the battery box cover.
  4. Remove the PCM bracket with PCM (1) from the top of the battery box cover.
  5. Carefully position the PCM and bracket out of the way.

  6. Object Number: 1371149  Size: SH
  7. Loosen the screws securing the battery box cover.
  8. Remove the battery box cover (1).

  9. Object Number: 1313336  Size: SH
  10. Remove the battery box vent tube from the side of the battery box.

  11. Object Number: 1327541  Size: SH
  12. Remove the radiator inlet hose clamp from the radiator.
  13. Remove the radiator inlet hose from the radiator.

  14. Object Number: 1327544  Size: SH
  15. Remove the radiator inlet hose clamp from the engine.
  16. Remove the radiator inlet hose from the engine.

Installation Procedure


    Object Number: 1327544  Size: SH
  1. Install the radiator inlet hose to the engine.
  2. Install the radiator inlet hose clamp to the engine.

  3. Object Number: 1327541  Size: SH
  4. Install the radiator inlet hose to the radiator.
  5. Install the radiator inlet hose clamp to the radiator.

  6. Object Number: 1313336  Size: SH
  7. Install the battery box vent tube to the side of the battery box.
  8. Notice: Refer to Fastener Notice in the Preface section.


    Object Number: 1371149  Size: SH
  9. Install the battery box cover (1).
  10. Tighten
    Tighten the screws to 2 N·m (18 lb in).


    Object Number: 1371146  Size: SH
  11. Install the PCM bracket with PCM (1) to the top of the battery box cover.
  12. Install the PCM wire harness (2) to the battery box cover.
  13. Fill the cooling system. Refer to Cooling System Draining and Filling .

Radiator Inlet Hose Replacement LY7


Object Number: 1819719  Size: MF

Callout

Component Name

Preliminary Procedure

Drain the cooling system. Refer to Cooling System Draining and Filling .

1

Radiator Inlet Hose Clamps

2

Radiator Inlet Hose