Notice: Refer to Fastener Notice in the Preface section.
Tighten
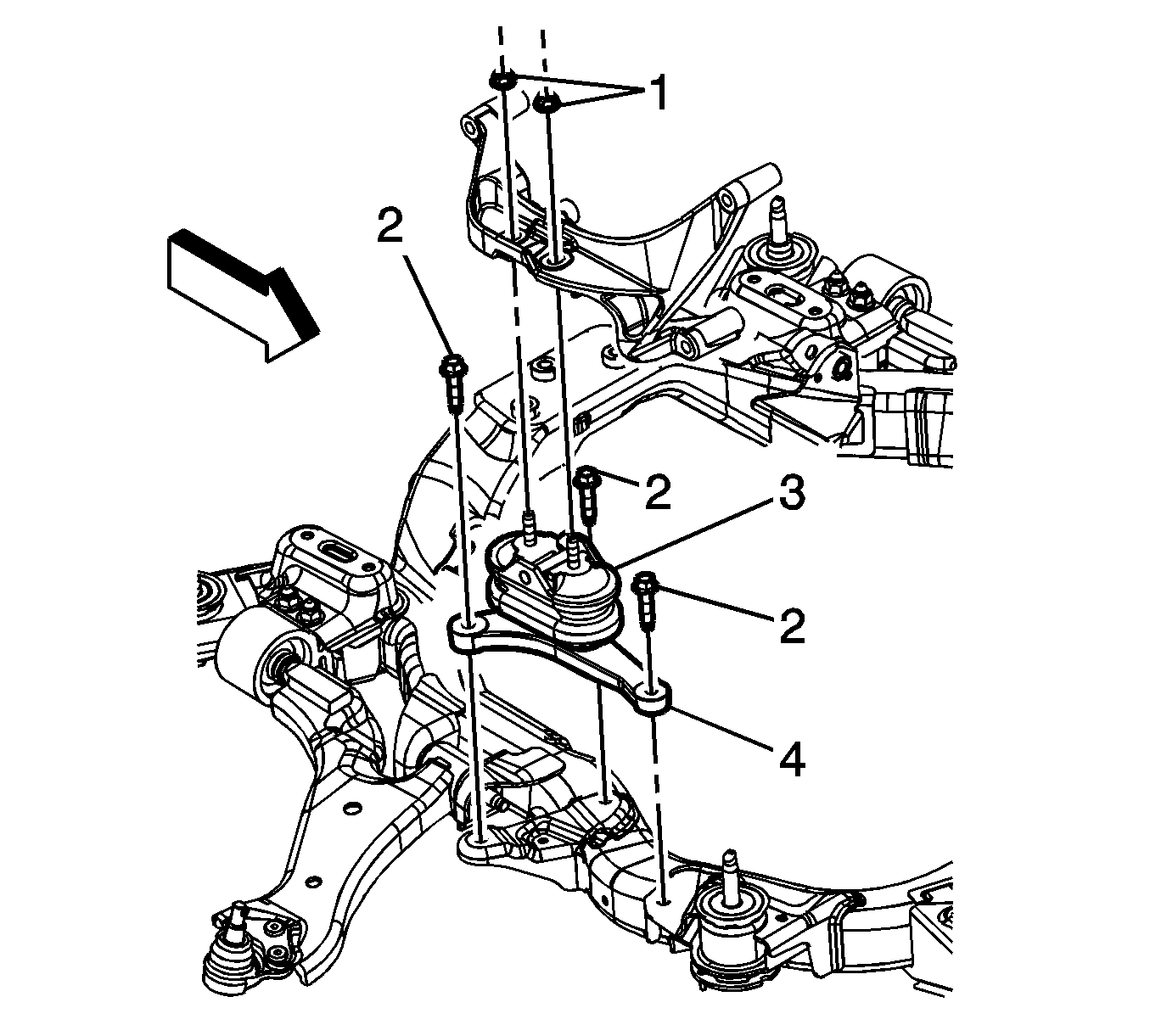
Tighten the lower bracket bolts to 50 N·m (37 lb ft).
Tighten
Tighten the upper engine mount bracket nuts to 50 N·m (37 lb ft).
Tighten
Tighten the upper engine mount bracket bolts to 50 N·m (37 lb ft).
Tighten
Tighten the right upper engine mount bracket bolt to 110 N·m (81 lb ft).